Zurück zu
>
Mäher
>
Benzin
>
Antrieb bis 42 cm
>
2er
>
2.42 TAK ( 1999 / 4765889-A )
>
Prisma 37 ( 1996 / 2031055- )
>
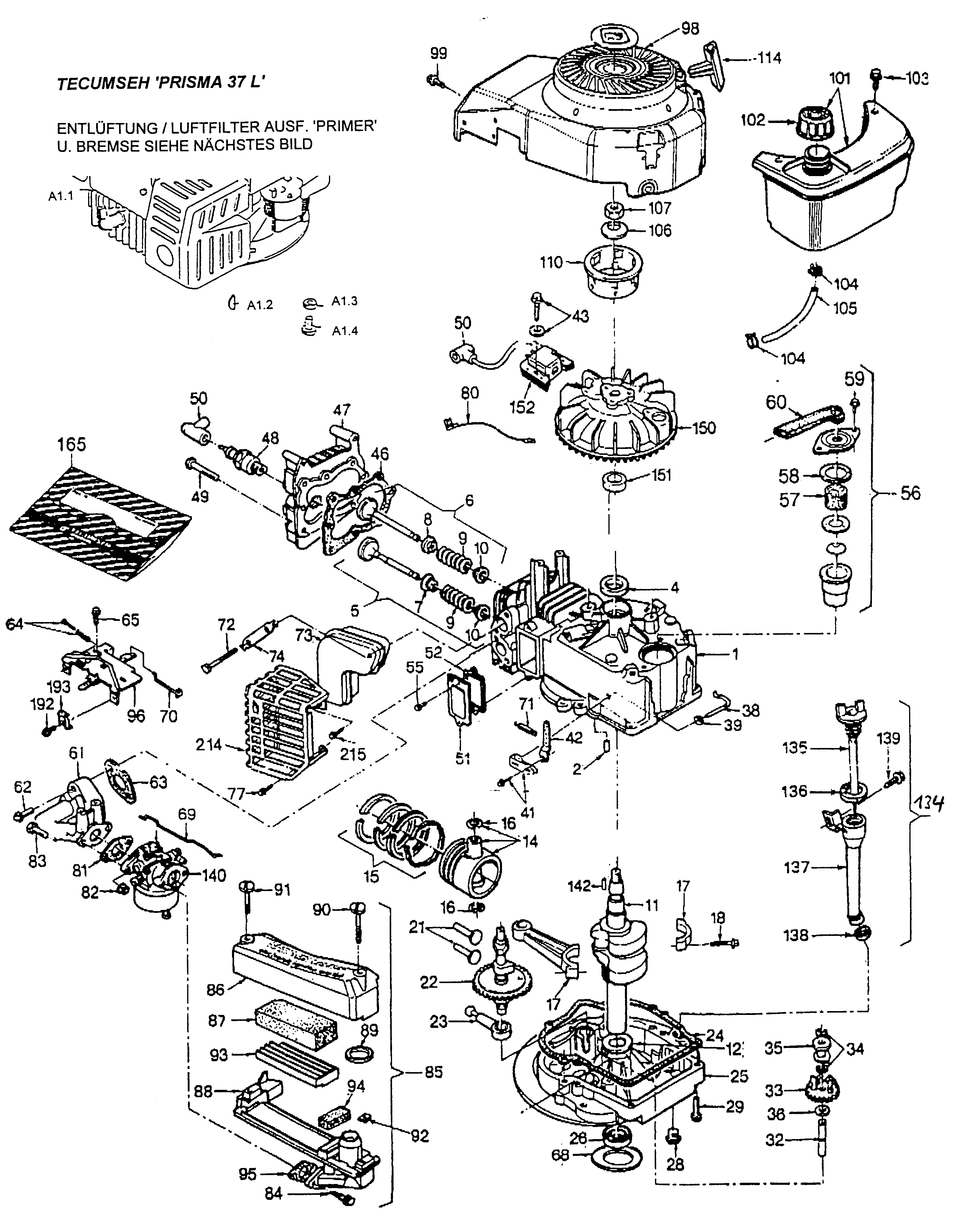
Motor Prisma 37 L (1) (2031055-1996-1)
Ersatzteillisten für Wolf Mäher Motor Prisma 37 L (1) (2031055-1996-1)
Pos.
Bezeichnung
Ersatzteilnummer
A1.1
Motor kpl.(Motorbr./Primer)
2031 050
A1.2
Scheibenfeder
0029 055
A1.3
Zylinderschraube
0011 351
A1.4
6kt.-Mutter
0016 312
1
Zylinder
2031 052
2
Stift
1032 201
4
Simmerring
1005 202
5
Einlaßventil
1032 203
6
Auslaßventil
2085 056
7
Simmering
2031 215
8
Ventilteller
2027 204
9
Ventilfeder
2031 113
10
Ventilteller
1038 206
11
Kurbelwelle
2085 200
12
Drucklager
2085 208
14
Kolben
1039 100
15
Kolbenringsatz
1039 103
16
Sicherungsring
1032 103
17
Pleuelstange
2036 202
18
Schraube
2036 201
21
Bolzen
2031 114
22
Nockenwelle
2031 115
23
Ölpumpe
2026 206
24
Dichtung
1032 223
25
Flansch
2027 201
26
Simmering
1005 217
28
Ölablaßschraube
2030 209
29
6kt.-Schraube
1038 209
32
Reglerwelle
1032 225
33
Verzahnung
1032 230
34
Federring
1032 231
35
Reglerspule
1032 232
36
Scheibe
2026 205
38
Reglerwelle
2026 208
39
Scheibe
1032 236
41
Hebel
2031 117
42
Reglerhebel
2085 202
43
Schraube
2085 421
46
Dichtung
1032 112
47
Zylinderkopf
2027 100
48
Zündkerze
2031 305
49
Schraube
2030 203
50
Kerzenstecker
2085 301
51
Lüftungsdeckel
2087 301
56
Entlüfter
2031 531
57
Einsatz
2085 308
58
Dichtung
2085 309
59
Schraube
2085 310
61
Ansauger
2087 401
62
Schraube
2085 204
63
Dichtung
2031 221
64
Stellschraube
2031 210
65
Schraube
2085 310
68
Deckel
2026 204
69
Gelenk
2030 404
70
Gelenk
2087 402
71
Stift
2031 120
72
6 kt.-Schraube
2025 215
73
Auspuff
2031 010
74
Blech-Halt.
2025 209
77
Schraube
2085 310
80
Kurzschlußkabel
2087 305
81
Dichtung
1037 400
82
Mutter
2085 403
83
Schraube
2031 202
85
Luftfilter
2031 056
86
Filterdeckel
2031 401
87
Filtereinsatz
2031 405
88
Filtergehäuse
2031 408
90
Schraube
2031 204
91
Schraube
2031 205
92
Mutter
2031 220
93
Filtergitter
2031 410
94
Lüftereinsatz
2031 112
96
Halteplatte
2031 118
98
Gebläsegehäuse
2031 119
99
6kt.-Schraube
1032 315
101
Tank
2031 057
102
Tankdeckel
2085 500
103
Schraube
2026 215
104
Klammer
2030 501
105
Schlauch
2026 500
106
Scheibe
2026 606
107
Mutter
2026 607
110
Starterschale
2035 601
114
Griff
2030 601
***
Zugseil
2085 612
130B
Motorbremse
2033 111
134
Öleinfüllrohr kpl.
2031 075
135
Ölmeßstab
2031 255
136
Dichtung
2031 452
137
Öleinfüllrohr
2031 250
138
Dichtung
2027 208
139
Schraube
2026 215
140
Vergaser kpl.
2031 020
140
Vergaser kpl.Primer
2031 021
142
Keil
2030 201
150
Schwungrad
2029 303
151
Distanzstück
2085 304
152
Zündspule
2030 055
165
Dichtungssatz
2031 058
192
Schraube
2085 404
193
Halter
1038 402
214
Berührungsschutz
2030 307
215
Schraube
2031 207
240
Klammer
2033 114
Gebrauchsanweisungen
Wolf
Handgeräte
Heckenscheren
Universalscheren
Handgrasscheren
Astscheren
Baumscheren
Baumpflege
Beleuchtungssysteme
Accuscheren
Häcksler
Sägen
Trimmer
Spindelmäher
Streuwagen / Portax
Schlauchwagen
Vertikutierer / Lüfter / Aerifizierer
Mäher
Accu
Benzin
Schiebe bis 42 cm
Schiebe ab 43 cm
Antrieb bis 42 cm
2er
2.42 TA ( 1996 / 4765880-C )
2.42 TA ( 1997 / 4765880-D )
2.42 TAK ( 1999 / 4765889-A )
Datenblatt (4765889a-1999-1)
Chassis, Heckklappe (4765889a-1999-2)
Antrieb, Räder (4765889a-1999-3)
Höhenverstellung (4765889a-1999-4)
Griff kpl. (4765889a-1999-5)
Prisma 37 ( 1996 / 2031055- )
Motor Prisma 37 L (1) (2031055-1996-1)
Motor Prisma 37 L (2) (2031055-1996-2)
Starter (2031055-1996-3)
Vergaser (2031055-1996-4)
Vergaser Primer (2031055-1996-5)
2.42 TA ( 1999 / 4765880-D )
2.40 HA ( 2003 / 4005007-A )
2.40 HA ( 2004 / 4005007-B )
6er
Premio
Power Edition
Esprit
Sonstige
Compact plus
Antrieb ab 43 cm
Elektrostart / Touch&Mow
Elektro
Aufsitzmäher
Benzinmotoren
Zubehör
Impressum
(C) by motoruf