Zurück zu
motoruf
Warenkorb

Ersatzteillisten für Wolf Mäher Kurbelgehäuse (2079000-2004-1)




Ersatzteilliste


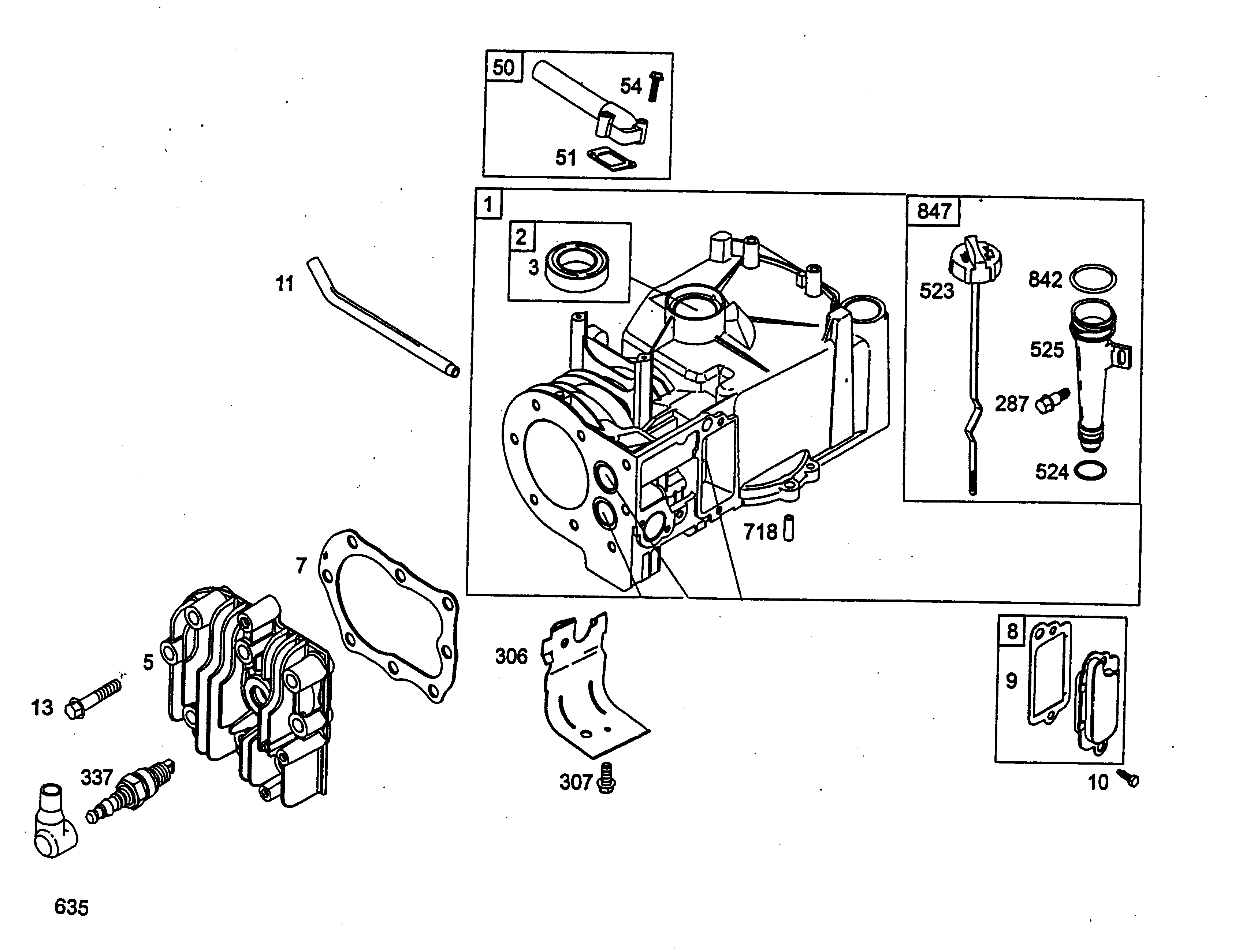
Pos.BezeichnungErsatzteilnummer
3Simmering2057 352
5Zylinderkopf2056 164
7Zylinderkopfdichtung2056 159
8Entlüfterventil2056 166
9Dichtung/Entlüfter1034 301
10Schraube1034 302
11Leitung2056 167
13Schraube2062 501
50Rohr-Ansau.1034 227
51Dichtung1034 222
54Schraube2056 168
287Schraube2006 304
306Leitblech2056 170
307Schraube2063 120
337Zündkerze Champion RJ19LM2058 305
523Ölmessstab2056 173
524Ring-O2007 205
525Öleinfüllrohr2003 203
635Kerzenstecker1034 435
718Paßstift2057 117
842O-Ring2056 160
847Einfüllrohr2056 176
Gebrauchsanweisungen
Wolf
Impressum
(C) by motoruf