Zurück zu
>
Vertikutierer / Lüfter / Aerifizierer
>
Vertikutierer
>
Elektro
>
UV
>
UV 32 E ( 2000 / 3585003-D )
>
Einzelteil-Liste (3585003d-2000-2)
Ersatzteillisten für Wolf Vertikutierer / Lüfter / Aerifizierer Einzelteil-Liste (3585003d-2000-2)
Ersatzteilliste 1
Ersatzteilliste 2
Ersatzteilliste 3
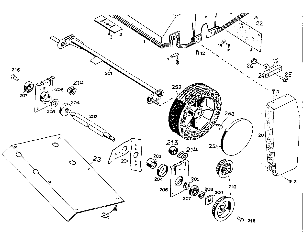
Pos.
Bezeichnung
Ersatzteilnummer
5
Gummiplatte
3568 206
6
PT-Schraube
0012 880
20
Riemenabdeckung
3568 303
36
Kabelschelle
4950 307
55
Schraube
0015 652
***
Lüfterdeckel
3576 309
***
Vertikutierwalze kpl.
3585 040
351
Lamellenstopfen
3568 101
353
Linsenschraube M 5x40
0012 867
354
6kt.-Mutter
0016 310
355
Schraube
0013 525
356
Hohlscheibe
0017 275
357
Flügelmutter (2x)
0016 718
359
Griffunterteil
3585 123
360
Rohrstück rechts
3585 127
361
Rohrstück links
3585 125
362
Bolzen
3568 520
401
Griffoberteil
3585 023
402
Stellgehäuse, links
3632 102
403
Stellgehäuse, rechts
3632 103
404
Stellhebel
3568 104
405
Rastbolzen
3568 213
406
Zugstange oben
3568 018
407
Zugstange
3568 132
408
Flachrundschraube M 6x16
0013 640
409
Flügelmutter M6
3568 308
410
Zugstange, unten
3568 047
411
Isolierlasche
3568 111
412
Linsenschraube M 5x12
0012 864
420
Schalter kpl.
4906 051
420
Schalter kpl. für CH
4906 053
421
Lager
4940 105
422
Schaltbügel
4940 107
423
Schelle
4935 105
425
PT-Schraube
0012 625
430
Bügel
4940 100
431
Hutclip
3575 503
432
Zugentlastung
4936 323
466
Verschlußkappe
6340 125
***
Gebrauchsanweisung
0054 048
***
Messersatz UV-EV
3568 081
***
Fangkorb TK-UV
4665 000
Pos.
Bezeichnung
Ersatzteilnummer
4
Handrad
3568 011
8
Schelle
4557 208
9
PT-Schraube
0012 625
10
Gewindestift mit Stoppmutter
3586 016
14
Schraube
0012 890
27
Leitblech
3585 121
28
WOLF-Garten Marke
0051 145
51
Heckklappe
3568 325
52
Rundstab
3568 208
53
Schenkelfeder
3585 115
54
Sicherheitsetikett / Pictogramm
3585 223
101
Abdeckhaube
3585 048
110
Motorkonsole
3568 211
151
Motor (Hanning)
1103 053
155
Zahnriemen
0039 004
165
Verbindungskabel
4305 013
166
Kondensator 20 mF
1133 040
209
Mitnehmer
3576 407
210
Zahnriemenscheibe
3568 511
212
Schraube
0010 930
215
Schraube Tuf-Lok M6x14
0010 892
256
Saugschlauch kpl.
3585 061
257
Deckel
3585 312
302
Achse hinten
3568 065
303
Verbindungsstange
3568 131
304
SL-Sicherung
0020 981
305
Verbindungsstange
3568 130
306
Bundbolzen
3568 524
352
Buchse
3568 107
Pos.
Bezeichnung
Ersatzteilnummer
1
Chassis
3568 320
2
Verstärkungsblech
3568 010
3
PT- Schraube KA 50x14
0012 632
7
Achsschelle
3568 505
12
Isolator
3568 209
18
Scheibe A 6,4
0017 289
19
Schraube
0012 874
22
PT-Schraube
0012 880
23
Schutzblech
3568 112
24
Konsole
3568 113
25
Spiralschraube
0010 893
26
6-kt.-Mutter
0016 353
201
Messer
3568 400
202
Vertikutierwelle
3568 507
203
Distanzbuchse
3585 510
204
Wickelschutz
3568 509
205
Druckring
3568 512
206
Lagerschale
3568 017
207
Kugellager
0023 148
208
Distanzbuchse
3576 406
213
Distanzbuchse
3586 501
214
Ausgleichsscheibe
3586 110
252
Laufrad Ø 200 mm
4940 041
253
Spiralschraube
0010 893
255
Deckel Ø 200 mm
4961 525
301
Achse vorne
3568 063
Gebrauchsanweisungen
Wolf
Handgeräte
Heckenscheren
Universalscheren
Handgrasscheren
Astscheren
Baumscheren
Baumpflege
Beleuchtungssysteme
Accuscheren
Häcksler
Sägen
Trimmer
Spindelmäher
Streuwagen / Portax
Schlauchwagen
Vertikutierer / Lüfter / Aerifizierer
Vertikutierer
Hand
Elektro
UV
UV 30 EL ( 1996 / 3567080-D )
UV 30 EL ( 1996 / 3567081-D )
UV 30 EL ( 1996 / 3567083-D )
UV 30 EV ( 2000 / 3630000-A )
UV 30 EV ( 2000 / 3630003-A )
UV 30 EV ( 2001 / 3630000-A )
UVEL ( 2001 / 3630001-A )
UV 30 EV ( 2001 / 3630003-A )
Olympia V Plus ( 2001 / 3630005-A )
UV 32 EL ( 1996 / 3568000-G, H )
UV 32 EL ( 1996 / 3568001-G, H )
UV 32 EL ( 1996 / 3568003-G, H )
UV 32 EL ( 2000 / 3568000-H )
UR-ES ( 2000 / 3568001-H )
UV 32 EL ( 2000 / 3568003-H )
UV 32 EV ( 2000 / 3632000-A )
UV 32 EV ( 2000 / 3632003-A )
UV 32 E / A ( 2001 / 3585006-A )
UV 32 EV ( 2001 / 3632000-A )
UV 32 EV ( 2001 / 3632003-A )
UV 32 EV / A ( 2001 / 3632006-A )
UV 34 E ( 2002 / 3634000-A )
UV 34 E ( 2002 / 3634003-A )
UV 32 E ( 1996 / 3585000-D )
UV 32 E ( 1996 / 3585003-D )
UV 32 E ( 2000 / 3585000-D )
UV 32 E ( 2000 / 3585003-D )
Datenblatt (3585003d-2000-1)
Einzelteil-Liste (3585003d-2000-2)
Motor 1500W (3585003d-2000-3)
TK-UV ( 2005 / 4665000- )
UV 28 EV ( 2003 / 3615000-A )
UV 28 EV ( 2003 / 3615003-A )
UV 30 EV ( 2003 / 3630680-A )
UV 30 EV ( 2003 / 3630683-A )
UV 32 EV ( 2003 / 3632680-A )
UV 32 EV ( 2003 / 3632683-A )
UVES ( 2003 / 3634001-A )
UV 34 E ( 2003 / 3634680-A )
UV 34 E ( 2003 / 3634684-A )
UV 30 EV ( 2004 / 3630680-B, C )
UV 30 EV ( 2004 / 3630683-B, C )
UV 32 EV ( 2004 / 3632680-B, C )
UV 32 EV ( 2004 / 3632683-B, C )
UV 34 E ( 2004 / 3634680-B, C )
UV 34 E ( 2004 / 3634683-B, C )
UV 28 EV ( 2005 / 3615000-B )
UVE ( 2005 / 3615001-B )
UV 28 EVK ( 2005 / 3615004-B )
UV 28 ED ( 2005 / 3615005-B )
UV 28 EV ( 2005 / 3615006-B )
UV 28 EVD ( 2005 / 3615008-B )
UV 30 EV ( 2005 / 3630009-B, C )
UV 30 EVD ( 2005 / 3630685-C )
UV 32 EV ( 2005 / 3632007-C )
UV 29 EV ( 2006 / 3618000 )
UV 29 EV ( 2006 / 3618003-A )
UV 29 EVK ( 2006 / 3618004-A )
UV 29 EVD ( 2006 / 3618005-A )
UV 29 EV ( 2006 / 3618085-A )
UV 30 EV ( 2006 / 3630680-D, E )
UV 32 EV ( 2006 / 3632680-D, E )
Sonstige
Benzin
Lüfter
Mäher
Aufsitzmäher
Benzinmotoren
Zubehör
Impressum
(C) by motoruf