Zurück zu
motoruf
Warenkorb

Ersatzteillisten für Toro Roth / TORO Vergaser (Modell-Nr. 47PP3-6)




Ersatzteilliste


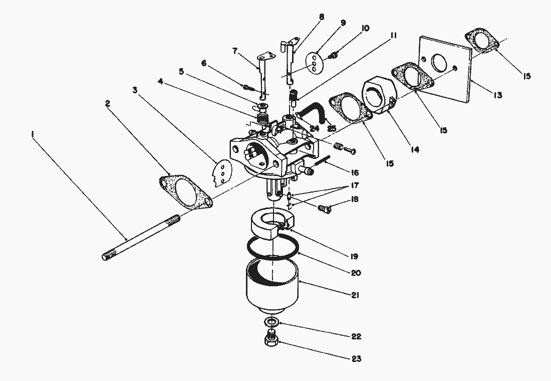
Pos.BezeichnungErsatzteilnummer
1STEHBOLZEN81-5450
2DICHTUNG81-0090
381-0240
4FEDER81-0230
5BUECHSE81-0220
6SCHRAUBE81-2160
7CHOKEWELLE81-1950
8DROSSELWELLE81-0250
9DROSSELKLAPPE81-0260
10SCHRAUBE81-0270
11DUESE(40)81-1030
13SCHILD81-5490
14ISOLIERSTUECK81-5440
15DICHTUNG81-0780
16STIFT81-5600
17SCHWIMMERNADEL81-4910
18Hauptduese81-1060
DUESE81-2340
19SCHWIMMER81-0970
20DICHTUNG81-1010
21SCHWIMMERGEHAEUSE81-5660
22DICHTUNG81-1020
23SCHRAUBE81-5670
24KLAMMER81-5460
25SCHLAUCH81-5470
VERGASER-REP.-SATZ12-6379
Carburetor Ass y Complete81-5740
SCHWIMMERVENTIL81-5810
Gebrauchsanweisungen
Toro
Impressum
(C) by motoruf