Zurück zu
>
Roth / TORO
>
Handgeräte
>
Schneefräsen
>
zweistufig
>
724
>
637/38073
>
7900001
>
Trommel
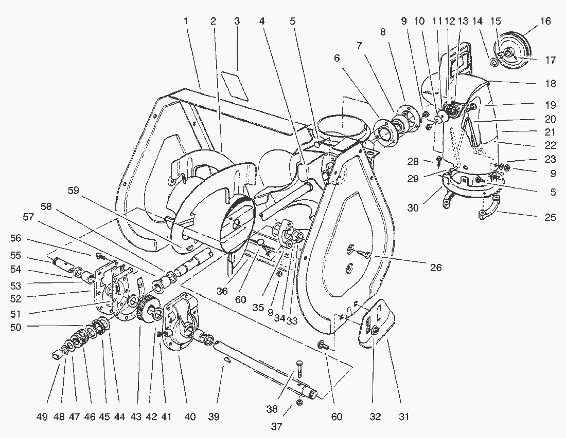
Ersatzteillisten für Toro Roth / TORO Trommel
Pos.
Bezeichnung
Ersatzteilnummer
Housing-Auger Model 38072 (Incl. Ref.
94-2786
Housing-Auger Model 38073 (Incl. Ref.
94-2785
Pos.
Bezeichnung
Ersatzteilnummer
2
Auger-R.H.
74-1600
Auger-L.H.
74-1590
3
Decal-Auger Warning
53-7670
Decal-Danger Auger Model No. 38543
94-2568
4
Shaft & Impeller
37-6990
5
Carriage Bolt
3230-18
6
7
Lager
63-3450
8
9
MUTTER
3296-29
10
Scheibe
3290-340
11
Scheibe
3256-68
12
Sicherungsscheibe
55-8950
13
Scheibe
20-4320
14
Scheibe
3-0737
15
Keil
3257-23
16
Keilriemenscheibe
37-6890
17
Schraube
3242-4
18
Leitblech
56-2680
19
Bolzen
3230-22
20
Auswurfschutz
56-2670
21
Auswurkanal
94-2793
Auswurfkanal
94-2792
22
Decal-Discharge
53-7660
Decal-Discharge Model 38054
94-2558
23
Scheibe
3256-23
25
Fuehrungsstueck
37-6490
26
Schraube
32144-70
28
Schraube
27-0220
Gebrauchsanweisungen
Toro
Roth / TORO
Aufsitzmäher
Handgeräte
Kehrmaschinen
Schneefräsen
Zubehör
zweistufig
1332 PowerShift
1232 PowerShift
1132 PowerShift
1132
1028 PowerShift
924 PowerShift
828 PowerShift
824 PowerShift
824 XL
824
724
637/38073
9900001
8900001
7900001
Starter Nr. 590707
Starter Nr. 590742 (wahlw.)
Elektrostarter Nr. 38-7590 (wahlw.)
Motor Tecumseh (Modell HSK70-130282T)
Vergaser Nr. 632371A
Holm links
Holm rechts
Antrieb (Fortsetzung)
Antrieb
Trommel (Fortsetzung)
Trommel
Motor (Fortsetzung)
Motor
6900001
5900001
4900001
3900001
624 PowerShift
622
521
3521
einstufig
Sauger/Bläser
Rasenmäher
Robin
Impressum
(C) by motoruf