Zurück zu
>
Roth / TORO
>
Handgeräte
>
Schneefräsen
>
zweistufig
>
622
>
624/38063
>
7900001
>
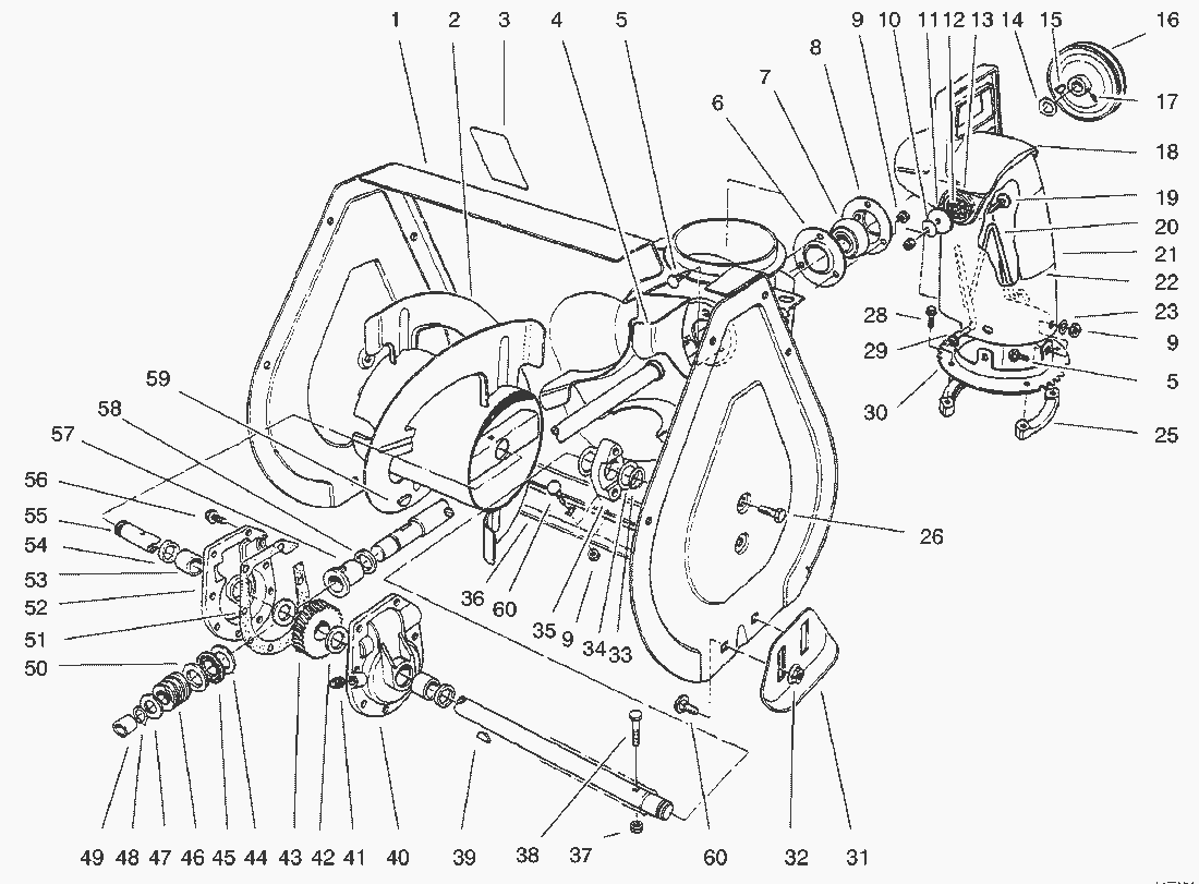
Trommel (Fortsetzung)
Ersatzteillisten für Toro Roth / TORO Trommel (Fortsetzung)
Pos.
Bezeichnung
Ersatzteilnummer
22
Deacl-Danger Chute Model 38540
94-8079
Decal-Discharge Model 38054
94-2558
23
Scheibe
3256-23
25
Fuehrungsstueck
37-6490
26
Schraube
32144-70
28
Schraube
27-0220
29
Mutter
3290-326
30
Chute Ring
37-8941
31
Gleitkufe
40-8160-01
32
Mutter
32128-20
33
Sicherungsring
32151-36
34
Thrust Washer
5-1550
35
Lagergehaeuse
37-6550
36
Raeumschiene
94-8892-01
37
MUTTER
3296-42
38
Schraube
321-10
39
Keil
3257-33
40
Getriebegehaeuse
14-2459
41
Oelstopfen
281-1
42
Scheibe
252-71
43
Ritzel
5-7180
44
Scheibe
257-3
45
Lager
252-76
46
Schnecke
5-7170
47
Scheibe
3-8664
48
Retaining Ring
32120-72
49
Buechse
256-32
50
Scheibe
252-80
51
Dichtung
51-0460
52
Getriebegehaeuse
14-2449
53
Buechse
256-237
54
Simmerring
7-0045
55
Antriebswelle
37-6802
56
Schraube
32144-41
57
Buchse
37-6560
58
Dichtung
237-87
59
Keil
3257-23
60
Schraube
3230-1
Schneckengetriebe
37-6962
Lager Mit Deckel
12-8789
Gebrauchsanweisungen
Toro
Roth / TORO
Aufsitzmäher
Handgeräte
Kehrmaschinen
Schneefräsen
Zubehör
zweistufig
1332 PowerShift
1232 PowerShift
1132 PowerShift
1132
1028 PowerShift
924 PowerShift
828 PowerShift
824 PowerShift
824 XL
824
724
624 PowerShift
622
624/38063
220000001
210000001
200000001
9900001
8900001
7900001
Starter Nr. 590742 (wahlw.)
Vergaser Nr. 632379A
Elektrostarter Nr. 38-7590 (wahlw.)
Starter Nr. 590707
Motor Tecumseh (Modell HSK60-76008B)
Holm links
Holm rechts
Antrieb
Antrieb (Fortsetzung)
Motor
Trommel (Fortsetzung)
Trommel
000000001
521
3521
einstufig
Sauger/Bläser
Rasenmäher
Robin
Impressum
(C) by motoruf