Zurück zu
>
Roth / TORO
>
Handgeräte
>
Schneefräsen
>
einstufig
>
CCR 2000
>
618/38186
>
0000001
>
StarterMotor & Schalter Gehäuse
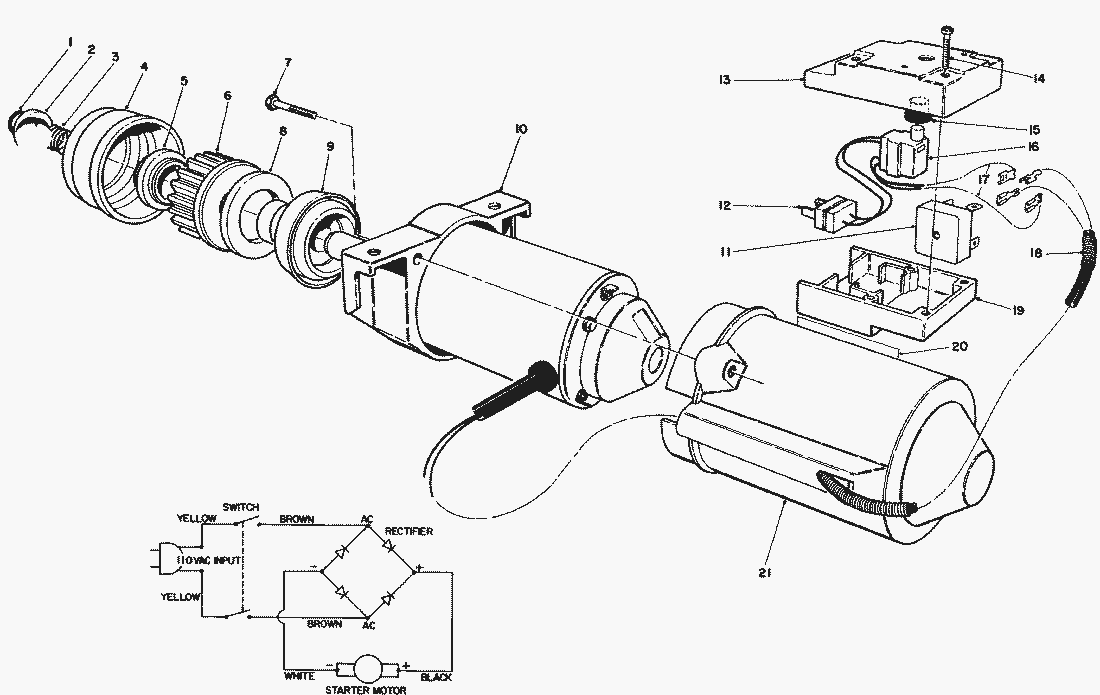
Ersatzteillisten für Toro Roth / TORO StarterMotor & Schalter Gehäuse
Pos.
Bezeichnung
Ersatzteilnummer
Pinion Assembly
61-4700
Starter Motor Assembly (Incl. Ref.
61-4601
Pos.
Bezeichnung
Ersatzteilnummer
1
Seegerring
61-4680
2
Buechse
61-4670
3
Feder
61-4690
4
5
6
7
Screw-Plastite
61-4640
8
9
11
Gleichrichter
37-7600
12
Plug
36-8370
13
Cap-Switch Housing (Model No. 38185C only)
66-1760
14
Screw-Plastite
66-4830
15
Abdeckkappe
61-4810
16
Schalter
61-4820
17
Wire-Switch to Rectifier
36-8360
18
Cable Cover
61-4860
19
Base-Switch Housing (Model No. 38185C only)
66-1750
20
Decal-UL
66-6590
21
Motorgehaeuse
61-4620
Cord-7 Ft.
28-9170
Gebrauchsanweisungen
Toro
Roth / TORO
Aufsitzmäher
Handgeräte
Kehrmaschinen
Schneefräsen
Zubehör
zweistufig
einstufig
Snow Commander
CCR 3650 GTS
CCR 3000
CCR 2450
CCR 2400
CCR 2000
618/38186
6900001
5900001
4900001
3900001
2000001
1000001
0000001
Starter (Motor Modell-Nr. 47PK9)
Auspuff (Motor Modell-Nr. 47PK9)
Regler (Motor Modell-Nr. 47PK9)
Vergaser (Motor Modell-Nr. 47PK9)
Schwungrad & Zündspule (Motor Nr. 47PK9)
Teilemotor (Motor Modell-Nr. 47PK9)
Holm
StarterMotor & Schalter Gehäuse
Betätigung, Paneele & Abdeckung
Motor & Hauptrahmen
Rotor
Grassauswurf
Gehäuse (Fortsetzung)
Gehäuse
618/38185 C
618/38181
618/38180 C
CR 1000
CR 20
CR 20 R
S 620
S 200
CCR Powerlite
Sauger/Bläser
Rasenmäher
Robin
Impressum
(C) by motoruf