Zurück zu
>
Roth / TORO
>
Aufsitzmäher
>
Rider
>
8-25
>
372/70060
>
79000001
>
Schneideinheit
Ersatzteillisten für Toro Roth / TORO Schneideinheit
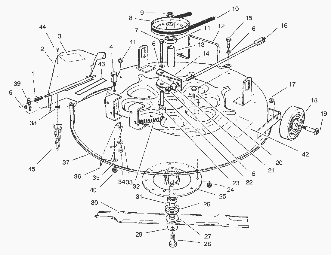
Pos.
Bezeichnung
Ersatzteilnummer
Deck (Incl. Ref.
16-2199
Pos.
Bezeichnung
Ersatzteilnummer
1
Feder
28-8010
2
Grasleitstueck
93-9492
3
Warnschild
93-7010
4
Bolzen
67-0140
5
Stopmutter
3296-8
6
Scheibe
3256-23
7
Schraube
322-19
8
Riemenscheibe
80-4420
9
Mutter
3219-6
10
V-Belt
67-1390
11
Kugellager
38-7820
12
Riemenfuehrung
80-4520
13
Buechse
62-3660
14
Messerbremse
67-1370
15
Schraube
322-6
16
Gestaenge
67-0570
17
Mutter
3296-39
18
Rad
61-9760
19
Radschraube
56-6590
20
Schraube
322-3
21
Ball-Swivel
67-0710
22
Buechse
67-0730
23
Buechse
76-3810
24
MUTTER
3296-29
25
Mitnehmer
67-0970
26
Shield-Bearing
80-4360
27
Messerwelle
80-4340
28
Screw-Blade
26-0671
29
Scheibe
3290-465
30
Blade
67-0200
31
Spacer-Hardened
80-4380
32
Feder
67-1440
33
scheibe
3256-22
34
Schraube
3234-21
35
Scheibe
3256-24
36
Grasleitblech
67-0130-01
38
Schraube
321-5
39
Bracket-Deflector
67-1600-01
40
Mutter
3296-59
41
MUTTER
3296-42
42
Warnschild
93-7010
43
Klebeschild
93-7009
44
Schraube
32144-111
45
Anschlag
93-7696
Gebrauchsanweisungen
Toro
Roth / TORO
Aufsitzmäher
Traktor
Rider
HMR 1600
12-32 E
12-32
11-32
10-32 E
8-25
372/70122
372/70060
89000001
79000001
Getriebe (Peerlesss Modell 700-025)
Motor B&S (Modell-Nr. 195707-0121-01)
Starter (B&S Nr. 195707-0121-01)
Schneideinheit
Differential
Hinterachse
Elektro-Schaltplan
Holm
Getriebe & Gestänge (Fortsetzung)
Getriebe & Gestänge
Heckteil
Vorderachse
Sitz & Kraftstofftank
Rahmen
Vorderteil
59000001
49000001
39000001
6900001
110-4E
110-4
Mähwerke
Zubehör
Handgeräte
Robin
Impressum
(C) by motoruf