Zurück zu
>
Roth / TORO
>
Handgeräte
>
Rasenmäher
>
4-Takt Radantrieb
>
489/20925
>
0000001
>
Regler (Modell-Nr. VMK9)
Ersatzteillisten für Toro Roth / TORO Regler (Modell-Nr. VMK9)
Pos.
Bezeichnung
Ersatzteilnummer
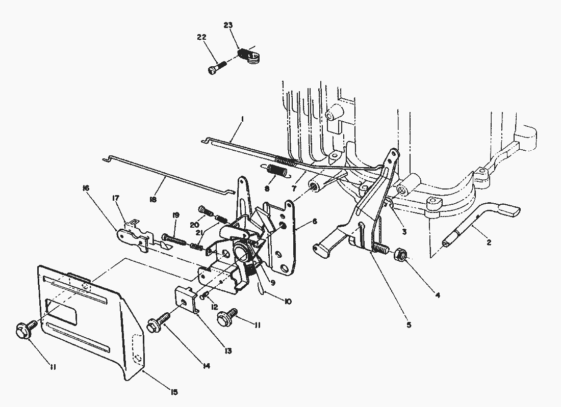
1
Rod-Carburetor
81-4450
2
Reglerwelle
81-4480
3
Seegerring
81-4540
4
Mutter
81-3760
5
Reglerarm
81-4500
6
Grundplatte
81-4510
7
Feder
81-4470
8
Feder
81-4460
9
Feder
81-4570
10
Feder
81-4520
11
SCHRAUBE
81-1170
12
Niete
81-4530
13
Bowdenzugklemme
81-1690
14
SCHRAUBE
50-0130
15
Schutzblech
57-5750
16
ISOLIERSTUECK
81-1830
17
ANSCHLAG
81-1840
18
Rod-Choke
81-4440
19
Schraube
81-4560
20
Schraube
81-4550
21
Feder
81-2900
22
Schraube
81-0380
23
Clamp
81-4780
Gebrauchsanweisungen
Toro
Roth / TORO
Aufsitzmäher
Handgeräte
Kehrmaschinen
Schneefräsen
Sauger/Bläser
Rasenmäher
Grasfangvorrichtungen
4-Takt Radantrieb
498/26638
498/26633
498/26633 B
498/26631 B
496/26639
496/26636
496/26636 B
496/26635 BC
496/26625 BG
495/26637
495/26632
495/26632 B
495/26630 BC
495/26630 BG
495/26620 BG
494/20784
494/20791
493/20783
493/20789
492/20787
492/20778
491/20786
491/20777
491/20328 B
490/20327 B
489/20927 B
489/20926 B
489/20925
0000001
Starter (Modell-Nr. VMK9)
Auspuff (Modell-Nr. VMK9)
Luftfilter & Kraftstofftank (Modell-Nr. VMK9)
Vergaser (Modell-Nr. VMK9)
Regler (Modell-Nr. VMK9)
Zündspule & Schwungrad (Modell-Nr. VMK9)
Kurbelgehäuse (Fortsetzung)
Kurbelgehäuse (Modell-Nr. VMK9)
Fangkorb
Holm (Antrieb)
Getriebe Nr. 71-8250
Hinterachse (Antrieb)
Motor
StarterMotor
Gehäuse
488/20920
487/20914
487/20909 BC
487/20905
479
477
469
465/20781
465/20779
464
459/20824
459/20821
459/20821 B
459/20820 BC
458/20823
458/20822
457
456/20808
456/20808 B
456/20807 BC
456/20806 B
455/20803
455/20803 B
455/20802 BC
455/20801 B
453
449
439
437/22173
437/22157
437/22154
437/22154 B
437/22153 BC
434
424
421/20652
417/20832
417/20829
417/20827
416/20831
416/20828
416/20826
415/20817
415/20811
4-Takt
2-Takt Radantrieb
2-Takt
Elektro
Akku
Robin
Impressum
(C) by motoruf