Zurück zu
>
Roth / TORO
>
Aufsitzmäher
>
Traktor
>
12-38 HXL
>
392/71203
>
3900001
>
Rahmen
Ersatzteillisten für Toro Roth / TORO Rahmen
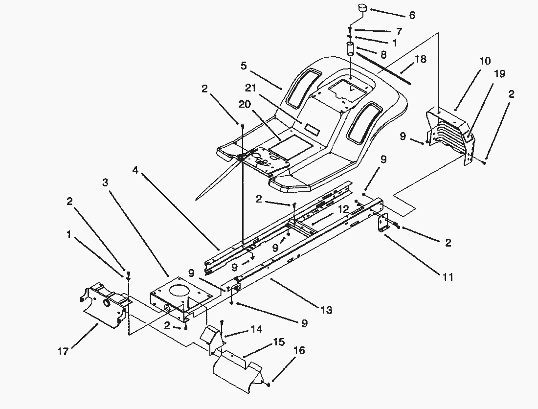
Pos.
Bezeichnung
Ersatzteilnummer
1
Scheibe
3256-23
2
Schraube
322-3
3
Plate-Engine Mount
88-4630
4
Rail-R.H. Frame
88-4650
5
Rahmen-Heckteil
88-3840-01
6
Kappe
701178
7
Schraube
322-5
8
Feder
88-6220
9
MUTTER
3296-29
10
Panel-Rear Hitch
88-3940
11
Bracket-Transaxle Mtg.
88-5260
12
Bracket-Idler Pivot
88-4620
13
Rail-L.H. Frame
88-4660
14
Shield-Exhaust Pipe
88-4960
15
Shield-Muffler
88-6290
16
Schraube
32104-76
17
Support-Front Axle
88-5120
18
Decal-Rear Body
92-2491
19
Decal-Dump Valve Hydro
92-2492
20
Decal-Instruction Hydro
92-2486
21
Decal-Made in USA (Model No. 71140 Only)
117242
Gebrauchsanweisungen
Toro
Roth / TORO
Aufsitzmäher
Traktor
264-6
246 HE
244-5
212-H
212-5
17-44 HXLE
16-44 HXL
16-38 HXL
16-38 XLE
15-44 HXL
15-38 HXL
14-38 HXL
14-38 XL
13-38 HXL
13-38 XL
13-32 XLE
12-38 HXL
392/71203
3900001
Motor B&S (Modell 286707-0452-01)
Kabel & Abdeckung (38 Schneideinheit) Cable & Cover Assy. (38 Cutting Unit)
Bremse (38 Schneideinheit) Brake Assy. (38 Cutting Unit)
Gehäuse & Spindel (38 Schneideinheit) Housing & Spindle Assy. (38 Cutting Unit)(Model No. 71203 only)
Gehäuse & Spindel (38 Schneideinheit) Housing & Spindle Assy. (38 Cutting Unit)(Model No. 71181 only)
Schnitthöhe
Getriebeachse
Elektrik
Geschwindigkeitsbetätigung & Hinterrad
Kupplung
Motor
Lenkung
Vorderachse
Sitz
Haube
Rahmen
12-38 XL
12-32 XL
264 H
265 H
267 H
268 H
270 H
520 xi
520 Lxi
523 Dxi
Rider
Mähwerke
Zubehör
Handgeräte
Robin
Impressum
(C) by motoruf