Zurück zu
>
Roth / TORO
>
Aufsitzmäher
>
Traktor
>
264-6
>
501/72062
>
5900228
>
Neutralzentrierung
Ersatzteillisten für Toro Roth / TORO Neutralzentrierung
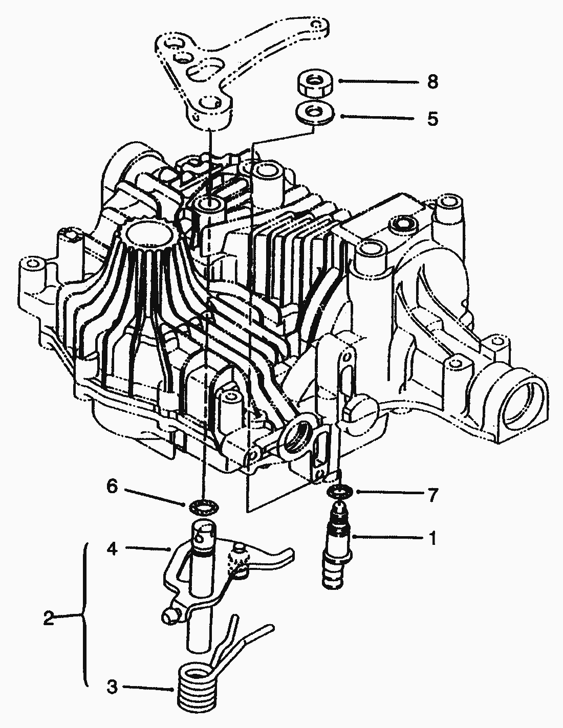
Pos.
Bezeichnung
Ersatzteilnummer
1
Fulcrum (Only On: 72083, 72043 72103, 72063)
93-0413
2
Schaft
93-0414
3
4
5
Washer (Only On: 72083, 72043, 72103, 72063)
93-0417
6
Packing (Only On: 72083, 72043, 72103, 72063)
93-0418
7
Dichtung
93-0419
8
Mutter
93-0420
Gebrauchsanweisungen
Toro
Roth / TORO
Aufsitzmäher
Traktor
264-6
501/72062
4900001
5900001
5900228
Haube mit Grill
Armaturenbrett
Lenkrad mit Verstellung
untere Lenkung
Vorderachse
Sitz
Kraftstofftank & Hydrauliktank
Kotflügel & Fußauflage
Haubenhalter & Hitzeschutz
Aushubhebel & Schnitthöhe
Rahmen
Hydraulik Antrieb
Gear Antrieb
Zweizylinder Motor, Auspuff, und Zapfwelle
Einzylinder Motor, Auspuff, und Zapfwelle
Kupplung 92-6885
Batterie
Hydraulikbremse
Hydraulikbetätigung
Hydraulik-Getriebeachse
Tempomat Betätigung
Getriebeachse
Getriebe-Schaltgestänge
Kupplung & Bremsgetriebe
Hinterrad
Kurbelwelle
Kurbelgehäuse
Ölwanne, Schmierung
Zylinderkopf, Ventil, Entlüftung
Zündung, Elektrik
Gebläsegehäuse & Leitbleche
Starteinrichtung
Kraftstoffsystem
Motor Betätigungen
Lufteinlaß/Filter
Auspuff
Kopf, Ventil, Entlüftung
Getriebeachse Peerless 820-024
Getriebeachs-Gehäuse
Mittleres Gehäuse
Pumpenwelle
Motorwelle
Wählhebel
Bypass
Dämpfer
Neutralzentrierung
Bremssicherung
Differentialgetriebe
Ritzel
Getriebewelle
Bremse
6900001
246 HE
244-5
212-H
212-5
17-44 HXLE
16-44 HXL
16-38 HXL
16-38 XLE
15-44 HXL
15-38 HXL
14-38 HXL
14-38 XL
13-38 HXL
13-38 XL
13-32 XLE
12-38 HXL
12-38 XL
12-32 XL
264 H
265 H
267 H
268 H
270 H
520 xi
520 Lxi
523 Dxi
Rider
Mähwerke
Zubehör
Handgeräte
Robin
Impressum
(C) by motoruf