Zurück zu
motoruf
Warenkorb

Ersatzteillisten für Toro Roth / TORO Motor




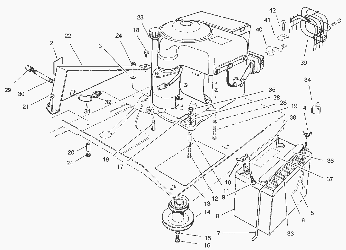
Pos.BezeichnungErsatzteilnummer
Muffler Guard Assembly (Incl. Ref.94-6427
Ersatzteilliste


Pos.BezeichnungErsatzteilnummer
2Klebeschild114621
3Scheibe3256-23
4Nut-Wing32103-12
5Batteriehalterung56-7720
6Schlauch56-2540
7Haltebuegel56-7710
8Battery-7 Plate80-2600
9Schraube321-4
10Fluegelmutter32103-22
11Distanzbuechse80-4560
12Schraube322-12
13Fussauflage62-4300
14Motorriemenscheibe98-0712
15Scheibe3256-25
16Schraube62-3760
17Assembly-Wire Battery to Ground54-3091
18Schraube32144-14
19Schraube322-7
20Riemenfuehrung67-0920
21Schraube322-10
22Kettenschutz67-0962-01
23
24MUTTER3296-29
28Federring3255-8
29Hutmutter288-2
30Verlaengerung289-34
31Rohrwinkel2811-17
32Buechse2812-1
33Batteriestopfen218-560
34Gummikappe28-8080
35Mutter32153-3
36Decal-Battery93-9354
37Klebeschild93-7276
38Klebeschild93-6668
39Auspuffschutzgitter94-6426
40Halter F. Schutzgitter94-6425
41Halter F.Schutzgitter94-6424
42Schraube32104-76
Reducer-Throttle88-4490
Gebrauchsanweisungen
Toro
Impressum
(C) by motoruf