Zurück zu
>
Roth / TORO
>
Handgeräte
>
Schneefräsen
>
zweistufig
>
622
>
624/38063
>
9900001
>
Motor
Ersatzteillisten für Toro Roth / TORO Motor
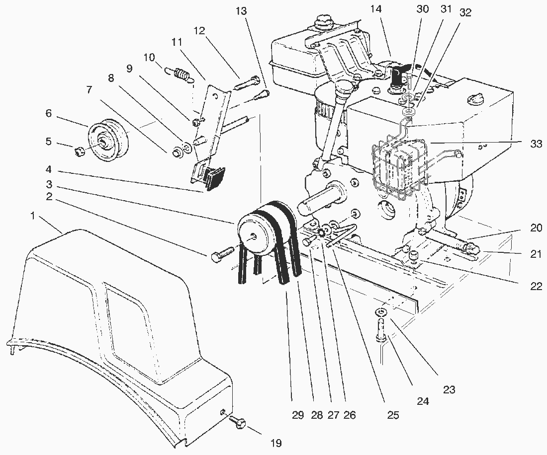
Pos.
Bezeichnung
Ersatzteilnummer
1
Belt Cover
37-6900
2
Schraube
43-7290
3
Riemenscheibe
74-1370
4
Bremsbelag
66-8060
5
Mutter
3296-59
6
Riemenscheibe
3-4244
7
Sicherungskappe
3290-320
8
Scheibe
3256-24
9
STOPMUTTER
3296-56
10
Feder
53-7570
11
Kupplungsarm
14-7959
12
Schraube
323-29
13
Bolzen
42-3560
14
19
Schraube
32144-4
20
Pipe Nipple
289-9
21
Hutmutter
288-2
22
MUTTER
3296-29
23
Scheibe
3256-23
24
Schraube
322-4
25
Belt Retainer
37-8990
26
Federring
3255-8
27
Schraube
3210-3
28
Keilriemen
37-9090
29
Keiriemen
26-9672
30
Screw-Self Tapping
42-671
31
Federring
3253-17
32
Scheibe
3256-49
33
Guard-Muffler
127-19
Gebrauchsanweisungen
Toro
Roth / TORO
Aufsitzmäher
Handgeräte
Kehrmaschinen
Schneefräsen
Zubehör
zweistufig
1332 PowerShift
1232 PowerShift
1132 PowerShift
1132
1028 PowerShift
924 PowerShift
828 PowerShift
824 PowerShift
824 XL
824
724
624 PowerShift
622
624/38063
220000001
210000001
200000001
9900001
Elektrostarter Nr. 38-7590a (wahlw.)
Starter Nr. 590742
Vergaser Nr. 640081
Motor Tecumseh (Modell HSK60-76011C)
Holm links
Holm rechts
Antrieb (Fortsetzung)
Motor
Antrieb
Trommel (Fortsetzung)
Trommel
8900001
7900001
000000001
521
3521
einstufig
Sauger/Bläser
Rasenmäher
Robin
Impressum
(C) by motoruf