Zurück zu
>
Roth / TORO
>
Handgeräte
>
Rasenmäher
>
2-Takt Radantrieb
>
222/16212 WG
>
0000001
>
Motor
Ersatzteillisten für Toro Roth / TORO Motor
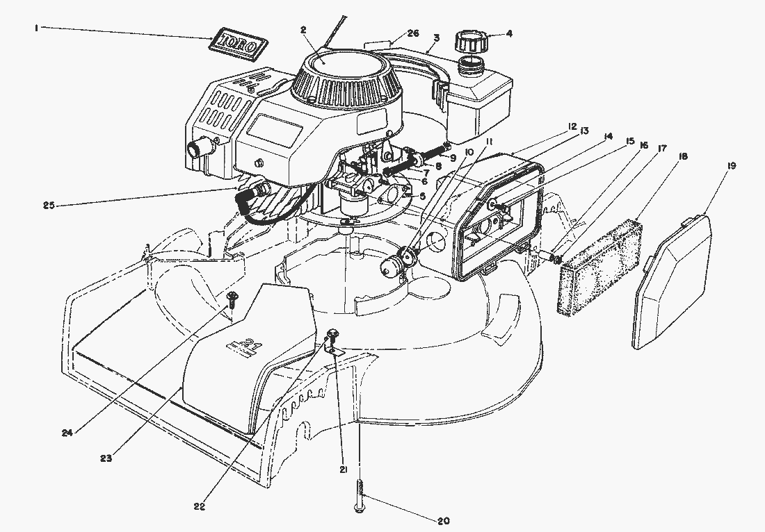
Pos.
Bezeichnung
Ersatzteilnummer
1
TORO SCHILD
46-8290
2
Decal-Recoil
57-9870
3
TANK
81-0162
4
TANKDECKEL
55-3575
5
DICHTUNG
81-0090
6
SCHLAUCHKLEMME
2412-95
7
BENZINSCHLAUCH
51-3216
8
BENZINVORFILTER
56-6360
9
BENZINSCHLAUCH
51-3215
10
Primerknopf
66-7460
11
Primer-Koerper
44-2750
12
Luftfiltergehaeuse
63-9330
13
Schlauch
44-3172
14
SCHEIBE
3256-16
15
SCHRAUBE
51-2690
16
Buechse
62-3980
17
Mutter
50-7180
18
Filtereinsatz
63-9380
19
Luftfilterdeckel
63-9340
20
Schraube
66-9302
21
Kebelklemme
70-8080
22
Schraube
32144-70
23
Riemenabdeckung
46-4780
24
SCHRAUBE
12-5450
25
Zweitaktmotor
51-0413
26
PVC-KLEBESCHILD (GEFAHR)
40-2440
Gebrauchsanweisungen
Toro
Roth / TORO
Aufsitzmäher
Handgeräte
Kehrmaschinen
Schneefräsen
Sauger/Bläser
Rasenmäher
Grasfangvorrichtungen
4-Takt Radantrieb
4-Takt
2-Takt Radantrieb
295/26643
295/26643 B
295/26640 BC
295/26640 B
287/20916B
277
255/22700 BC
255/22700
239
237/22045
237/22045 B
237/22044 BC
237/22036
237/22035
234
224
222/16212 WG
0000001
Auspuff (Modell-Nr. 47PK9)
Vergaser (Modell-Nr. 47PK9)
Regler (Modell-Nr. 47PK9)
Starter (Modell-Nr. 47PK9)
Zündung (Modell-Nr. 47PK9)
Kurbelwelle (Modell-Nr. 47PK9)
Fangvorrichtung Nr. 29-9750 (wahlw.)
Fangvorrichtung Nr. 47-6510 (wahlw.)
Holm
Getriebegehäuse (Fortsetzung)
Getriebegehäuse
Bremse
Motor
Gehäuse (Fortsetzung)
Gehäuse
2-Takt
Elektro
Akku
Robin
Impressum
(C) by motoruf