Zurück zu
>
Roth / TORO
>
Handgeräte
>
Schneefräsen
>
zweistufig
>
521
>
622/38054
>
6900001
>
Motor
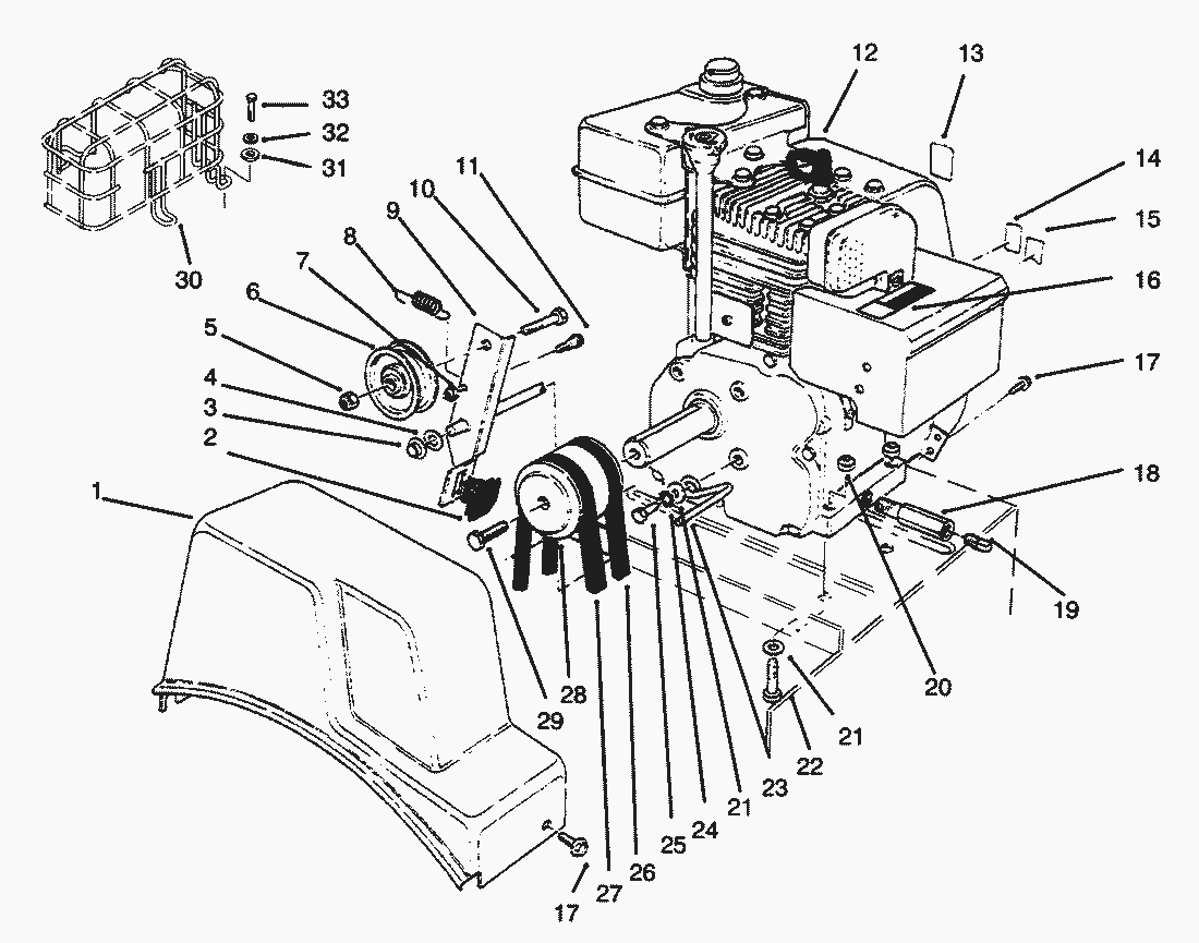
Ersatzteillisten für Toro Roth / TORO Motor
Pos.
Bezeichnung
Ersatzteilnummer
1
Belt Cover
37-6900
2
Bremsbelag
66-8060
3
Mutter
3296-59
4
Scheibe
3256-24
5
Sicherungskappe
3290-320
6
Riemenscheibe
3-4244
7
STOPMUTTER
3296-56
8
Feder
53-7570
9
Kupplungsarm
14-7959
10
Schraube
323-29
11
Bolzen
42-3560
12
13
Decal-Primer
94-2572
14
Decal-Throttle
63-2450
15
Decal-Choke
39-3850
Klebeschild
63-2410
16
Decal-Hot Surface (Model No. 38510 Only)
66-6840
Klebeschild
94-2576
17
Schraube
32144-4
18
Drain Tube
49-3040
19
Gewindestuetzen
281-7
20
MUTTER
3296-29
21
Scheibe
3256-23
22
Schraube
322-7
23
Belt Retainer
37-8990
24
Federring
3255-8
25
Schraube
3210-3
26
Keilriemen
37-9090
27
Keilriemen
37-9080
28
Riemenscheibe
43-7370
29
Schraube
43-7290
30
Guard-Muffler Model 38054
127-18
31
Washer-Flat
32-251-1
32
Washer-Lock
36-180
33
Screw-Self Tapping
42-671
Gebrauchsanweisungen
Toro
Roth / TORO
Aufsitzmäher
Handgeräte
Kehrmaschinen
Schneefräsen
Zubehör
zweistufig
1332 PowerShift
1232 PowerShift
1132 PowerShift
1132
1028 PowerShift
924 PowerShift
828 PowerShift
824 PowerShift
824 XL
824
724
624 PowerShift
622
521
622/38054
6900001
Vergaser Nr. 632107A
StarterMotor Nr. 33290
Rücklaufstarter Nr. 590707
Rücklaufstarter Nr. 590646
Motor Tecumseh (Modell HSSK50-67259P) (Fortsetzung)
Motor Tecumseh (Modell HSSK50-67259P)
Holm links
Holm rechts
Antrieb (Fortsetzung)
Antrieb
Motor
Trommel (Fortsetzung)
Trommel
5900001
4900001
3900001
2000001
1000001
0000001
622/38035
3521
einstufig
Sauger/Bläser
Rasenmäher
Robin
Impressum
(C) by motoruf