Zurück zu
motoruf
Warenkorb

Ersatzteillisten für Toro Roth / TORO Motor & Basis




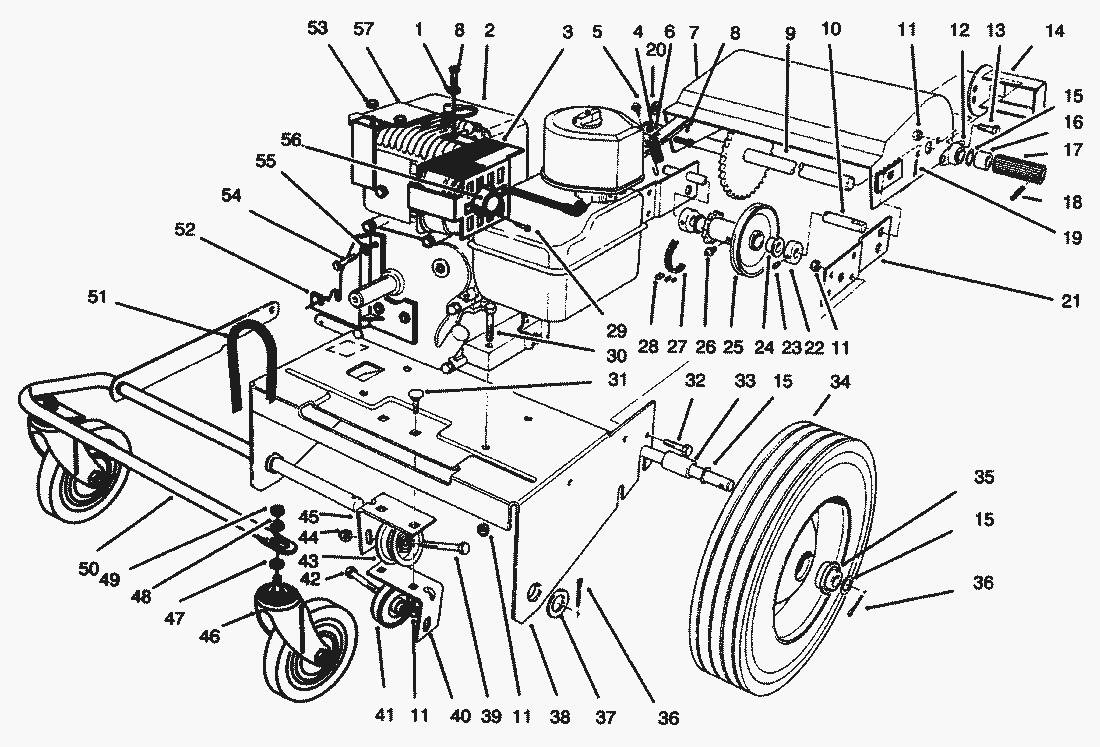
Ersatzteilliste


Pos.BezeichnungErsatzteilnummer
1Wellenscheibe3290-436
2
3Auspuffschutz93-7692
4MUTTER3296-42
5Schraube32140-32
6Feder23-3520
7Guard93-8461
8Schraube321-4
9Zwischenwelle20-7270
10Welle20-5870
11MUTTER3296-29
12Flanschlager256-236
13Schraube322-2
14Guard37-9210
15Scheibe7-3590
16Buechse20-5460
17Antriebsrolle20-5960
18Stift32121-4
19Stift3272-7
20Scheibe3256-26
21Bracket Mounting43-6830
22Stellring20-5950
23Innensechskantschraube3245-38
24Buechse256-105
25Riemenscheibe20-6000
26Schmiernippel302-5
27Kette3-3434
28Kettenschloss2710-31
29Schraube93-9841
30Schraube322-8
31Schraube3230-16
32Schraube322-5
33Buechse20-5410
34Rad20-6100
35Kugellager251-258
36Splint3272-17
37Scheibe3256-29
38Engine Plate20-5560
39Schraube323-10
Gebrauchsanweisungen
Toro
Impressum
(C) by motoruf