Zurück zu
>
Roth / TORO
>
Handgeräte
>
Schneefräsen
>
zweistufig
>
724
>
637/38073
>
4900001
>
Motor Tecumseh (Modell HSK70-130282S)
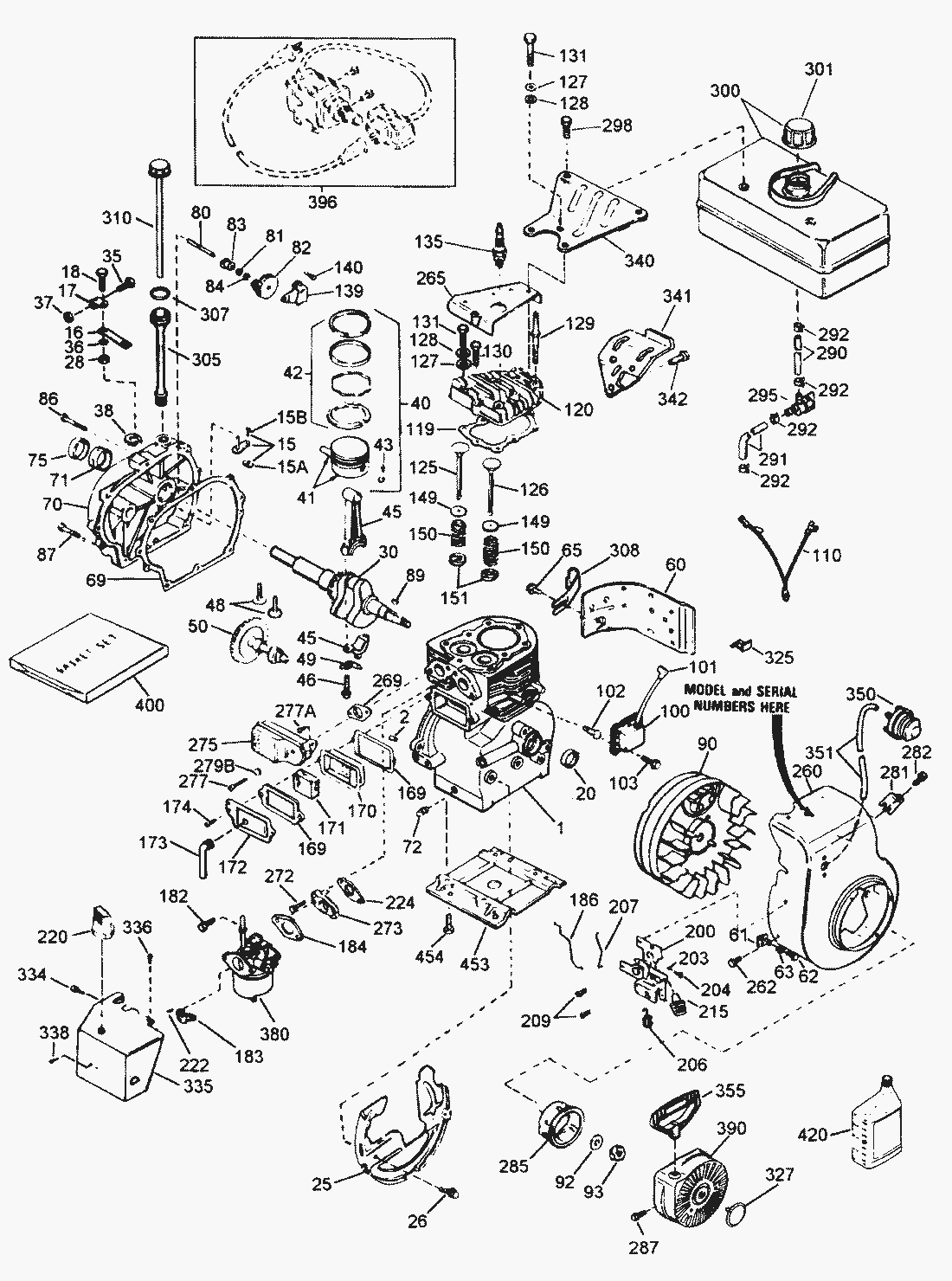
Ersatzteillisten für Toro Roth / TORO Motor Tecumseh (Modell HSK70-130282S)
Pos.
Bezeichnung
Ersatzteilnummer
Piston & Pin Assembly .010 oversize (Incl. ref.
32593B
Ring Set-Piston .020 oversize
32597
Piston & Pin Assy. Standard (Incl. ref.
32592B
Cylinder Assembly (Incl. ref.
32586C
Piston-Pin & Ring Assy. (.020 oversize) (Incl. ref.
34519
Valve, Exhaust (Std.) (Incl. Ref.
27878A
Ring Set-Piston .010 oversize
32596
Valve, Exhaust (1/32 Oversize) (Incl. Ref. #47) 44 52 2_227012 1 38080 Valve, Exhaust (1/32 Oversize) (Incl. Ref.
27880A
Rod Assy., Connecting (Incl. Ref.
32591C
Tank-Fuel (Incl. Ref.
34186A
Rod Assy., Governor (Incl. Ref.
30699C
Piston & Pin Assembly .020 oversize (Incl. ref.
32594B
Cover-Cylinder (incl. ref.
31303C
Carburetor (Incl.ref.
632371A
Pos.
Bezeichnung
Ersatzteilnummer
2
Haltedorn
27652
15
Klemme s
30700
15
Screw, Fil. Hd.
650494
16
Hebel
33454
17
Clamp, Governor Lever
29916
18
Screw, Hex Washer Hd.
650548
20
Wellendichtung
32630
25
Baffle, Blower Housing
35326
26
Schraube
650561
28
Locknut, Hex
30322
30
Crankshaft Assembly
35272
35
Schraube
29826
36
Lockwasher, E.T.
29918
37
Mutter
29216
38
Ring, Retaining
29642
40
Kolbenringe 0.20
34518
40
Kolbenringe 0.10
34517
42
Kolbenringsatz
32595
43
Kolbenbolzensicher.
27888
46
Screw-Connecting Rod
650662C
48
Ventilstoessel
34034
49
Dipper, Oil
34242
50
Camshaft
32115
60
Extension-Blower Housing
30622A
61
Bracket, Grommet Mounting
34126
62
Schraube
650760
63
Grommet, Plastic
28545
65
Schraube
650128
69
Oelwannendichtung
30684
71
Buechse
31546
72
Oelablass-Schraube
27642
75
Seal-Oil
28427
80
Reglerachse
31845
81
Washer, Flat
30590A
82
Gear Assy., Governor (Incl.
30591
83
Spool, Governor
30588A
84
Sicherungsring
29193
86
Screw, Hex Hd.
650488
87
Schraube
650493
89
Keil
32589
90
Flywheel
611085
92
Scheibe
650815
93
Nut-Flywheel
650871
100
Lamination & Coil Assy., Solid State (Incl.
34443A
101
Cover, Spark Plug
610118
102
Stehbolzen
650872
103
Schraube
650814
110
Wire, Ground
35253
119
Zylinderkopfdichtung
36453
120
Zylinderkopf
36446
126
Einlassventil
32784
126
Einlassventil
32783
127
Washer, Flat
650691
128
Washer-Belleville
650690
129
&rew-Hex. Flange Hd.
650697A
130
&rew-Hex. Flange Hd.
650697A
131
&rew-Hex. Flange Hd.
650697A
135
Spark Plug, Resistor (Champion RJ-19LM)
35395
139
Bracket-Governor Gear
31843A
140
Screw, Sternantrieb T-25
650965
149
Federteller
27882
150
Spring, Valve
27881
151
Ventilteller
32581
169
Gasket-Breather
27896A
170
Ventildeckeleinsatz
28423
171
Filter
28424
172
Entluefterdeckel
28425
173
Entlueftungsschlauch
35350
174
Schraube
650128
182
Screw-Hex. Hd.
650517
183
Halteblech
32398
184
Gasket-Carburetor
31688A
186
Reglergestaenge
34661
200
Reglerplatte
34677
203
Druckfeder
31342
204
Screw, Fil. Hd.
650549
206
Kurzschlusschalter
610973
207
Hebel
34662
209
Screw, Hex Washer Hd. Thread Cutting
650821
215
Knopf
35440
220
Knopf
35439
222
Schraube
28820
224
Gasket-Intake Pipe
27915A
260
Lueftergehaeuse s
36254
262
Screw, Phil. Hex Hd.
29747B
265
Cover-Cylinder Head
30939A
269
Dichtung
35865
272
Screw-Fil. Hd.
30196
273
Flange-Carburetor (Incl. Ref.
34712
275
Auspuff
32401
277
Screw, Hex Flange Hd.
650694A
277
Screw-Fil. Hd.
30196
279
Washer-Flat
26073
281
Cover, Starter Bubble
33013
282
Schraube
650760
285
Cup, Starter
32125
287
Schraube
650926
290
Leitung
29774
291
Line-Fuel
30962
292
Klemme F.Benzinl.
26460
295
Anschluss
35857
298
Schraube s
650665
299
Nut-U Type
650764
301
Tankverschluss
35355
305
Oelrohr
35554
307
O.Ring
35499
308
Clip, Fill Tube
35540
310
Oelmessstab
35555
325
Klemme
29443
327
Deckel s
35392
334
Schraube
650257
335
Cover-Carburetor
35060
336
Schraube
650765
338
Schraube
650760
340
Bracket-Fuel Tank
34159
341
Bracket-Fuel Tank
34158
342
Schraube
650561
350
Primer Assy.
570682
351
Line-Primer
32180C
355
Startergriff
590574
390
Starter-Rewind
590646
396
Electric Starter Motor (Optional)
33329D
400
Gasket Set
33239A
420
Sae 30 4-Cycle Engine Oil (Quart)
730225
453
Engine Mounting Base
29058
454
Screw-Hex. Hd.
650542
Gebrauchsanweisungen
Toro
Roth / TORO
Aufsitzmäher
Handgeräte
Kehrmaschinen
Schneefräsen
Zubehör
zweistufig
1332 PowerShift
1232 PowerShift
1132 PowerShift
1132
1028 PowerShift
924 PowerShift
828 PowerShift
824 PowerShift
824 XL
824
724
637/38073
9900001
8900001
7900001
6900001
5900001
4900001
Vergaser Nr. 632371A
Elektrostarter Motor Nr. 38-7590
Rücklaufstarter Nr. 590646
Motor Tecumseh (Modell HSK70-130282S)
Holm (Fortsetzung)
Motor
Holm
Antrieb (Fortsetzung)
Antrieb
Trommel (Fortsetzung)
Trommel
3900001
624 PowerShift
622
521
3521
einstufig
Sauger/Bläser
Rasenmäher
Robin
Impressum
(C) by motoruf