Zurück zu
>
Roth / TORO
>
Handgeräte
>
Schneefräsen
>
einstufig
>
S 200
>
609/38232
>
4000001
>
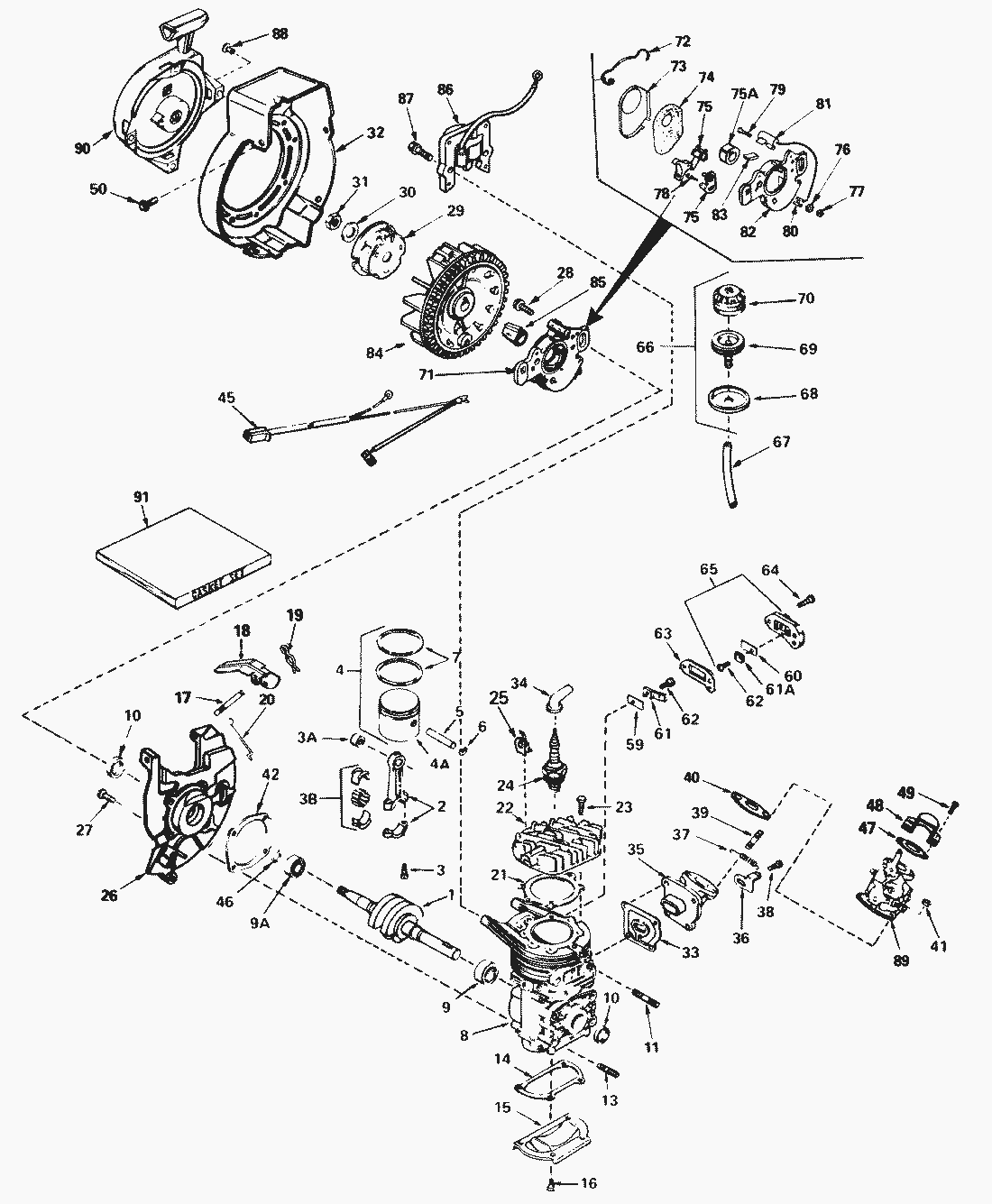
Motor (Fortsetzung)
Ersatzteillisten für Toro Roth / TORO Motor (Fortsetzung)
Pos.
Bezeichnung
Ersatzteilnummer
Lamination & Coil Assy. (Incl. Ref.
34431
Carburetor (Incl. Ref.
632142A
Pos.
Bezeichnung
Ersatzteilnummer
77
Sechskantmutter
610408
78
Kontaktschraube
29181
79
Condenser Fastening Screw
610593
80
Terminal, Ground
33356
81
Condenser
30548B
82
Grundplatte
611008
83
Filzstreifen
30549
84
Flywheel
611007
85
Buechse
611014
87
Schraube
650814
89
Vergaser s
632142
90
Starter Assy., Rewind
590537
91
Gasket Set
510264D
Gebrauchsanweisungen
Toro
Roth / TORO
Aufsitzmäher
Handgeräte
Kehrmaschinen
Schneefräsen
Zubehör
zweistufig
einstufig
Snow Commander
CCR 3650 GTS
CCR 3000
CCR 2450
CCR 2400
CCR 2000
CR 1000
CR 20
CR 20 R
S 620
S 200
609/38232
5000001
4000001
Abdeckung & Rücklaufstarter Nr. 590537 Motor Tecumseh (Modell-Nr. AH520 Typ 1602, 1602A und 1602B)
Motor (Fortsetzung)
Motor Tecumseh (Modell-Nr. AH520 Typ 1602, 1602Aund 1602B)
Vergaser Nr. 632142A Motor Modell-Nr. AH520 Typ 1602B
Vergaser Nr. 632142 Motor Modell-Nr. AH520 Typ 1602 & 1602A
Motor
unterer Hauptrahmen (Fortsetzung)
unterer Hauptrahmen
Abdeckung & Holm
3000001
2000001
1000001
CCR Powerlite
Sauger/Bläser
Rasenmäher
Robin
Impressum
(C) by motoruf