Zurück zu
>
Roth / TORO
>
Handgeräte
>
Rasenmäher
>
4-Takt
>
476
>
260000
>
Motor B&S
Ersatzteillisten für Toro Roth / TORO Motor B&S
Ersatzteilliste 1
Ersatzteilliste 2
Ersatzteilliste 3
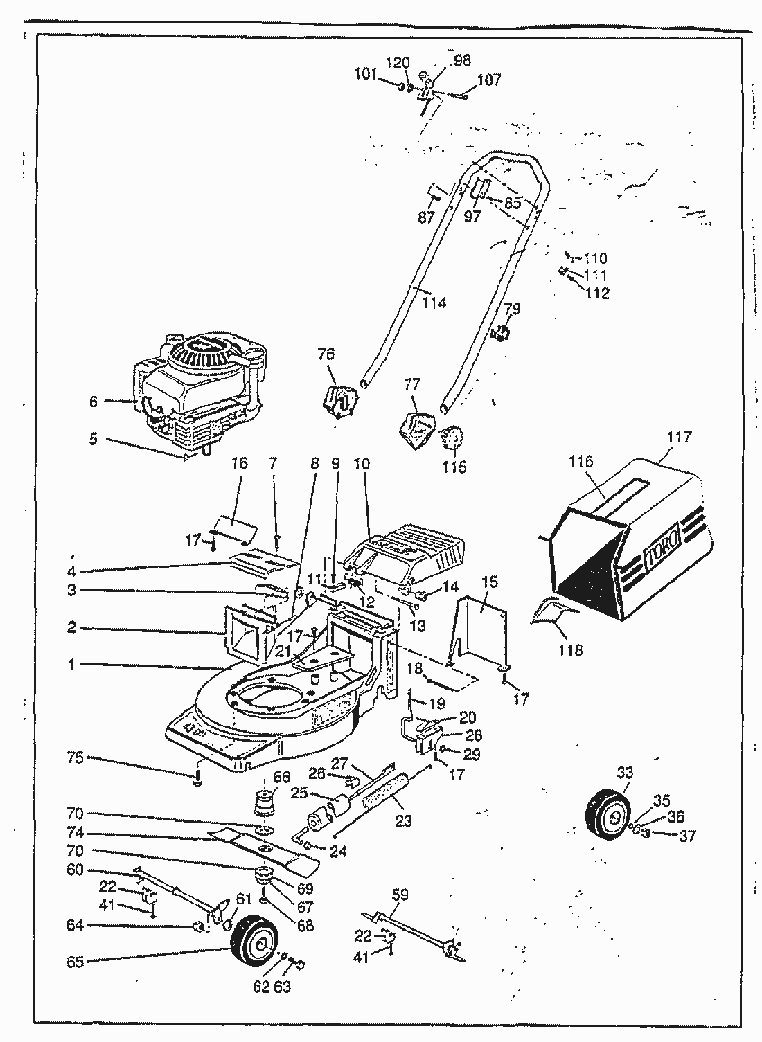
Pos.
Bezeichnung
Ersatzteilnummer
1
Zylinder
493260
2
Bushing-Cylinder Note: Requires special tools for installation.
293708
3
Seal-Oil
299819
5
Head-Cylinder
213861
7
Gasket-Cylinder Hd.
272200
8
Breather Assy
494489
9
Gasket-Breather
272481
10
Schraube
94650
11
Tube-Breather
231685
12
Gasket-Crankcase
272198
13
Screw-Cylinder Hd.
94547
15
Plug-OII Drain
94613
16
*** keine Bezeichnung vorhanden
493282
18
Oelwanne
493279
20
Seal-Oil
399781
22
Screw-Sump Mtg. Sem
94220
23
Flywheel-Magneto
492177
24
Key-Flywheel
222698
25
Kolben Mit Ringen
493262
25
Kolben Mit Ringen 010
493385
25
Piston Assy.-.020 O.S. 21 _8530010 1 20900 Piston Assy.-.020 O.S.
493386
25
Piston Assy.-.030 O.S. 22 _8530010 1 20900 Piston Assy.-.030 O.S.
493387
26
Kolbenringe
493261
26
Kolbenringe 010
493388
26
Kolbenringe
493389
26
Ring Set-.030 O.S. Piston 26 _8530010 1 20900 Ring Set-.030 O.S. Piston
493390
27
Kolbenbolzensicherung
26026
28
Kolbenbolzen
298909
28
Pin Assy., Piston, .005 O.S. 41 0811A012 1 62912 Pin Assy., Piston, .005 O.S.
298908
29
Pleuel
490566
33
Valve-Exhaust
262651
35
Ventilfeder
262224
37
Guard-Flywheel
224511
59
Griffeinsatz
396892
60
Startergriff top
393152
65
*** keine Bezeichnung vorhanden
94696
69
Scheibe
280973
98
Schraube
398185
118
Duese
493765
Pos.
Bezeichnung
Ersatzteilnummer
9A
Dichtung
272238
32
Screw-Connecting Rod
94405
34
Valve-Intake
262652
38
Screw-Blower Housing Mtg
94608
40
Ventilteller
93312
45
Tappet-Valve
262204
46
Nockenwelle
492828
47
Oil Slinger Gear and Brkt.
493737
52
Gasket-Intake Elbow
272199
54
Screw-Intake Elbow Mtg.
94526
55
Startergehaeuse
492831
56
Seilscheibe top
493824
57
Spring-Rewind Starter
262594
58
Rope-Rewind Starter (Cut To 88-5/8) 58 81 _8530012 1 20900 Rope-Rewind Starter (Cut To 88-5/8)
280399
69A
Scheibe
224322
188
Screw-Tank Mounting (Includes Washer)
398540
209
*** keine Bezeichnung vorhanden
262666
227
Lever Assembly-Governor
492349
230
Washer-Governor Crank
67072
265
*** keine Bezeichnung vorhanden
213146
265A
*** keine Bezeichnung vorhanden
22372
267
Screw-Clamp Mtg.
94204
284
Screw-Hex Head
94511
304
Lueftergehaeuse
493294
305
Screw-Hex Head Sem
94513
307
Screw-Hex Head
94515
324
Lueftersieb
224251
332
Nut-Flywheel
92284
337
Zuendkerze
802592
333
Armature-Magneto
802574
363
Schwungradabzieher
19069
377
*** keine Bezeichnung vorhanden
94329
383
Wrench-Spark Plug
89838
455
Starterglocke
224250
456
Retainer-Rewind-Starter
224321
459
Starterklinke Mit Feder
492833
461
Pin-Starter
262626
515
Feder
262625
523
Cap with Dipstick-Oil Filler
493950
524
Seal-Filler Tube
280393
525
Tube-Oil Filler
493952
562
Bolzen
92613
572
Baffle-Cylinder
224328
592
Mutter
231082
608
Starter Assy.-Rewind
493295
615
Pushnut (Governor Crank)
94474
616
Crank-Governor
262578
645
Tube-Fuel Intake
492717
635
Elbow-Spark Plug
66538
670
Spacer-Fuel Tank
280512
741
Zahnrad
262598
842
O.RING17X2,5 B&S
280966
847
Oil Fill Tube and Dipstick Assy.
493459
851
Terminal-Ignition Cable
221798
869
Seat-Intake Valve (Standard)
213512
870
Seat-Exhaust Valve (Standard)
213513
871
Buechse
262001
946
*** keine Bezeichnung vorhanden
396526
946A
*** keine Bezeichnung vorhanden
223294
949
Guard-Finger
281136
957
TANKVERSCHL. 546
397974
967
LUFTFILTER 133X114X19
491588
972
*** keine Bezeichnung vorhanden
494213
1016
Deckel
224278
Pos.
Bezeichnung
Ersatzteilnummer
81
Lock-Muffler Screw
223664
95
Schraube
94098
98A
Screw Assy.-Speed Adj.
493280
104
Pin-Float Hinge
231371
108
Valve-Choke
223471
121
Carburetor Overhaul Kit
493762
124
Schraube
94525
125
Vergaser
494216
130
Drosselklappen
223470
131
Welle
493267
133
SCHWIMMER
398187
134
Nadelventil
398188
141
Welle
494218
163
Dichtung (10) top
272296
187
Hose-Fuel (Cut To Suit)
492790
188A
Screw-Hex. Head
94644
201
Link-Governor
262579
258
Screw-Hex. Head
94512
268
*** keine Bezeichnung vorhanden
65616
269
*** keine Bezeichnung vorhanden
26633
270
*** keine Bezeichnung vorhanden
63426
271
*** keine Bezeichnung vorhanden
290568
300
Muffler-Exhaust
490547
346
Screw-Hex. Head
94602
346A
Schraube
93705
358
Gasket Set
493263
423
Screw-Sem
93758
447
*** keine Bezeichnung vorhanden
93801
529
Grommet-Breather
280943
601
Schlauchklemme (10)
93807
605
*** keine Bezeichnung vorhanden
224509
613
Screw-Muffler Mtg.
94231
617
Seal-Fuel Intake Tube
270344
618
Spring-Choke Return
262749
621
Switch-Stop
396847
620
Vergaserhalter
493894
670A
*** keine Bezeichnung vorhanden
493821
676
*** keine Bezeichnung vorhanden
397931
832
Auspuffschutzgitter
494224
922
Spring-Brake
262640
923
*** keine Bezeichnung vorhanden
492918
925
*** keine Bezeichnung vorhanden
281145
935
*** keine Bezeichnung vorhanden
398758
955
Schraube
493763
958
*** keine Bezeichnung vorhanden
493960
966
*** keine Bezeichnung vorhanden
494735
968
Cover-Air Cleaner
281069
969
*** keine Bezeichnung vorhanden
94173
971
Schraube
94269
971A
Screw-Backplate to Carburetor
94121
975
Schwimmerkappe Kpl.
493640
977
Gasket Set-Carburetor
490937
Gebrauchsanweisungen
Toro
Roth / TORO
Aufsitzmäher
Handgeräte
Kehrmaschinen
Schneefräsen
Sauger/Bläser
Rasenmäher
Grasfangvorrichtungen
4-Takt Radantrieb
4-Takt
486/20904 BC
486/20903 B
486/20902 B
486/20901 B
486/20900
478
476
350000
340000
330000
320000
310000
300000
290000
280000
270000
260000
Motor B&S
Mäher (komplett)
250000
455/20803
455/20803 B
455/20802 BC
455/20801 B
452
438
433
423
414/20814
414/20805
412
411
408
400
2-Takt Radantrieb
2-Takt
Elektro
Akku
Robin
Impressum
(C) by motoruf