Zurück zu
>
Roth / TORO
>
Aufsitzmäher
>
Traktor
>
13-32 XLE
>
390/71209
>
210000001
>
Motor B&S (Modell 28M707-1122-E1
Ersatzteillisten für Toro Roth / TORO Motor B&S (Modell 28M707-1122-E1
Ersatzteilliste 1
Ersatzteilliste 2
Ersatzteilliste 3
Ersatzteilliste 4
Ersatzteilliste 5
Ersatzteilliste 6
Ersatzteilliste 7
Ersatzteilliste 8
Ersatzteilliste 9
Pos.
Bezeichnung
Ersatzteilnummer
Ring Set-Piston-.020 O.S. 25 1_366010 1 38160 Ring Set-Piston-.020 O.S.
391782
Ring Set-Piston-.030 O.S. 26 1_366010 1 38160 Ring Set-Piston-.030 O.S.
391783
Gasket-Crkcse Cover, 1/64 Thick 12 10 _8790030 1 S2-12B502 Gasket-Crkcse Cover, 1/64 Thick
271916
Piston Assy. (.030 O.S.) 56 _7690023 1 71201 Piston Assy. (.030 O.S.)
499294
Connecting Rod (020 U.S. Crankpin Bore) 60 5834A025 1 71140 Connecting Rod (020 U.S. Crankpin Bore)
490469
Piston Assy. (.020 O.S.) 55 _7690023 1 71201 Piston Assy. (.020 O.S.)
499290
Piston Assy. (.010 O.S.) 54 _7690023 1 71201 Piston Assy. (.010 O.S.)
499286
Pos.
Bezeichnung
Ersatzteilnummer
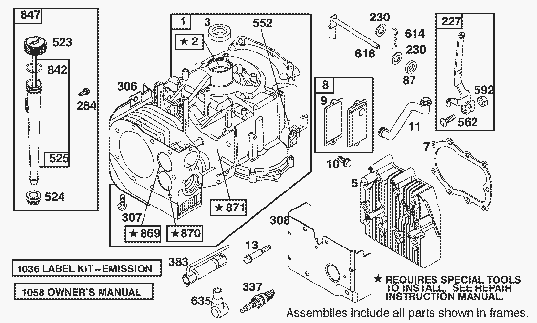
1
Zylinder
496413
2
Sieb
399265
3
Seal-Oil
391086
5
Zylinderkopf
494240
7
Gasket-Cylinder Head
271866
8
Entluefter
495735
9
Dichtung t
27803
10
Schraube
94621
11
Entluefterrohr
280100
13
Schraube
94622
87
Dichtring
491323
227
Reglerhebel
493935
230
Scheibe
94927
284
Screw-Shoulder
94903
306
Shield-Cylinder
224545
307
Screw-Hex. Head
94930
308
Cover-Cylinder Head
491490
337
Zuendkerze
802592
383
Wrench-Spark Plug
89838
523
Cap and Dipstick Oil Filler
495230
524
Seal-Filler Tube
281370
525
Rohr F. Oelmeástab
496113
552
Buechse
491986
562
Schraube
94907
592
Mutter
231978
614
Splint
93306
616
Reglerhebel
495157
635
Elbow-Spark Plug
66538
842
Seal-Oil Filler Cap
270920
847
Oeleinfuellrohr
496415
869
Einlassventil
261463
870
Seat-Exhaust Valve
262924
871
Ventilfuehrung
261961
1036
Label Kit-Emission
499362
1058
Owner s Manual
273681
Pos.
Bezeichnung
Ersatzteilnummer
16
Crankshaft
498971
24
Key-Flywheel
222698
43
Reglerrad
490815
46
Nockenwelle
212897
146
Keil
94196
741
Gear-Timing
262932
757
Link-Counterweight
213998
758
Counterweight Assy.
399891
759
Pin-Counterweight
230787
761
Screw-Counterweight
94593
Pos.
Bezeichnung
Ersatzteilnummer
4
Oelwanne Incl.Dicht.+Wedi
494238
Dichtung - 009
271996
15
Plug-Oil Drain
94239
20
Seal-Oil
291675
22
Screw-Base Mtg. Sem
94624
25
Kolben
499282
26
Ringsatz
391780
Kolbenringsatz 010
391781
27
Bolzensicherung
263129
28
Kolbenbolzen
498319
Kolbenbolzen
498320
29
Pleuelstange
490348
32
Screw-Connecting Rod
94671
33
Valve-Exhaust
262246
34
Valve-Intake
262247
35
Ventilfeder
65906
36
Spring-Exhaust Valve
26828
40
Retainer-Intake Valve
221596
41
Drehkappe
292260
42
Halter
494553
45
Ventilstoessel
262248
Pos.
Bezeichnung
Ersatzteilnummer
50
Carburetor-Elbow
213819
51
Gasket-Carb (Carb to Elbow)
272465
51
Gasket-Carburetor Mtg.
272554
53
Stud-Carb Mtg
94637
93
Bushing-Throttle
281346
94
Duese
498030
95
Schraube
94098
98
Duese
495800
104
Pin-Float Hinge
231789
105
Valve Assy.-Inlet Needle
231855
106
Inlet Valve Seat
231854
108
*** keine Bezeichnung vorhanden
224667
108
Duese
224540
123
Schraube
94913
125
Vergaser
498027
127
130
Valve-Throttle
224539
131
Drosselwelle
494379
133
Schwimmer
494381
137
Gasket-Float Bowl
281165
138
Washer-Float Bowl Screw
281164
141
Chokewelle M. Klappe
495097
141
Chokehebel
495931
142
Duesenstock
497566
Duese
497567
186
Elbow-Fuel Pipe
493496
187
Line-Fuel
298049
240
Filter-Fuel (In Fuel Line)
394358
601
Klammer
93053
618
Feder
262803
634
Dichtring
494453
634
*** keine Bezeichnung vorhanden
494455
950
Screw-Fuel Bowl
94642
965
Stopmutter
94010
975
Bowl Assy-Carb
494378
987
Dichtung
281166
1091
Anschlagkappe
281364
Pos.
Bezeichnung
Ersatzteilnummer
171
Nut-Air Cleaner Mtg
281051
224
*** keine Bezeichnung vorhanden
94905
284
Screw Hex. Head
94704
445
LUFTFILTER B+S 570
496894
467
Knob-Air Cleaner
493903
535
Element-Air Cleaner
272403
537
O-Ring
281106
646
Brace-Air Cleaner
224546
663
Screw-Clamp Mtg.
94620
872
Cover-Air Cleaner
281361
875
Body-Air Cleaner
494237
Pos.
Bezeichnung
Ersatzteilnummer
201
Link-Governor
262767
209
Spring-Governor
260871
216
Gestaenge
262766
222
Plate-Governor Control
495611
232
Feder
262785
265
Clamp, Casing
221535
333
Zuendanlage
492341
334
Screw-Armature Mounting
94731
356
Wire-Ground
494328
474
Stator-Alternator (Dual Circuit)
393474
482
Screw-Sem
93621
657
Schraube
94906
663
Screw-Hex. Hd.
94929
851
Terminal-Ignition Cable
493880
877
Diode
393456
Pos.
Bezeichnung
Ersatzteilnummer
23
Schwungrad
492326
37
Guard-Flywheel
224502
73
Schutzgitter
224948
75
Washer-Flat
225136
78
Screw
94626
188
Schraube
94627
304
Housing-Blower
496431
305
Screw-Hex. Washer Hd.
94786
346
Screw-Hex. Head
94896
363
Puller-Flywheel(Optional Accessory)
19203
455
Mitnehmer
222561
668
Spacer
280848
726
Gear-Flywheel Ring (Includes Mounting Parts)
392134
727
Starterdeckel
490324
729
Clip-Relief
281159
1005
Fan-Flywheel
281400
1006
Mitnehmerblech
224413
1044
Screw-Hex. Head
94673
Pos.
Bezeichnung
Ersatzteilnummer
110
Washer-Flat
225137
309
Startermotor
497595
310
Bolt
94003
311
Kohlensatz
497608
503
Strap-Starter
806000
510
Starterritzel
497606
544
Starteranker
497603
592
Nut-Hex.
92278
615
Retainer
263080
728
Screw-Sternantriebê
94951
729
Clip-Wire
225170
783
Gear
280104
801
Deckel
394856
802
Plate-Cover
497607
803
Housing-Starter
497604
1090
Cap-End
497605
Pos.
Bezeichnung
Ersatzteilnummer
Dichtung - 005
271997
121
Vergaser-Reparatursatz
499220
142
Nozzle-Carburetor
494566
358
Dichtungssatz
494241
977
Dichtungs-Satz
494385
1095
Dichtungssatz
498539
Gebrauchsanweisungen
Toro
Roth / TORO
Aufsitzmäher
Traktor
264-6
246 HE
244-5
212-H
212-5
17-44 HXLE
16-44 HXL
16-38 HXL
16-38 XLE
15-44 HXL
15-38 HXL
14-38 HXL
14-38 XL
13-38 HXL
13-38 XL
13-32 XLE
390/71209
220010001
210000001
Motor B&S (Modell 28M707-1122-E1
Peerlesss Getriebeachse Modell MST 205-509
Motor
Elektrik
Schnitthöhe
32 Gehäuse, Messer, Antrieb & Bremse 32 Deck Blade Drive & Braking Components
32 Gehäuse 32 Deck Components
5-Gang Getriebeachse
Verstellung
Antriebskupplung
Motoren
Lenkung
Lenkung
Heckteil & Sitz
Haube & Säule
Rahmen & Rahmen
200000001
9900001
12-38 HXL
12-38 XL
12-32 XL
264 H
265 H
267 H
268 H
270 H
520 xi
520 Lxi
523 Dxi
Rider
Mähwerke
Zubehör
Handgeräte
Robin
Impressum
(C) by motoruf