Zurück zu
>
Roth / TORO
>
Aufsitzmäher
>
Traktor
>
212-H
>
303/R2-12OE02
>
2000001
>
Motor Ölwanne & Pumpe
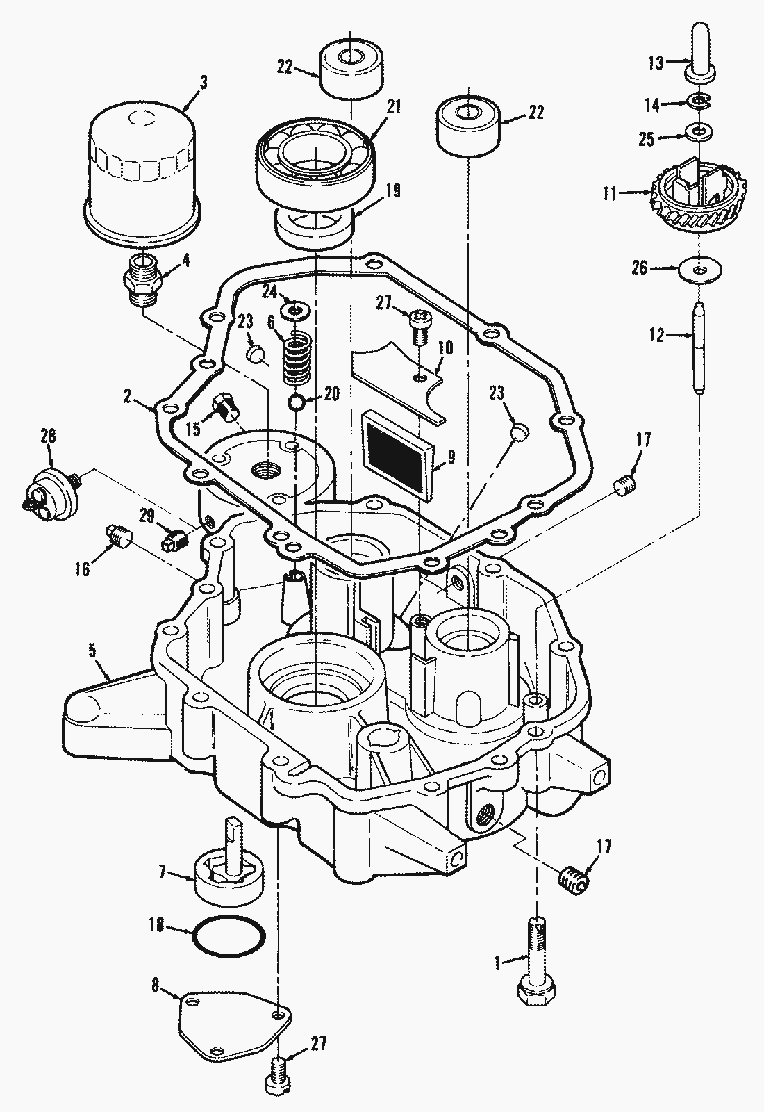
Ersatzteillisten für Toro Roth / TORO Motor Ölwanne & Pumpe
Pos.
Bezeichnung
Ersatzteilnummer
1
Bolt
NN10680
2
Gasket-Oil Base
NN10681
3
Oelfilter
NN10684
4
Adapter-Oil Filter
NN10685
5
Base-Oil
NN10675
6
Feder
59-0280
7
Pump-Oil
NN10572
8
Cover-Oil Pump
NN10573
9
Screen-Oil Pickup
NN10577
10
Cover-Screen
NN10578
11
Reglerzahnrad 150-2272
NN10636
12
Shaft-Governor
NN10637
13
Sleeve-Governor
NN10638
14
Stop-Governor
NN10639
15
Plug-Pipe
NN10687
16
Kontrollstopfen
82-1130
17
Plug-Pipe
NN10686
18
O-Ring 509-0253
NN10575
19
Simmerring 509-0258
NN10569
20
Ball-Steel
NN10534
21
Kugellager 510-0161
NN10677
22
Bearing-Ball
NN10678
23
Plug
59-0760
24
Ring-Retaining
NN10539
25
Washer-Flat
NN10628
26
Washer-Flat
NN10629
27
Screw-Sternantrieb Pan Hd.
NN10868
28
Switch-Oil Pressure
NN10813
29
Plug-Pipe
NN10798
Gebrauchsanweisungen
Toro
Roth / TORO
Aufsitzmäher
Traktor
264-6
246 HE
244-5
212-H
303/R2-12OE02
2000001
Schilder & Verschiedenes
Motor Vergaser
Motor Starter
Motor Schwungrad & Abdeckung
Motor Regler Gestänge & Abdeckung
Motor Luftfilter
Motor Zündung
Motor Zylinderkopf & Ventile
Motor Ölwanne & Pumpe
Motor Kurbelwelle & Nockenwelle
Motor Zylinderblock
Motor & Auspuff
Motor-Riemenscheibe & Zapfwellenkupplung
Bremse & Spannrolle (212-H)
Getriebegestänge (212-H)
Bürsten Zapfwelle (212-H)
Getriebe (210-H & 212-H)
Bremse & Spannrolle (212-5)
Bürsten Zapfwelle (212-5)
Peerless Getriebe Modell-Nr. 930-020* (212-5)
Getriebe (212-5)
Rad & Reifen
Vorderachse & Lenkung
Elektrik
Rahmen
Sitz
Rahmen
303/R2-12OE01
212-5
17-44 HXLE
16-44 HXL
16-38 HXL
16-38 XLE
15-44 HXL
15-38 HXL
14-38 HXL
14-38 XL
13-38 HXL
13-38 XL
13-32 XLE
12-38 HXL
12-38 XL
12-32 XL
264 H
265 H
267 H
268 H
270 H
520 xi
520 Lxi
523 Dxi
Rider
Mähwerke
Zubehör
Handgeräte
Robin
Impressum
(C) by motoruf