| Pos. | Bezeichnung | Ersatzteilnummer | |
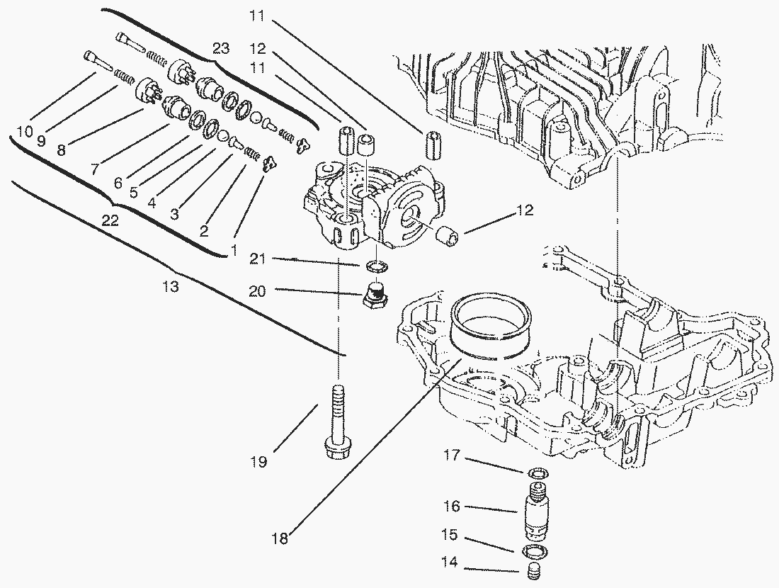
| 1 | Holder-Bypass (Only On: 72083, 72043, 72103, 72063) | 93-0461 |
| 2 | | |
| 3 | | |
| 4 | | |
| 5 | Dichtung | 93-0465 |
| 6 | Dichtung | 93-0466 |
| 7 | | |
| 8 | | |
| 9 | | |
| 10 | | |
| 11 | Pin-Knock (Only On: 72083, 72043, 72103, 72063) | 93-0471 |
| 12 | Buechse | 93-0472 |
| 13 | Case INC 11-12 & 20-23 (Only On: 72083, 72043) | 93-0484 |
| 14 | Plug (Only On: 72083, 72043, 72103, 72063) | 93-0474 |
| 15 | Scheibensatz | 93-0475 |
| 16 | Kupplung | 93-0476 |
| 17 | O-Ring | 93-0481 |
| 18 | Hydraulikfilter | 93-0478 |
| 19 | Bolt (Only On: 72083, 72043, 72103, 72063) | 93-0479 |
| 20 | Stopfen | 93-0480 |
| 21 | O-Ring | 93-0481 |
| 22 | Hydraulikventil | 93-0482 |
| 23 | Hydraulikventil | 93-0483 |