Zurück zu
>
Roth / TORO
>
Aufsitzmäher
>
Traktor
>
12-32 XL
>
390/71201
>
6900001
>
Lenkung
Ersatzteillisten für Toro Roth / TORO Lenkung
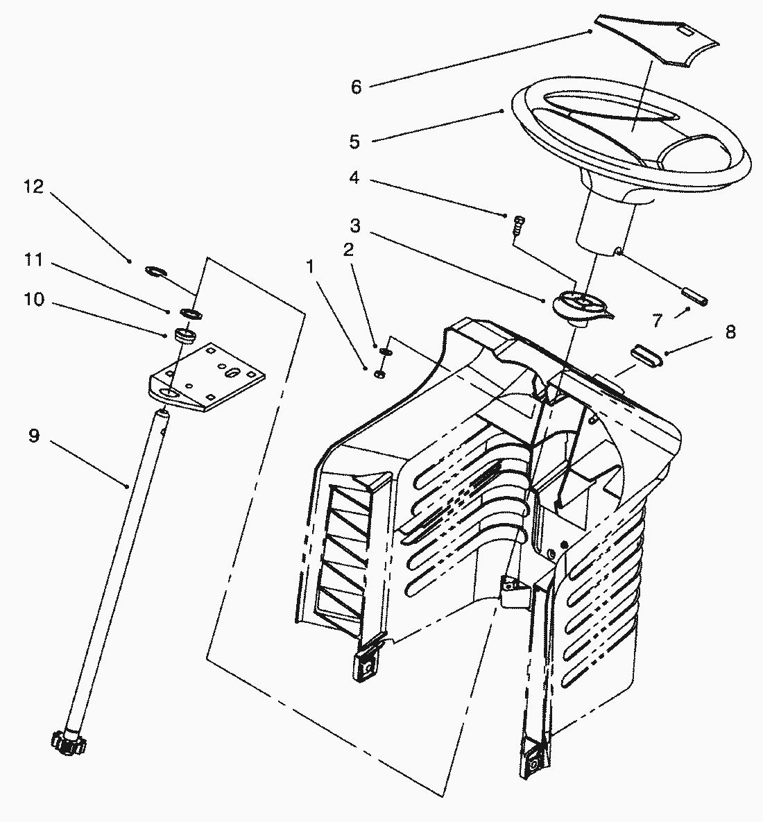
Pos.
Bezeichnung
Ersatzteilnummer
Wheel-Steering (Incl. Ref.
88-3850
Pos.
Bezeichnung
Ersatzteilnummer
1
MUTTER
3296-42
2
scheibe
3256-22
3
Buechse
88-4190
4
Schraube
321-4
6
Lenkungsabdeckung
88-3870
7
Spannstift
32121-111
8
Stopfen
88-4150
9
Lenkwelle
88-6380
10
Buechse
88-5150
11
Scheibe
3-6498
12
Seegerring
32151-48
Gebrauchsanweisungen
Toro
Roth / TORO
Aufsitzmäher
Traktor
264-6
246 HE
244-5
212-H
212-5
17-44 HXLE
16-44 HXL
16-38 HXL
16-38 XLE
15-44 HXL
15-38 HXL
14-38 HXL
14-38 XL
13-38 HXL
13-38 XL
13-32 XLE
12-38 HXL
12-38 XL
12-32 XL
390/71201
8900001
7900001
6900001
Peerlesss Getriebeachse Modell MST 205-509
B&S (Modell 282707-0119-01)
Motor B&S (Modell 282707-0119-01)
Motor B&S (Modell 283707-0156-01)
Spindel & Messer
Riemenscheibe & Riemen (32 Schneideinheit) Pulley & Belt Assy. (32 Cutting Unit)
Gehäuse (32 Schneideinheit) Deck Assy. (32 Cutting Unit)
Schnitthöhe
Getriebeachse
Elektrik
Verstellung
Kupplung
Motor
Lenkung
Vorderachse
Sitz
Haube
Rahmen
390/71200
264 H
265 H
267 H
268 H
270 H
520 xi
520 Lxi
523 Dxi
Rider
Mähwerke
Zubehör
Handgeräte
Robin
Impressum
(C) by motoruf