Zurück zu
>
Roth / TORO
>
Handgeräte
>
Rasenmäher
>
4-Takt Radantrieb
>
416/20828
>
210001001
>
Getriebegehäuse & Antrieb
Ersatzteillisten für Toro Roth / TORO Getriebegehäuse & Antrieb
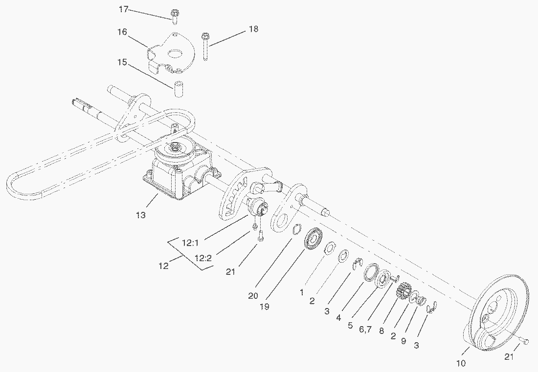
Pos.
Bezeichnung
Ersatzteilnummer
1
Druckscheibe
65-4730
2
Druckscheibe
65-4740
3
Sicherungsring
65-2720
4
Gummiring
65-4710
5
Kupplungsscheibe
65-4760
6
Freilaufsperre Re.
66-6040
7
Freilaufsperre Li.
66-6050
8
Antriebsritzel
65-4750
9
Feder
65-4720
10
Radabdeckung Innen
100-1513
12
Flanschbuechse
100-9118
121
Buechse
99-6463
122
Schmiernippel
302-56
13
Getriebe Kompl.
104-7593
15
Bushing-Plate, Actuator
614673
16
Getriebefuehrung
100-1524-03
17
Schraube
49-2040
18
Schraube
92-1616
19
Schutzring
100-1511
20
Dichtring
100-1515
21
Schraube
32144-1
Gebrauchsanweisungen
Toro
Roth / TORO
Aufsitzmäher
Handgeräte
Kehrmaschinen
Schneefräsen
Sauger/Bläser
Rasenmäher
Grasfangvorrichtungen
4-Takt Radantrieb
498/26638
498/26633
498/26633 B
498/26631 B
496/26639
496/26636
496/26636 B
496/26635 BC
496/26625 BG
495/26637
495/26632
495/26632 B
495/26630 BC
495/26630 BG
495/26620 BG
494/20784
494/20791
493/20783
493/20789
492/20787
492/20778
491/20786
491/20777
491/20328 B
490/20327 B
489/20927 B
489/20926 B
489/20925
488/20920
487/20914
487/20909 BC
487/20905
479
477
469
465/20781
465/20779
464
459/20824
459/20821
459/20821 B
459/20820 BC
458/20823
458/20822
457
456/20808
456/20808 B
456/20807 BC
456/20806 B
455/20803
455/20803 B
455/20802 BC
455/20801 B
453
449
439
437/22173
437/22157
437/22154
437/22154 B
437/22153 BC
434
424
421/20652
417/20832
417/20829
417/20827
416/20831
416/20828
210001001
Dichtungssatz
Starter
Schwungrad
Kraftstofftank
Luftfilter & Auspuff
Regler
Vergaser Reparatur-Satz
Kurbelgehäuse & Kurbelwelle
Zylinderkopf
Zylinder
Getriebegehäuse Nr. 104-7593
Getriebegehäuse & Antrieb
Heckfangsystem
Holm (Antrieb)
Höhenverstellung & Rad
Motor und Messer
Gehäuse, Kicker & Recycler Stopfen
210000001
416/20826
415/20817
415/20811
4-Takt
2-Takt Radantrieb
2-Takt
Elektro
Akku
Robin
Impressum
(C) by motoruf