Zurück zu
>
Roth / TORO
>
Aufsitzmäher
>
Rider
>
110-4E
>
300/R3-10B404
>
39000001
>
Getriebe
Ersatzteillisten für Toro Roth / TORO Getriebe
Pos.
Bezeichnung
Ersatzteilnummer
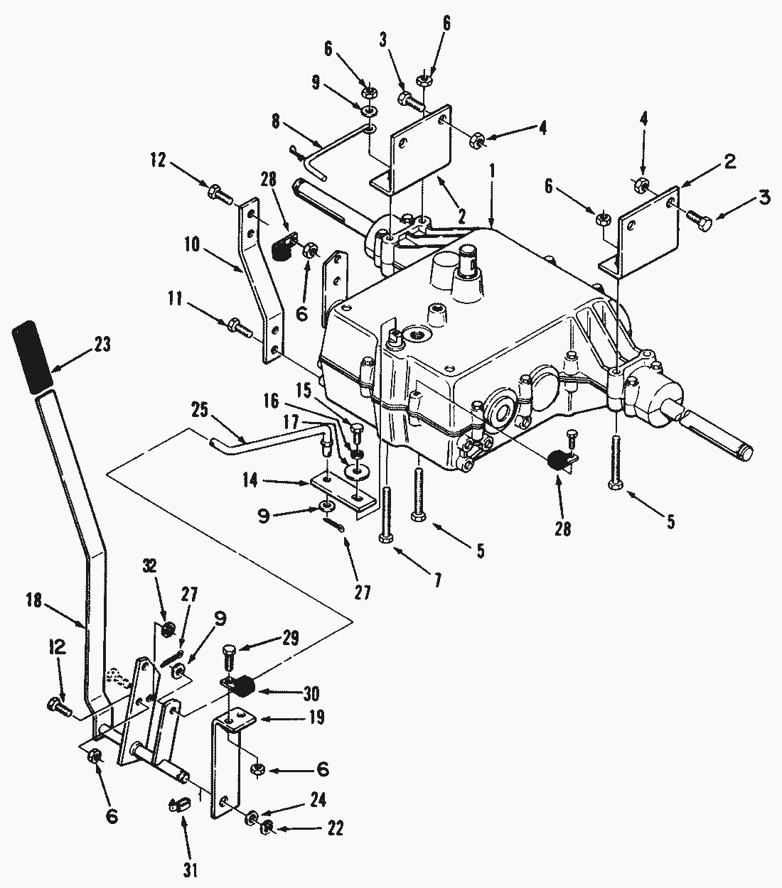
1
Getriebe
78-5770
Transmission Peerless (930-019) 112-6
78-5760
2
Bracket-Rear Axle
110326
3
Bolt
913183
4
Mutter
3296-39
5
Schraube
322-12
6
MUTTER
3296-29
7
Schraube
322-13
8
Rod-Brake Stop
110848
9
Scheibe
3256-23
10
Strap-Torque
112138
11
Bolt-Swage Form Hex
926496
12
Schraube
322-3
14
Platte
110330
15
Schraube
329-5
16
Federring
3253-3
17
Scheibe
104869
18
Lever-Shift
111109
19
Support-Shift
111106
22
Ring
32120-47
23
Grip
102597
24
Washer-Special
920259
25
Gestaenge
112128
27
Splint
3272-6
28
Clip-J
111357
29
Bolt
913160
30
Clip-J
111392
31
Clip
519337
32
Washer-Lock ITLW
32542
Gebrauchsanweisungen
Toro
Roth / TORO
Aufsitzmäher
Traktor
Rider
HMR 1600
12-32 E
12-32
11-32
10-32 E
8-25
110-4E
300/R3-10B404
39000001
Motor B&S (Modell 286707-0118-01)
Motor B&S (Modell 2867707-0118-01)
Starter (B&S 286707-0118-01)
Starter (B&S 257707-0127-01)
Motor B&S (Modell 257707-0127-01)
Spindel, Riemenscheiben & Antriebsriemen
Mähergehäuse & Frontanbau
Sitz & Aufhängung
Schilder & Verschiedenes
Zapfwellenkupplung, Riemenscheiben & Betätigung
Rad &Reifen
Antriebsriemen & Riemenscheibe
Elektrik
Motor
Kraftstoff
Blech
Kupplung & Bremse Gestänge
Vorderachse & Lenkung
Rahmen
Getriebe
2000001
110-4
Mähwerke
Zubehör
Handgeräte
Robin
Impressum
(C) by motoruf