Zurück zu
motoruf
Warenkorb

Ersatzteillisten für Toro Roth / TORO Bremssicherung




Ersatzteilliste


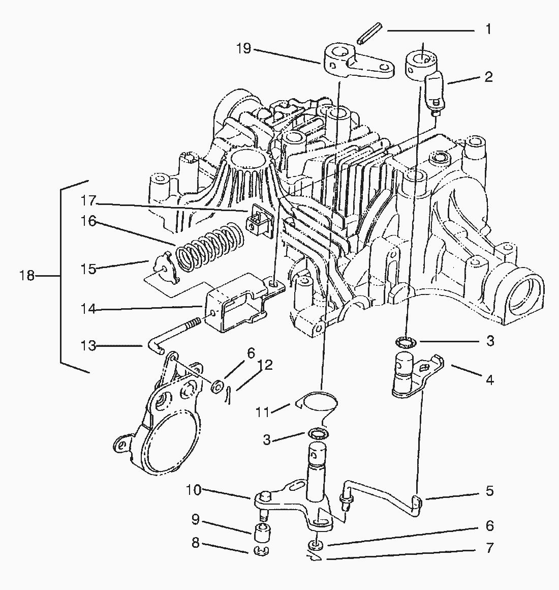
Pos.BezeichnungErsatzteilnummer
1Spannstift93-0411
2Schaltarm93-0433
3Packing (Only On: 72083, 72043, 72103, 72063)93-0418
4Schaltarm93-0432
5Bremsgestaenge93-0431
6Scheibe93-0435
7Pin-Snap (Only On: 72083, 72043, 72103, 72063)93-0434
8Sicherungsring93-0410
9Buechse93-0421
10Bremswelle93-0430
11Bremsfeder93-0422
12Splint93-0412
13Bolzen93-0428
14Holder-Spring (Only On: 72083, 72043, 72103, 72063)93-0426
15Federfuehrung93-0425
16Feder93-0427
17Federfuehrung93-0424
18Rod ASM INC 13-17 (Only On: 72083, 72043, 72103, 72063)93-0423
19Bremsarm93-0429
Gebrauchsanweisungen
Toro
Impressum
(C) by motoruf