Zurück zu
AS-Motor
>
Samix Gartenhäcksler
>
Rapido S-E2.4/2+S-E2.5/2
>
bis FNr.15704101300 bzw. 15804102001
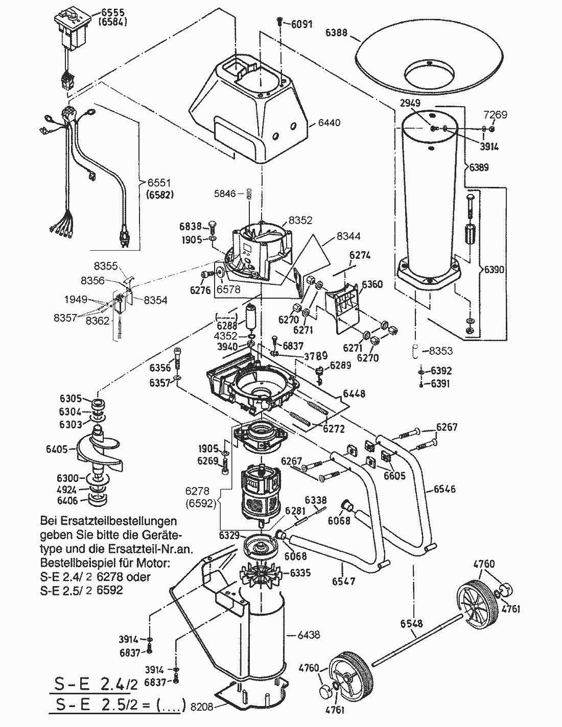
Ersatzteillisten für AS Motor Samix Gartenhäcksler bis FNr.15704101300 bzw. 15804102001
Pos.
Bezeichnung
Ersatzteilnummer
1905
SCHEIBE
E01905
1949
SCHEIBE
E01949
2949
SECHSKANTSCHRAUBE
E02949
3789
ZAHNSCHEIBE
E03789
3914
SCHEIBE
E03914
3940
6KT.MUTTER
E03940
4352
ZAHNSCHEIBE
E04352
4760
LAUFRAD
E04760
4761
WELLENSICHERUNG
E04761
4924
PASSSCHEIBE
E04924
5846
Druckfeder
E05846
6068
LAMELLENSTOPFEN
E06068
6091
SENKSCHRAUBE
E06091
6267
SENKSCHRAUBE
E06267
6269
ZYLINDERSCHRAUBE
E06269
6270
SECHSKANTMUTTER
E06270
6271
KEGELPFANNE
E06271
6272
GEWINDESTIFT
E06272
6274
FEDERSTAB
E06274
6276
Zylinderschraube
E06276
6278
MOTOR+GETRIEBE+SCHALTPLAN S-E 2.4+2.4/2
E06278
6281
SPANNSTIFT
E06281
6288
KONDENSATOR
E06288
6289
ZUGENTLASTUNG
E06289
6300
DECKSCHEIBE
E06300
6303
DECKSCHEIBE
E06303
6304
Paßscheibe
E06304
6305
RILLENKUGELLAGER
E06305
6329
SCHWUNGSCHEIBE
E06329
6335
VENTILATOR
E06335
6338
SPANNSTIFT
E06338
6356
ZYL.SCHR.M.INNENSECHSKANT
E06356
6357
FEDERRING
E06357
6360
STELLBACKEN
E06360
6388
TRICHTER RAPIDO
E06388
6389
ZUFÜHRROHR VOLLST.
E06389
6390
STERNGRIFF VOLLST.
E06390
6391
PLASTITE-SCHRAUBE
E06391
6392
SCHEIBE
E06392
6405
MESSERWENDEL KOMPL.
E06405
6406
RILLENKUGELLAGER
E06406
6438
KÜHLLUFTGEHÄUSE
E06438
6440
VERKLEIDUNG
E06440
6448
AUSWURFGEHÄUSE VOLLST.
E06448
6546
STANDBEIN VOLLST.RECHTS
E06546
6547
STANDBEIN VOLLST.LINKS
E06547
6548
RADACHSE
E06548
6551
KABELSATZ S-E2.4+S-E2.4/2
E06551
6555
SCHALTER KOMPL. S-E2.4+S-E2.4/2
E06555
6578
HÜLSE 3,5 LG.
E06578
6582
KABELSATZ S-E2.5+S-E2.5/2
E06582
6584
SCHALTER KOMPL. S-E2.5+S-E2.5/2
E06584
6592
MOTOR+GETRIEBE+SCHALTPLAN S-E 2.5+2.5/2
E06592
6605
EINPRESSMUTTER
E06605
6837
SECHSKANTSCHRAUBE
E06837
6838
SECHSKANTSCHRAUBE
E06838
7269
SECHSKANTMUTTER
E07269
8208
BODEN
E08208
8344
GEGENHALTER + 2 HÜLSEN
E08344
8352
MESSERGEHÄUSE
E08352
8353
SCHALTBOLZEN RAPIDO
E08353
8354
WIPPENHALTER
E08354
8355
SCHALTWIPPE
E08355
8356
ZYLINDERSTIFT
E08356
8357
ZYLINDERSCHRAUBE
E08357
8362
ENDSCHALTER M.KABEL S-E2.4/2+S-E2.5/2
E08362
Gebrauchsanweisungen
AS Motor
AS Batterierasenmäher
AS 45 Ausputzmäher
AS 46 Variomat
AS 45 Universal
AS 53 Standard
AS 53 Allrad
AS 55 Heckauswurf
AS 550 Heckauswurf
AS Allmäher
AS Enduro
AS Schlegelmäher
AS Mulchmeister
AS Aufsitzmäher
Samix Gartenhäcksler
Junior S-E 1.9
Junior S-E 2.0/2.6
Junior S-E 2.0/2 + S-E 2.6/2
Rapido S-E 2.4/2.5
Rapido S-E2.4/2+S-E2.5/2
bis FNr.15704101300 bzw. 15804102001
ab FNr.15704303001 bzw 15804303001
Rapido S-B/4T
Rapido S-B4T/2
Super S-E3/E4/B6
Super S-E 3/2
Super S-E 3.7/2
Super SB 7/SE4.7
Super S-B7/2 + S-E4.7/2
AS Wildkraut-Hex
Verschleissteile
Impressum
(C) by motoruf