Zurück zu
AS-Motor
>
AS Enduro
>
AS 27/2 Enduro
>
HRB
Ersatzteillisten für AS Motor AS Enduro HRB
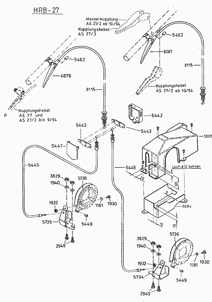
Pos.
Bezeichnung
Ersatzteilnummer
1181
SCHEIBE
E01181
1930
SECHSKANTSCHRAUBE
E01930
1932
SECHSKANTMUTTER
E01932
1940
SCHEIBE
E01940
2949
SECHSKANTSCHRAUBE
E02949
3829
SECHSKANTMUTTER
E03829
4679
HEBEL M.KLINKE BREITER SCHELLE
E04679
5442
BREMSVERTEILER GEHÄUSE
E05442
5443
BREMSHEBEL
E05443
5445
ZUG F. HINTERRADBREMSE KURZ
E05445
5447
BREMSVERTEILER DECKEL
E05447
5449
QUERNIPPEL
E05449
5462
ZENTRIERHÜLSE
E05462
5684
GETRIEBEUMRANDUNG
E05684
5685
ERSETZT DURCH E06163
E05685
5734
BREMSBANDHALTEWINKEL RECHTS
E05734
5735
BREMSBANDHALTEWINKEL LI.ORANGE
E05735
5736
BREMSBAND HRB-AS27 U.HRB-AS22
E05736
6087
HEBEL M.KLINKE SCHMALE SCHELLE
E06087
6115
ZUG F.HINTERRADBREMSE LANG
E06115
Gebrauchsanweisungen
AS Motor
AS Batterierasenmäher
AS 45 Ausputzmäher
AS 46 Variomat
AS 45 Universal
AS 53 Standard
AS 53 Allrad
AS 55 Heckauswurf
AS 550 Heckauswurf
AS Allmäher
AS Enduro
AS 22 Enduro
AS 22/3 Enduro
AS 27/2 Enduro
Gehäuse
Antriebsachse
Antriebsblock
Grundmotor
Luftfilter / Starter
Messer
Holm
Vorderrad
Vergaser
HRB
AS 27/3 Enduro
AS 28 Enduro
AS 28/3 Enduro
AS 28/4 Enduro
AS 65 2T Enduro
AS 65 4T Enduro
AS 65 4TH Enduro
AS 73 vs Enduro
AS 73/2 vs Enduro
AS Schlegelmäher
AS Mulchmeister
AS Aufsitzmäher
Samix Gartenhäcksler
AS Wildkraut-Hex
Verschleissteile
Impressum
(C) by motoruf