Zurück zu
motoruf
Warenkorb

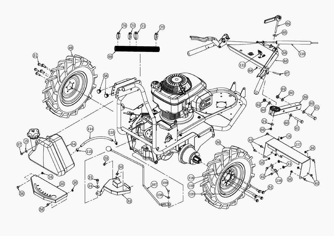
Ersatzteillisten für AS Motor AS Enduro Fahrwerk Abb.2




Ersatzteilliste


Pos.BezeichnungErsatzteilnummer
15SCHEIBE E03914
16Sicherungsmutter E05975
24Scheibe E03957
31GEW.FURCH.SECHSK.SCHRAUBE E06032
35Fahrantriebszug obenE07798
41Kastenmutter E06672
42SICHERUNGSSCHRAUBE E04631
49Profilrad linksE06159
50Profilrad rechtsE06196
51SicherungsschraubeE06761
52Abdeckung hintenE08252
53Gew.furch.Sechsk.Schraube E06093
54Kraftstofftank vollst. m. DeckelE06490
55SchaltanzeigeE08026
56Sicherungsschraube E07247
57GEW.FURCH.SECHSK.SCHRAUBE E06365
58LAMELLENSTOPFEN E06141
59Zwischenholm vollst.E06729
60SCHEIBE E03668
61SECHSKANTSCHRAUBE E01958
62Sechskantmutter E01968
63Lenker AS65/4TH vollst.E10025
64LENKERSPANNHEBEL VOLLST.E04902
65ScheibeE07940
66SECHSKANTMUTTER E01912
676-kt.SchraubeE07643
68SECHSKANTMUTTER E07269
69Wellschlauch 290 lang InnenØ29E07952
70KABELBAND E04391
71KABELBAND LANG E03782
107Schaltstange vollst.E08027
108ScheibeE07877
1096-kt.ZollschraubeE06679
110Messerantriebszug AS65E08218
112Gashebel mit BowdenzugE07544
114BenzinschlauchE07883
115SchlauchschelleE03626
116RohrschelleE08308
117SichtschutzE08307
118Schlauch für ProfilradE06327
119Mantel für ProfilradE06568
120Felge für ProfilradE06569
Gebrauchsanweisungen
AS Motor
Impressum
(C) by motoruf