Zurück zu
AS-Motor
>
AS 550 Heckauswurf
>
AS 550/2T
>
Antriebsblock
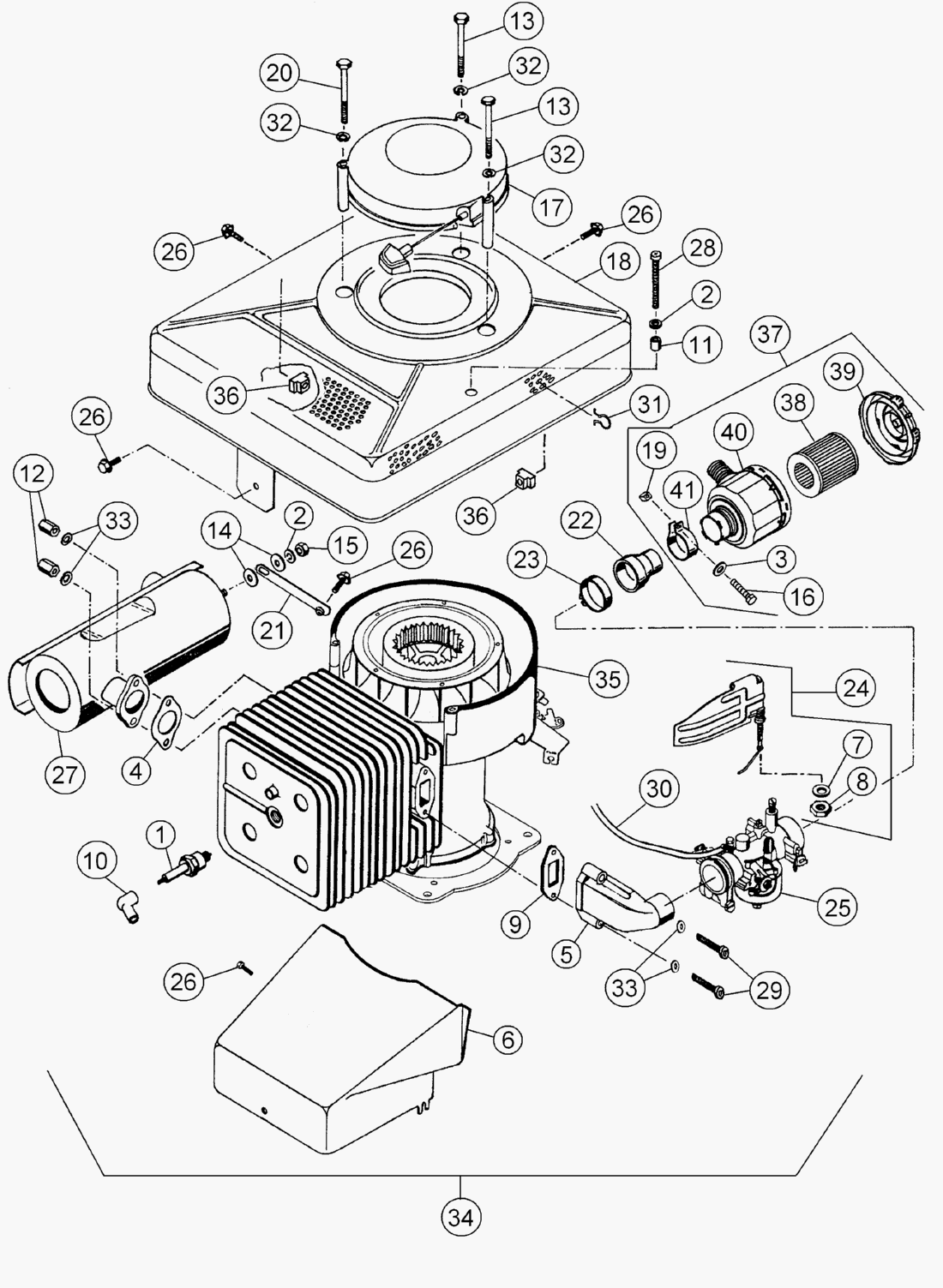
Ersatzteillisten für AS Motor AS 550 Heckauswurf Antriebsblock
Pos.
Bezeichnung
Ersatzteilnummer
1
ZÜNDKERZE 175/14 EA 0.5
E01061
2
FEDERRING
E01939
3
SCHEIBE
E01940
4
AUSPUFFDICHTUNG
E03366
5
ANSAUGSTUTZEN
E03412
6
KÜHLLUFTFÜHRUNG
E03416
7
TELLERFEDER
E03483
8
SECHSKANTMUTTER
E03484
9
ISOLIERPLATTE
E03487
10
ZÜNDKERZENSTECKER VOLLST.
E03494
11
DISTANZHÜLSE
E03699
12
SONDERMUTTER
E03706
13
SECHSKANTSCHRAUBE
E03744
14
SCHEIBE
E03914
15
SECHSKANTMUTTER
E03915
16
SECHSKANTSCHRAUBE
E03933
17
STARTER VOLLST.
E04199
18
MOTORABDECKUNG KOMPL.
E04213
19
VIERKANTMUTTER
E04225
20
SECHSKANTSCHRAUBE
E04227
21
HALTESTREBE
E04239
22
ADAPTER FÜR DÄMPFERFILTER
E04241
23
SCHLAUCHSCHELLE
E04242
24
WINDFAHNENREGLER M.BEF.TEILEN
E04499
25
VERGASER
E04500
26
SICHERUNGSSCHRAUBE
E04631
27
ABGASSCHALLDÄMPFER
E04819
28
ZYLINDERSCHRAUBE
E04854
29
ZYLINDERSCHRAUBE
E04934
30
Kraftstoffschlauch 350lg.
E05293
31
KABELHALTER
E05629
32
SPERRKANTRING FÜR M6
E05725
33
SPERRKANTSCHEIBE
E05862
34
Antriebsblock AS55B1,B2,550/2T
E06918
35
Grundmotor AS55B1,B2,550/2T
E06919
36
STANZ-U.EINPRESSMUTTER
E06934
37
LUFTFILTER VOLLST.
E07543
38
FILTEREINSATZ
E07545
39
DECKEL FÜR LUFTFILTER
E08180
40
LUFTFILTERGEHÄUSE
E08198
41
ROHRSCHELLE
E07547
Gebrauchsanweisungen
AS Motor
AS Batterierasenmäher
AS 45 Ausputzmäher
AS 46 Variomat
AS 45 Universal
AS 53 Standard
AS 53 Allrad
AS 55 Heckauswurf
AS 550 Heckauswurf
AS 550/2T
Mähergehäuse bis FNr.16905303200
Mähergehäuse ab FNr.16905404001
Unterholm und Stossstange
Lenker und Tank
Motorbefestigung
Getriebe und Variomatik bis FNr.16905303200
Getriebe und Variomatik ab FNr.16905404001
Schutzeinrichtungen und Grasfangkorb bis FNr.16905404100
Schutzeinrichtungen und Grasfangkorb ab FNr.16906101001
Antriebsblock
Messer
Grundmotor
Starter
Vergaser
AS 550/4T
AS Allmäher
AS Enduro
AS Schlegelmäher
AS Mulchmeister
AS Aufsitzmäher
Samix Gartenhäcksler
AS Wildkraut-Hex
Verschleissteile
Impressum
(C) by motoruf