Viking Aufsitzmäher MT 545 Ersatzteile
MT 545 Aufsitzmäher
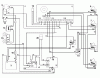
Hier finden Sie die Ersatzteilzeichnung für Viking Aufsitzmäher Aufsitzmäher MT 545. Wählen Sie das benötigte Ersatzteil aus der Ersatzteilliste Ihres Viking Gerätes aus und bestellen Sie einfach online. Viele Viking Ersatzteile halten wir ständig in unserem Lager für Sie bereit.
Häufig benötigte Viking Aufsitzmäher MT 545 Ersatzteile


Artikelnummer: 9395 901 0050
Suche nach: 9395 901 0050
Hersteller: Stihl
Viking Ersatzteil H - Mähwerk - 1
Suche nach: 9395 901 0050
Hersteller: Stihl
Viking Ersatzteil H - Mähwerk - 1
3.23 €
für EU incl. MwSt., zzgl. Versand


Artikelnummer: 6125 700 7036
Suche nach: 6125 700 7036
Hersteller: Stihl
Viking Ersatzteil H - Mähwerk - 1
Suche nach: 6125 700 7036
Hersteller: Stihl
Viking Ersatzteil H - Mähwerk - 1
50.44 €
für EU incl. MwSt., zzgl. Versand

Artikelnummer: 6125 700 7030
Suche nach: 6125 700 7030
Hersteller: Stihl
Viking Ersatzteil H - Mähwerk - 1
Suche nach: 6125 700 7030
Hersteller: Stihl
Viking Ersatzteil H - Mähwerk - 1
39.30 €
für EU incl. MwSt., zzgl. Versand


Qualitätsmanagement
Informieren Sie uns, wenn Sie einen Fehler gefunden haben.




















