Einstellungen Computer

Toro 26641 - Lawnmower, 1989 (9000001-9999999) GEAR CASE ASSEMBLY Ersatzteile

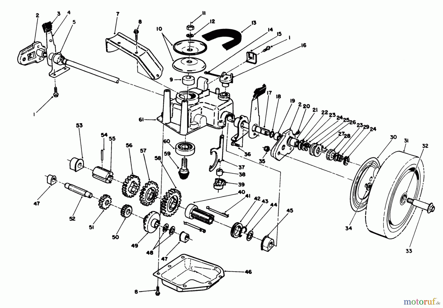
GEAR CASE ASSEMBLY 26641 - Toro Lawnmower, 1989 (9000001-9999999)

 Toro Neu Mowers, Walk-Behind Seite 2 26641 - Toro Lawnmower, 1989 (9000001-9999999) GEAR CASE ASSEMBLY

Hier finden Sie die Ersatzteilzeichnung für Toro Neu Mowers, Walk-Behind Seite 2 26641 - Toro Lawnmower, 1989 (9000001-9999999) GEAR CASE ASSEMBLY. Wählen Sie das benötigte Ersatzteil aus der Ersatzteilliste Ihres Toro Gerätes aus und bestellen Sie einfach online. Viele Toro Ersatzteile halten wir ständig in unserem Lager für Sie bereit.

Rasen
Bankeinzug, MasterCard, Visa, American Express, PayPal, Nachnahme, Vorauskasse, Sofortüberweisung
Datenschutzerklärung Impressum
Qualitätsmanagement
Informieren Sie uns, wenn Sie einen Fehler gefunden haben.