Einstellungen Computer

Toro 73520 (520-H) - 520-H Garden Tractor, 1994 (4900001-4999999) BRAKE PEDAL & LINKAGE ASSEMBLY Ersatzteile

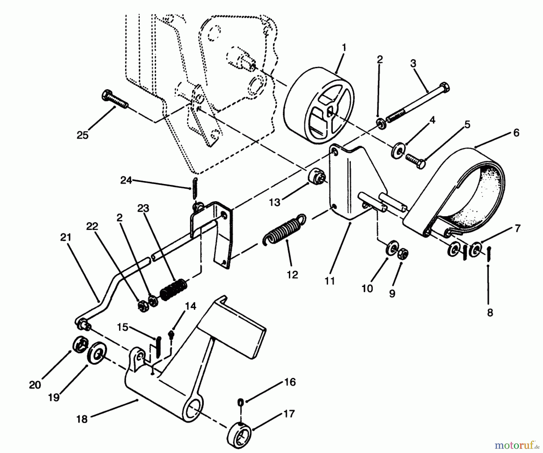
BRAKE PEDAL & LINKAGE ASSEMBLY 73520 (520-H) - Toro 520-H Garden Tractor, 1994 (4900001-4999999)

 Toro Neu Mowers, Lawn & Garden Tractor Seite 1 73520 (520-H) - Toro 520-H Garden Tractor, 1994 (4900001-4999999) BRAKE PEDAL & LINKAGE ASSEMBLY

Hier finden Sie die Ersatzteilzeichnung für Toro Neu Mowers, Lawn & Garden Tractor Seite 1 73520 (520-H) - Toro 520-H Garden Tractor, 1994 (4900001-4999999) BRAKE PEDAL & LINKAGE ASSEMBLY. Wählen Sie das benötigte Ersatzteil aus der Ersatzteilliste Ihres Toro Gerätes aus und bestellen Sie einfach online. Viele Toro Ersatzteile halten wir ständig in unserem Lager für Sie bereit.

Rasen
Bankeinzug, MasterCard, Visa, American Express, PayPal, Nachnahme, Vorauskasse, Sofortüberweisung
Datenschutzerklärung Impressum
Qualitätsmanagement
Informieren Sie uns, wenn Sie einen Fehler gefunden haben.