Compact Utility Loaders MAIN FRAME AND FUEL TANK ASSEMBLY Ersatzteile
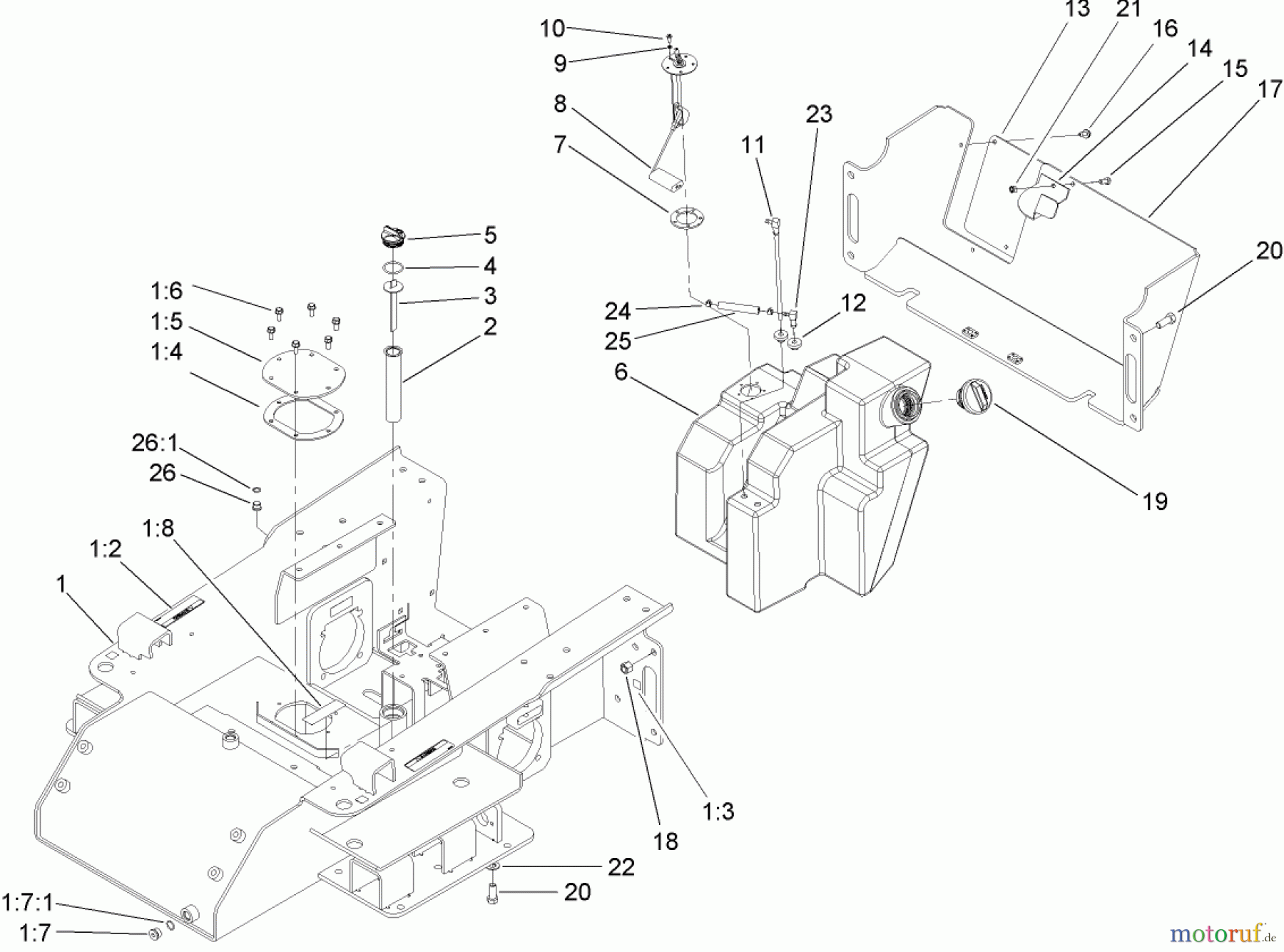
MAIN FRAME AND FUEL TANK ASSEMBLY 22320 - Toro Dingo TX 525 Wide Track Compact Utility Loader (SN: 270000001 - 270000400) (2007)

Hier finden Sie die Ersatzteilzeichnung für Compact Utility Loaders 22320 - Toro Dingo TX 525 Wide Track Compact Utility Loader (SN: 270000001 - 270000400) (2007) MAIN FRAME AND FUEL TANK ASSEMBLY. Wählen Sie das benötigte Ersatzteil aus der Ersatzteilliste Ihres Compact Utility Loaders Gerätes aus und bestellen Sie einfach online. Viele Compact Utility Loaders Ersatzteile halten wir ständig in unserem Lager für Sie bereit.


Qualitätsmanagement
Informieren Sie uns, wenn Sie einen Fehler gefunden haben.


