Tanaka TBC-SF - Smart Fit Attachments Pole Saw Oiler Side Ersatzteile
Pole Saw Oiler Side TBC-SF - Tanaka Smart Fit Attachments

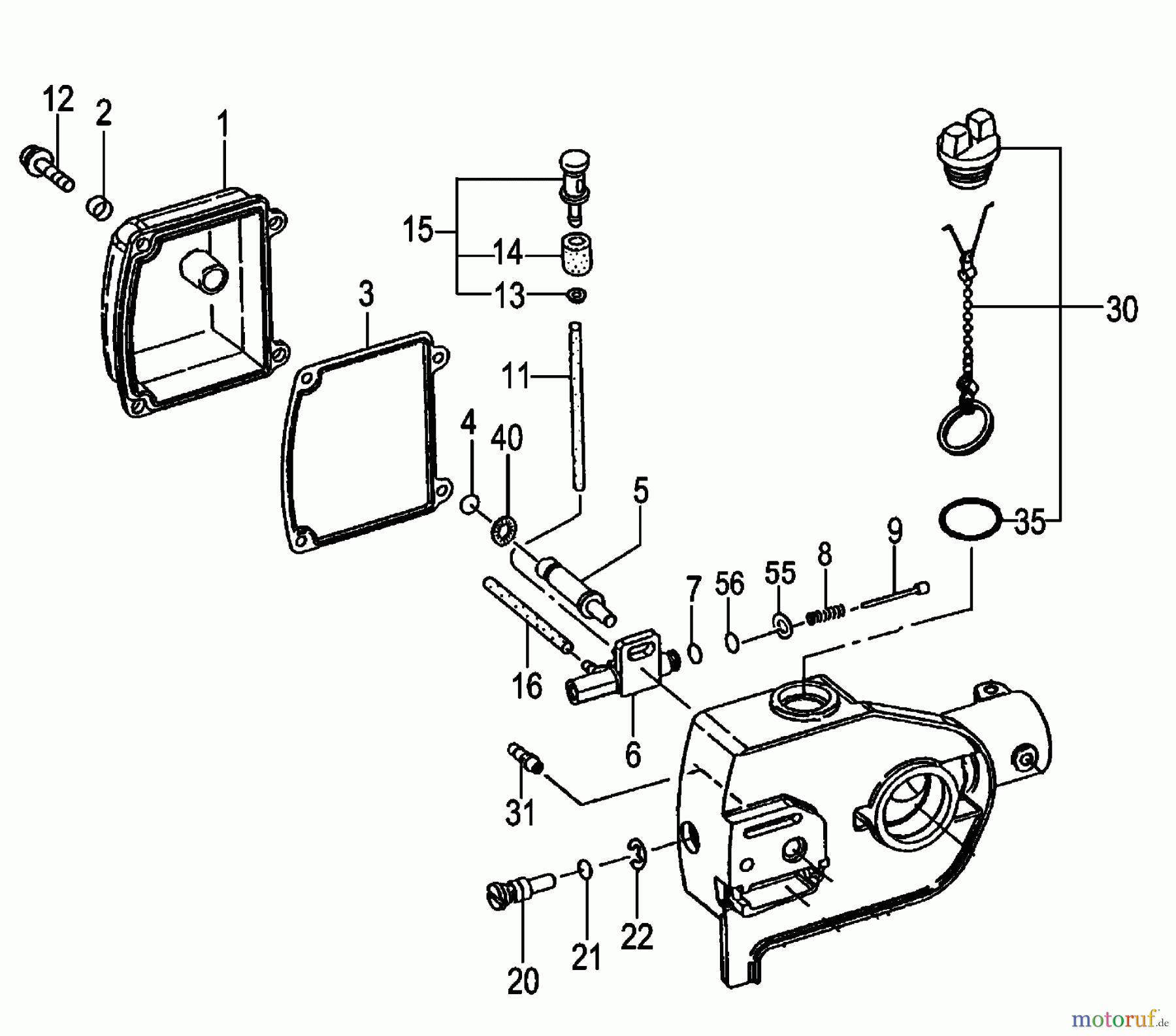
Hier finden Sie die Ersatzteilzeichnung für Tanaka Zubehör TBC-SF - Tanaka Smart Fit Attachments Pole Saw Oiler Side. Wählen Sie das benötigte Ersatzteil aus der Ersatzteilliste Ihres Tanaka Gerätes aus und bestellen Sie einfach online. Viele Tanaka Ersatzteile halten wir ständig in unserem Lager für Sie bereit.


Qualitätsmanagement
Informieren Sie uns, wenn Sie einen Fehler gefunden haben.

