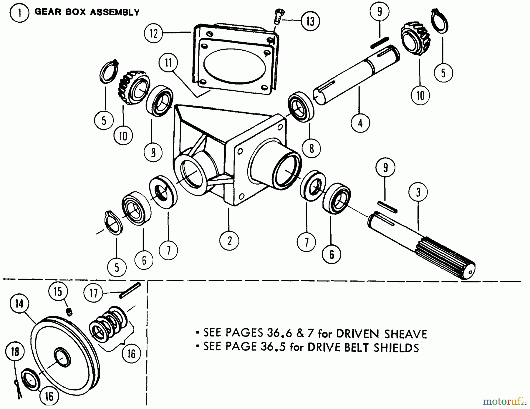
Snapper 7060373 - 36" Rear PTO Tiller Attachment, MF Series Gear Box, Drive Sheave Ersatzteile
Gear Box, Drive Sheave 7060373 - Snapper 36" Rear PTO Tiller Attachment, MF Series

Hier finden Sie die Ersatzteilzeichnung für Snapper Sonstiges 7060373 - Snapper 36" Rear PTO Tiller Attachment, MF Series Gear Box, Drive Sheave. Wählen Sie das benötigte Ersatzteil aus der Ersatzteilliste Ihres Snapper Gerätes aus und bestellen Sie einfach online. Viele Snapper Ersatzteile halten wir ständig in unserem Lager für Sie bereit.
| BildNr | Artikel Nummer | Bezeichnung | |
| 1 | BS7013198 | ||
| 2 | BS7013780 | ||
| 3 | BS7013781 | ||
| 4 | BS7013782 | ||
| 5 | BS7012899YP | RETAINING RING, EXT, | |
| 6 | BS7013443YP | BEARING | |
| 7 | BS7013789 | ||
| 8 | BS7013790 | ||
| 9 | BS7013000 | ||
| 10 | BS7013783 | ||
| 11 | BS7013784 | ||
| 12 | BS7013785 | ||
| 13 | BS7013791 | ||
| 14 | BS7013786 | ||
| 15 | BS7090848SM | SHSS, 5/16C X1/2 | |
| 16 | BS7013071 | ||
| 17 | BS7010061SM | ||
| 18 | BS7091809YP | PIN, COTTER 1/8 X 1.2 | |


Qualitätsmanagement
Informieren Sie uns, wenn Sie einen Fehler gefunden haben.

