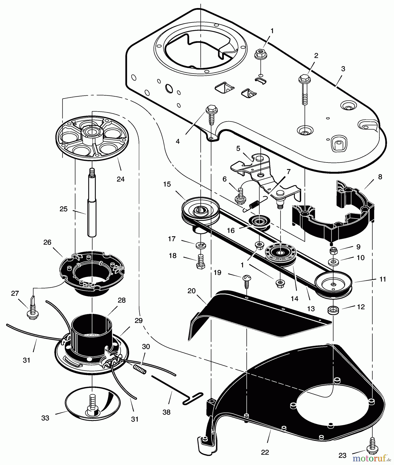
Murray TM6000x8NB - Scotts Walk-Behind String Trimmer (2003) (Home Depot) Trimmer Head Assembly Ersatzteile
Trimmer Head Assembly TM6000x8NB - Scotts Walk-Behind String Trimmer (2003) (Home Depot)

Hier finden Sie die Ersatzteilzeichnung für Murray Trimmer zum Schieben TM6000x8NB - Scotts Walk-Behind String Trimmer (2003) (Home Depot) Trimmer Head Assembly. Wählen Sie das benötigte Ersatzteil aus der Ersatzteilliste Ihres Murray Gerätes aus und bestellen Sie einfach online. Viele Murray Ersatzteile halten wir ständig in unserem Lager für Sie bereit.


Qualitätsmanagement
Informieren Sie uns, wenn Sie einen Fehler gefunden haben.

