Murray 42560x83A - B&S/ 42" Lawn Tractor (1997) (Walmart) Motion Drive Ersatzteile
Motion Drive 42560x83A - B&S/Murray 42" Lawn Tractor (1997) (Walmart)

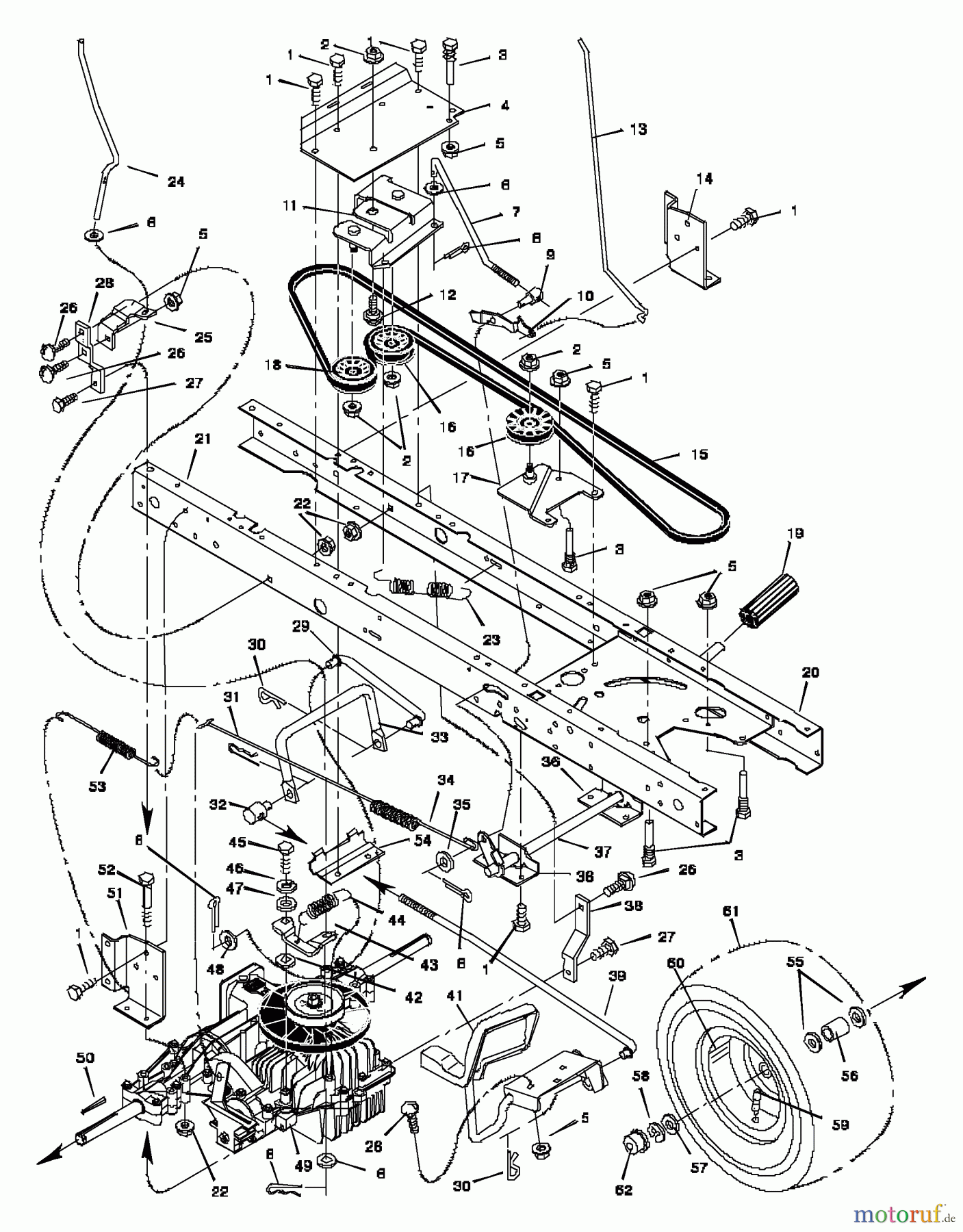
Hier finden Sie die Ersatzteilzeichnung für Murray Rasen- und Gartentraktoren 42560x83A - B&S/Murray 42" Lawn Tractor (1997) (Walmart) Motion Drive. Wählen Sie das benötigte Ersatzteil aus der Ersatzteilliste Ihres Murray Gerätes aus und bestellen Sie einfach online. Viele Murray Ersatzteile halten wir ständig in unserem Lager für Sie bereit.


Qualitätsmanagement
Informieren Sie uns, wenn Sie einen Fehler gefunden haben.






