Einstellungen Computer

Murray 425002x99A - B&S/ 42" Lawn Tractor (2003) (AAFES) Chassis & Hood Ersatzteile

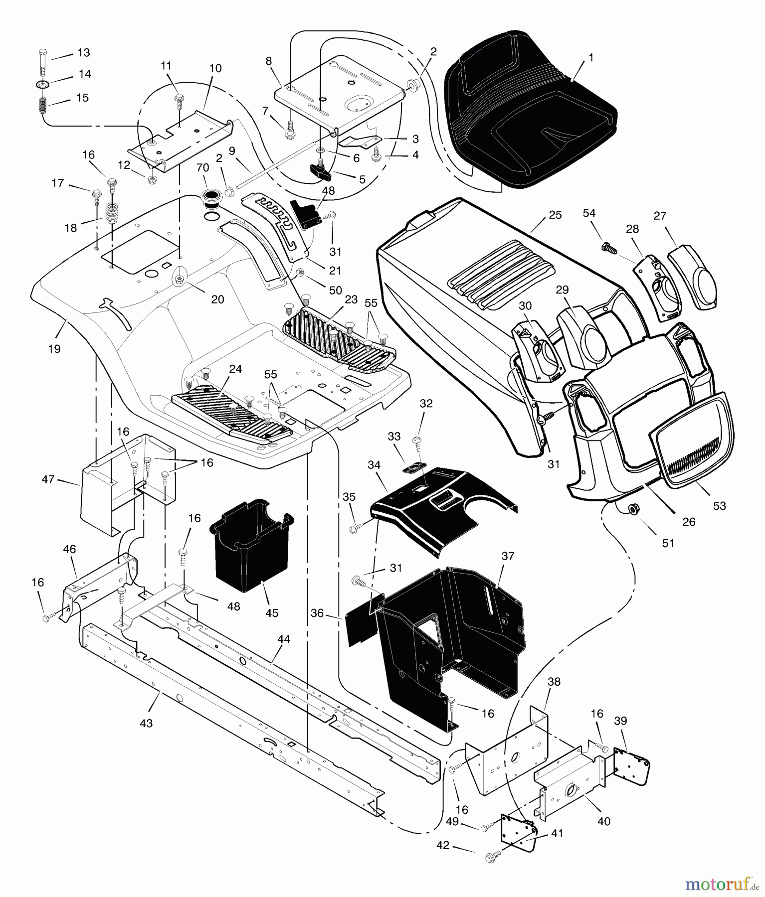
Chassis & Hood 425002x99A - B&S/Murray 42" Lawn Tractor (2003) (AAFES)

 Murray Rasen- und Gartentraktoren 425002x99A - B&S/Murray 42

Hier finden Sie die Ersatzteilzeichnung für Murray Rasen- und Gartentraktoren 425002x99A - B&S/Murray 42" Lawn Tractor (2003) (AAFES) Chassis & Hood. Wählen Sie das benötigte Ersatzteil aus der Ersatzteilliste Ihres Murray Gerätes aus und bestellen Sie einfach online. Viele Murray Ersatzteile halten wir ständig in unserem Lager für Sie bereit.

BildNrArtikel NummerBezeichnung
1 BS690566MASEAT MID-BACK BLACK
2 BS028X23MAPUSH CAP.375
3 BS094057MABLATTFEDER
4 BS26X229MASCREW 1/4 14X.38 STHX
5 BS1001054MABOLT - WING
6 BS017X47MAUNTERLEGSCHEIBE .34 .62
7 BS009X56MAANSATZBOLZEN.32-18X.375D
8 BS7300875ZMASITZHALTER
9 BS094156ZMAROD - PIVOT
10 BS1001648E701MABRACKET - SEAT PIVOT
11 BS001X45MABOLT-HEX.31-18X0.62 Z
12 BS015X89MAMUTTER 25-20FLANSCHARRETIERUNG
13 BS009X55MABOLT-SHD.25-20X.312D
14 BS094155ZMATOPFSCHEIBE
15 BS164X31MADRUCKFEDER
16 BS26X249MASCREW-.312-18X.75
17 BS26X263MASCREW.25-20 S-T
18 BS164X30MADRUCKFEDER
19 BS1001558E245
20 BS15X123MAMUTTER.31-18 NYLOCK ZINK
21 BS094151E701MALIFT - DETENT PLATE
22 BS009X47MABOLT-SHD.
23 BS1001582MAFORMMATTE / HAELFTE - LINKS
24 BS1001578MAFORMMATTE / HAELFTE - RECHTS
25 BS1001538E701MAFORMHAUBE - X3 1001
26 BS1001531E701MAGRILL/GITTER - X1
27 BS1001546MAPLASTIKABDECKUNG-X1-LINKS
28 BS1001548MASCHEINWERFER ASSY X1 - LINKS
29 BS1001545MAPLASTIC COVER - X1 -
30 BS1001547MAHEADLAMP ASSY X1 - R.
31 BS26X250MASCREW-TAPPING 10-16
32 BS26X238MASCREW 1/4'' AB X.50
33 BS1001491MASTEUERLAGER
34 BS1001584E701MAARMATURENBRETT - EINZEL
35 BS26X201MASCREW Z/BL CHROMATE
36 BS093007E701MAPANEL-SIDE ACCESS
37 BS095318E245
38 BS1001270E701MABRKT - REAR HANGER
39 BS094085E701MASUPPORT, GRILLE LH
40 BS094007E701MAAXLE, HANGER
41 BS094084E701MAGRILL/GITTERSTUTZE RECHTS
42 BS009X58MAANSATZBOLZEN
43 BS1001268E701MARAHMENHOLM RECHTS
44 BS1001269E701MARAIL-FRAME LH
45 BS690424MABATTERY CONTAINER
46 BS1001002E701MAPLATE-HITCH
47 BS690434E701MAPANEL - REAR
48 BS690482E701MABRKT BATTERY SUPPORT
49 BS26X277MASCREW-5/16-18X.50
50 BS015X81MANUT#10-24 MCLEANLOCK
51 BS15X124MAMUTTER
53 BS1001541MAGRILLE INSERT-HEX-BLA
54 BS26X259MASCHRAUBE-#10X.5 AB W/WAS
55 BS0193X1MAFASTENER-PANEL
70 BS1001542MAGETRANKEHALTER
-- BSF-030726L
Rasen
Bankeinzug, MasterCard, Visa, American Express, PayPal, Nachnahme, Vorauskasse, Sofortüberweisung
Datenschutzerklärung Impressum
Qualitätsmanagement
Informieren Sie uns, wenn Sie einen Fehler gefunden haben.