Toro 75-48XS02 - 48" Side Discharge Mower, 1977 48" ROTARY MOWER (VEHICLE IDENTIFICATION NUMBER 75-48XS02) #2 Ersatzteile
48" ROTARY MOWER (VEHICLE IDENTIFICATION NUMBER 75-48XS02) #2 75-48XS02 - Toro 48" Side Discharge Mower, 1977

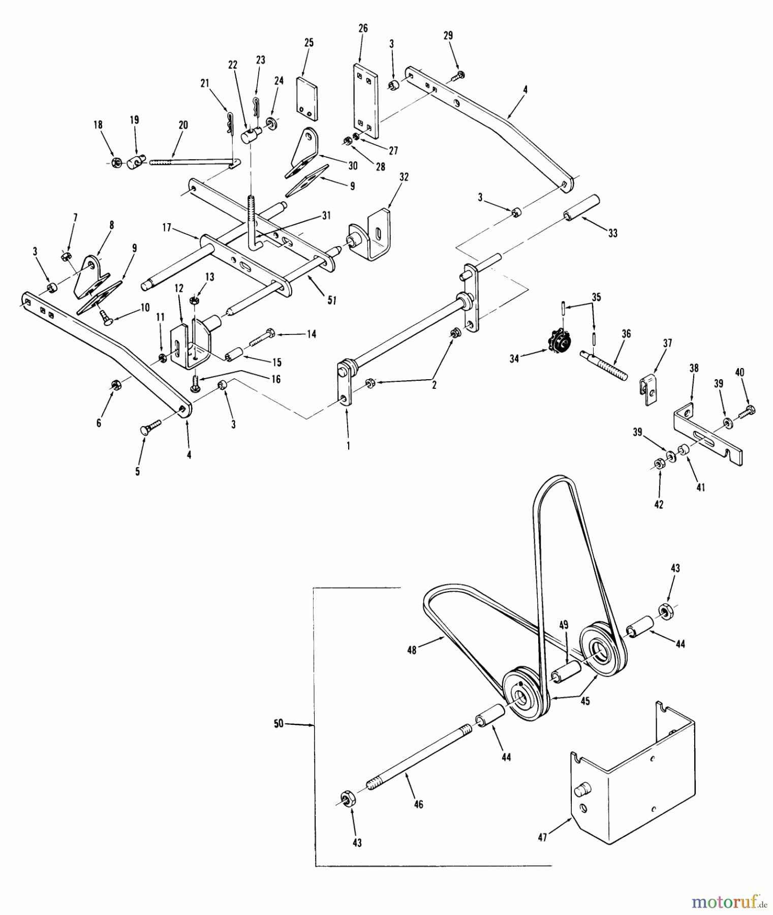
Hier finden Sie die Ersatzteilzeichnung für Toro Neu Mowers, Deck Assembly Only 75-48XS02 - Toro 48" Side Discharge Mower, 1977 48" ROTARY MOWER (VEHICLE IDENTIFICATION NUMBER 75-48XS02) #2. Wählen Sie das benötigte Ersatzteil aus der Ersatzteilliste Ihres Toro Gerätes aus und bestellen Sie einfach online. Viele Toro Ersatzteile halten wir ständig in unserem Lager für Sie bereit.





