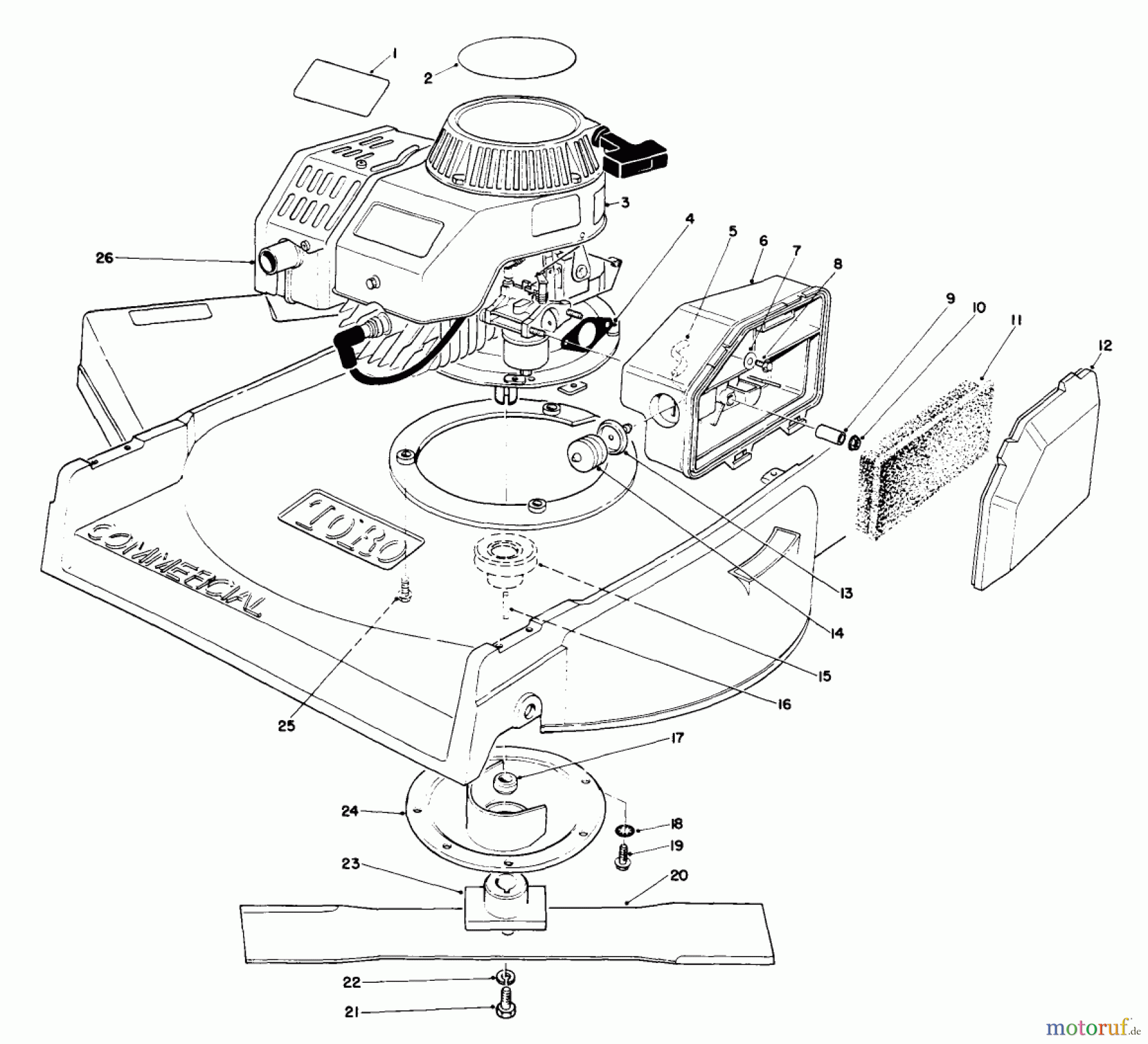
Toro 22700B - 21" Commercial, Side Discharge Mower, 1994 (49000001-49999999) ENGINE ASSEMBLY Ersatzteile
Schild
Artikel Nummer:
TR71-1260
BildNr:
1
14.55 €
für EU incl. MwSt., zzgl. Versand
Der Artikel wurde in den Einkaufswagen gelegt!
Wird für Sie bestellt: Lieferzeit ca. 5 Werktage.
Hier finden Sie die Ersatzteilzeichnung für Toro Neu Mowers, Walk-Behind Seite 2 22700B - Toro 21" Commercial, Side Discharge Mower, 1994 (49000001-49999999) ENGINE ASSEMBLY. Wählen Sie das benötigte Ersatzteil aus der Ersatzteilliste Ihres Toro Gerätes aus und bestellen Sie einfach online. Viele Toro Ersatzteile halten wir ständig in unserem Lager für Sie bereit.


Qualitätsmanagement
Informieren Sie uns, wenn Sie einen Fehler gefunden haben.



