Toro 92-11BF01 (B-111) - B-111 6-Speed Tractor, 1979 6-SPEED TRANSMISSION #1 Ersatzteile
FUEHRUNGSBOLZEN
Artikel Nummer:
TR900036
BildNr:
4
2.69 €
für EU incl. MwSt., zzgl. Versand
Der Artikel wurde in den Einkaufswagen gelegt!
Wird für Sie bestellt: Lieferzeit ca. 5 Werktage.
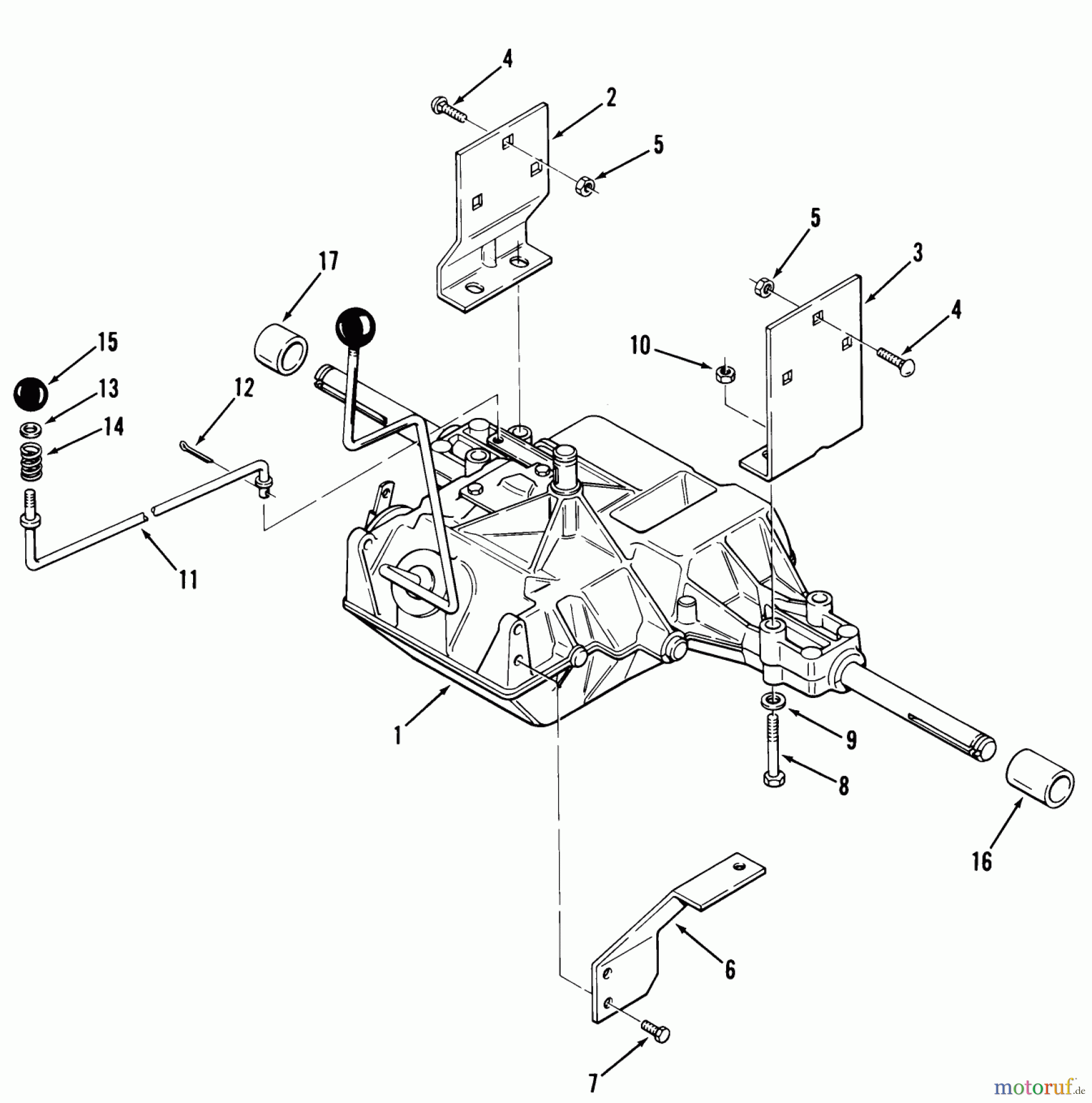
Hier finden Sie die Ersatzteilzeichnung für Toro Neu Mowers, Lawn & Garden Tractor Seite 2 92-11BF01 (B-111) - Toro B-111 6-Speed Tractor, 1979 6-SPEED TRANSMISSION #1. Wählen Sie das benötigte Ersatzteil aus der Ersatzteilliste Ihres Toro Gerätes aus und bestellen Sie einfach online. Viele Toro Ersatzteile halten wir ständig in unserem Lager für Sie bereit.





