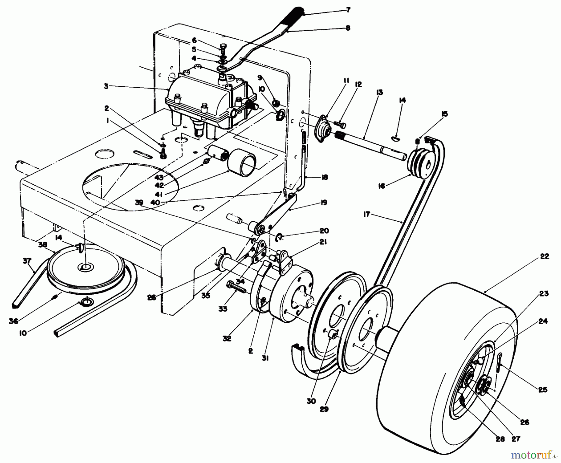
Toro 30102 - Mid-Size Proline Gear Traction Unit, 12 hp, 1988 (8000001-8999999) AXLE ASSEMBLY Ersatzteile
Griff
Artikel Nummer:
TR47-1970
BildNr:
7
30.99 €
für EU incl. MwSt., zzgl. Versand
Der Artikel wurde in den Einkaufswagen gelegt!
Wird für Sie bestellt: Lieferzeit ca. 5 Werktage.
Hier finden Sie die Ersatzteilzeichnung für Toro Neu Mowers, Drive Unit Only 30102 - Toro Mid-Size Proline Gear Traction Unit, 12 hp, 1988 (8000001-8999999) AXLE ASSEMBLY. Wählen Sie das benötigte Ersatzteil aus der Ersatzteilliste Ihres Toro Gerätes aus und bestellen Sie einfach online. Viele Toro Ersatzteile halten wir ständig in unserem Lager für Sie bereit.


Qualitätsmanagement
Informieren Sie uns, wenn Sie einen Fehler gefunden haben.




