Einstellungen Computer

Murray 629118x43A - Yard King 29" Dual Stage Snow Thrower (2003) Frame Ersatzteile

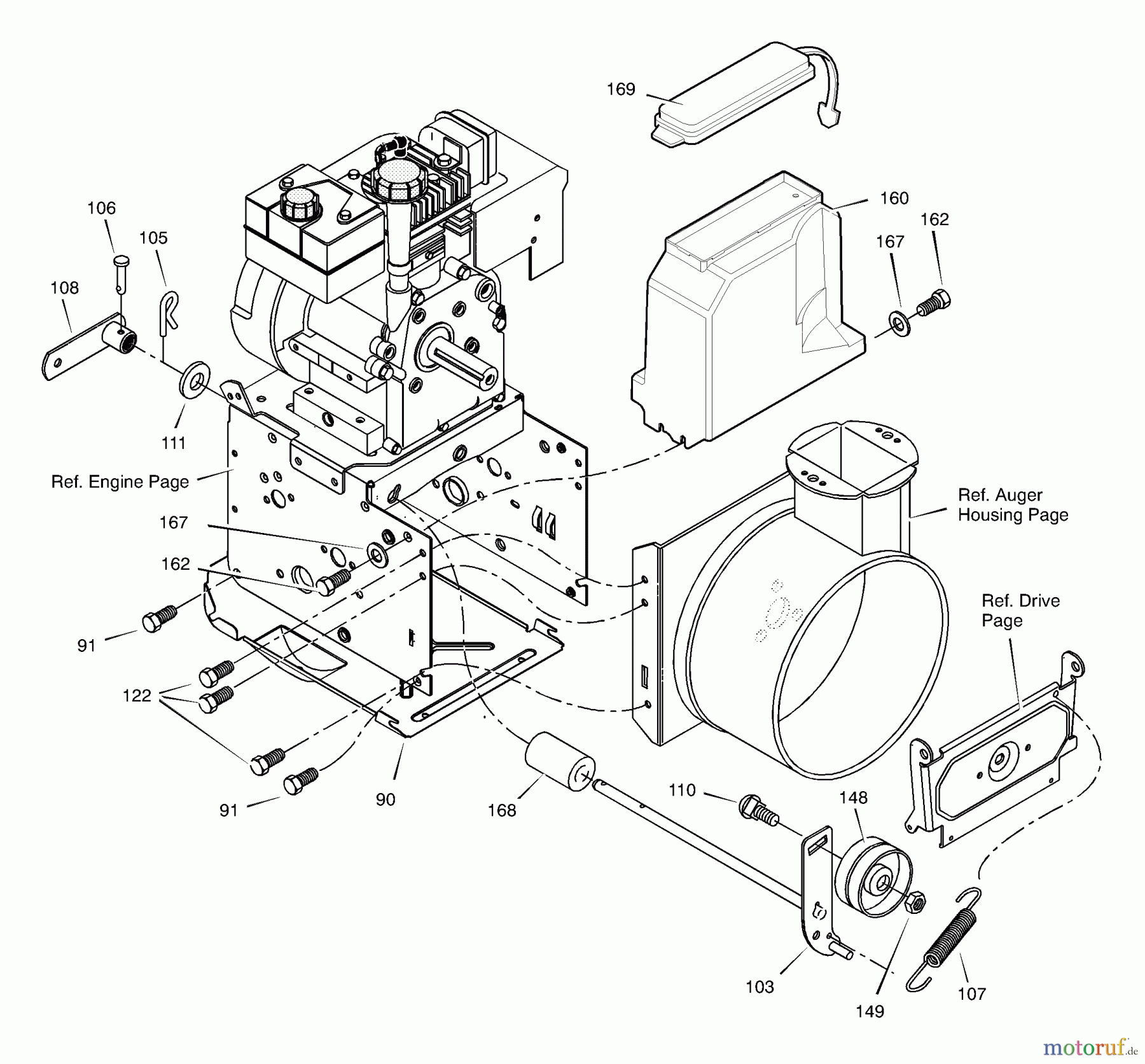
IDLER,AUG ML-STD HDL

Artikel Nummer:
BS1501226YZMA
BildNr:
103
78.31 €
für EU incl. MwSt., zzgl. Versand
Anzahl:
Kontaktdaten Produktsicherheit
Der Artikel wurde in den Einkaufswagen gelegt!
yellow Wird für Sie bestellt: Lieferzeit ca. 5 Werktage.
 Murray Schneefräsen 629118x43A - Yard King 29

Hier finden Sie die Ersatzteilzeichnung für Murray Schneefräsen 629118x43A - Yard King 29" Dual Stage Snow Thrower (2003) Frame. Wählen Sie das benötigte Ersatzteil aus der Ersatzteilliste Ihres Murray Gerätes aus und bestellen Sie einfach online. Viele Murray Ersatzteile halten wir ständig in unserem Lager für Sie bereit.

Rasen
Bankeinzug, MasterCard, Visa, American Express, PayPal, Nachnahme, Vorauskasse, Sofortüberweisung
Datenschutzerklärung Impressum
Qualitätsmanagement
Informieren Sie uns, wenn Sie einen Fehler gefunden haben.