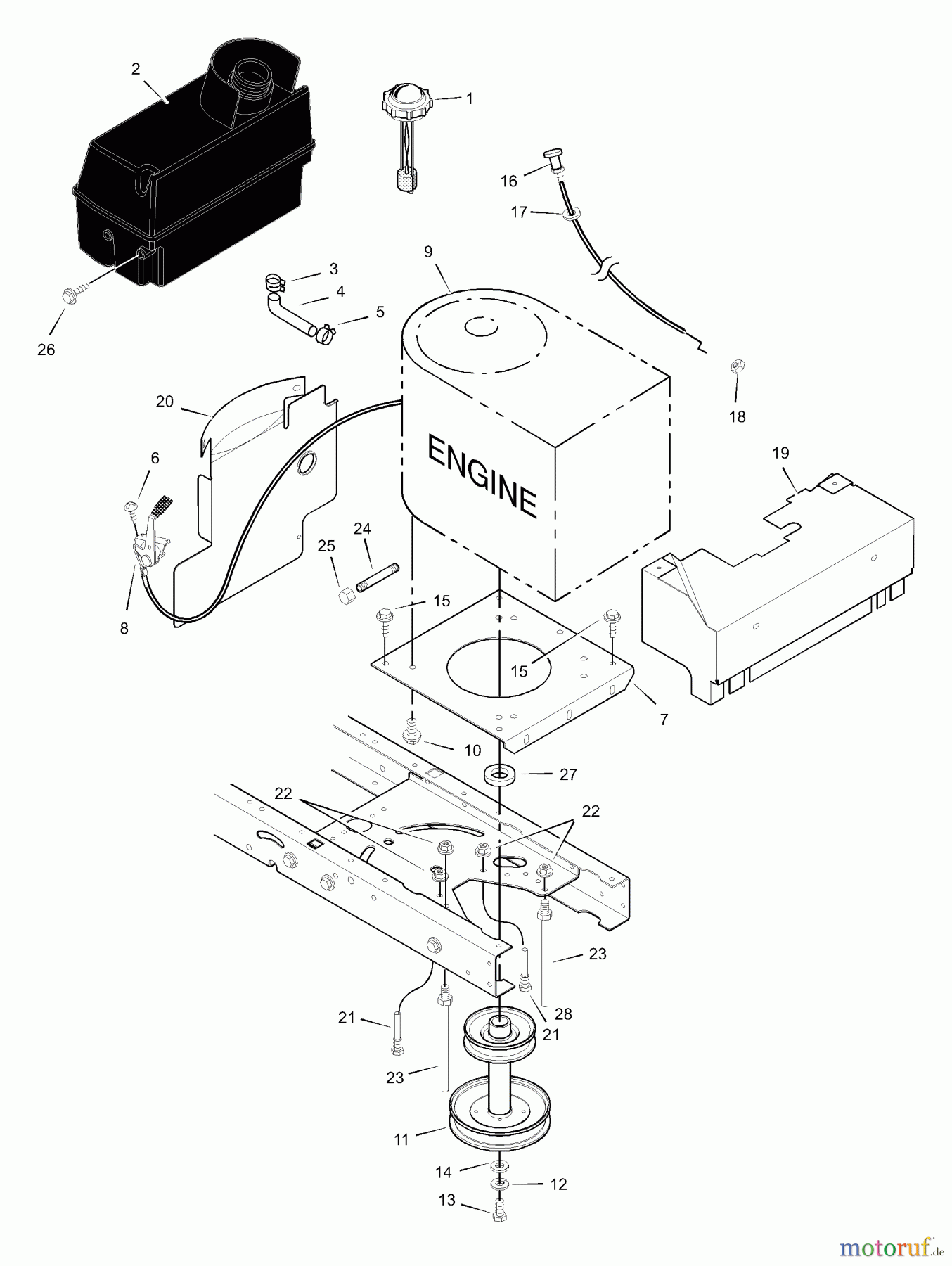
Murray 42571x31A - Scotts 42" Lawn Tractor (2000) (Home Depot) Engine Mount Ersatzteile
NUT .38-24 LIGHT SF Z
Artikel Nummer:
BS015X33MA
BildNr:
18
4.58 €
für EU incl. MwSt., zzgl. Versand
Der Artikel wurde in den Einkaufswagen gelegt!
Wird für Sie bestellt: Lieferzeit ca. 5 Werktage.
Hier finden Sie die Ersatzteilzeichnung für Murray Rasen- und Gartentraktoren 42571x31A - Scotts 42" Lawn Tractor (2000) (Home Depot) Engine Mount. Wählen Sie das benötigte Ersatzteil aus der Ersatzteilliste Ihres Murray Gerätes aus und bestellen Sie einfach online. Viele Murray Ersatzteile halten wir ständig in unserem Lager für Sie bereit.


Qualitätsmanagement
Informieren Sie uns, wenn Sie einen Fehler gefunden haben.

