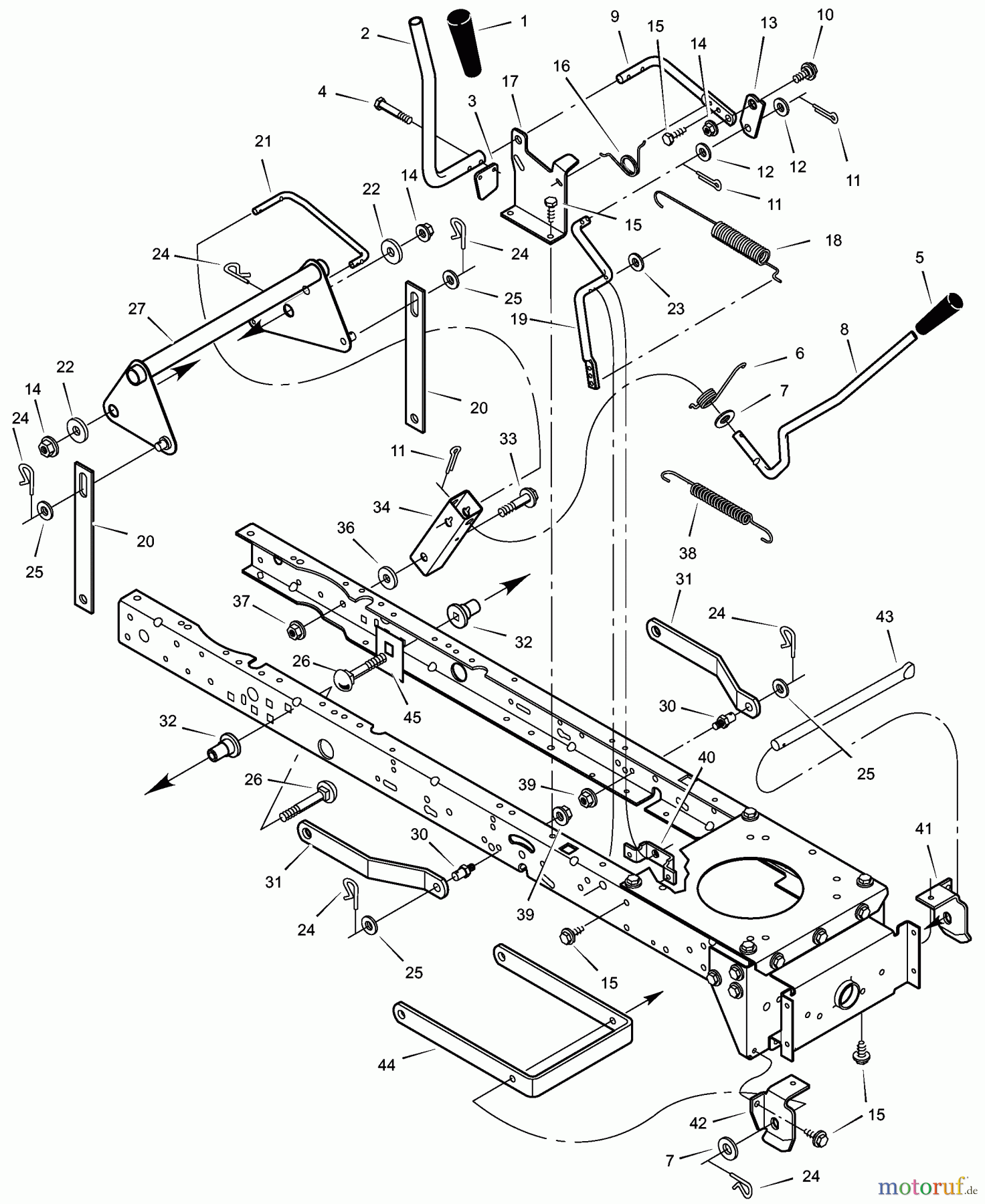
Murray 405000x31A - Scotts 40" Lawn Tractor (2003) (Home Depot) Mower Housing Suspension Ersatzteile
ROD - HANGAR
Artikel Nummer:
BS094158ZMA
BildNr:
43
31.30 €
für EU incl. MwSt., zzgl. Versand
Der Artikel wurde in den Einkaufswagen gelegt!
Wird für Sie bestellt: Lieferzeit ca. 5 Werktage.
Hier finden Sie die Ersatzteilzeichnung für Murray Rasen- und Gartentraktoren 405000x31A - Scotts 40" Lawn Tractor (2003) (Home Depot) Mower Housing Suspension. Wählen Sie das benötigte Ersatzteil aus der Ersatzteilliste Ihres Murray Gerätes aus und bestellen Sie einfach online. Viele Murray Ersatzteile halten wir ständig in unserem Lager für Sie bereit.


Qualitätsmanagement
Informieren Sie uns, wenn Sie einen Fehler gefunden haben.

