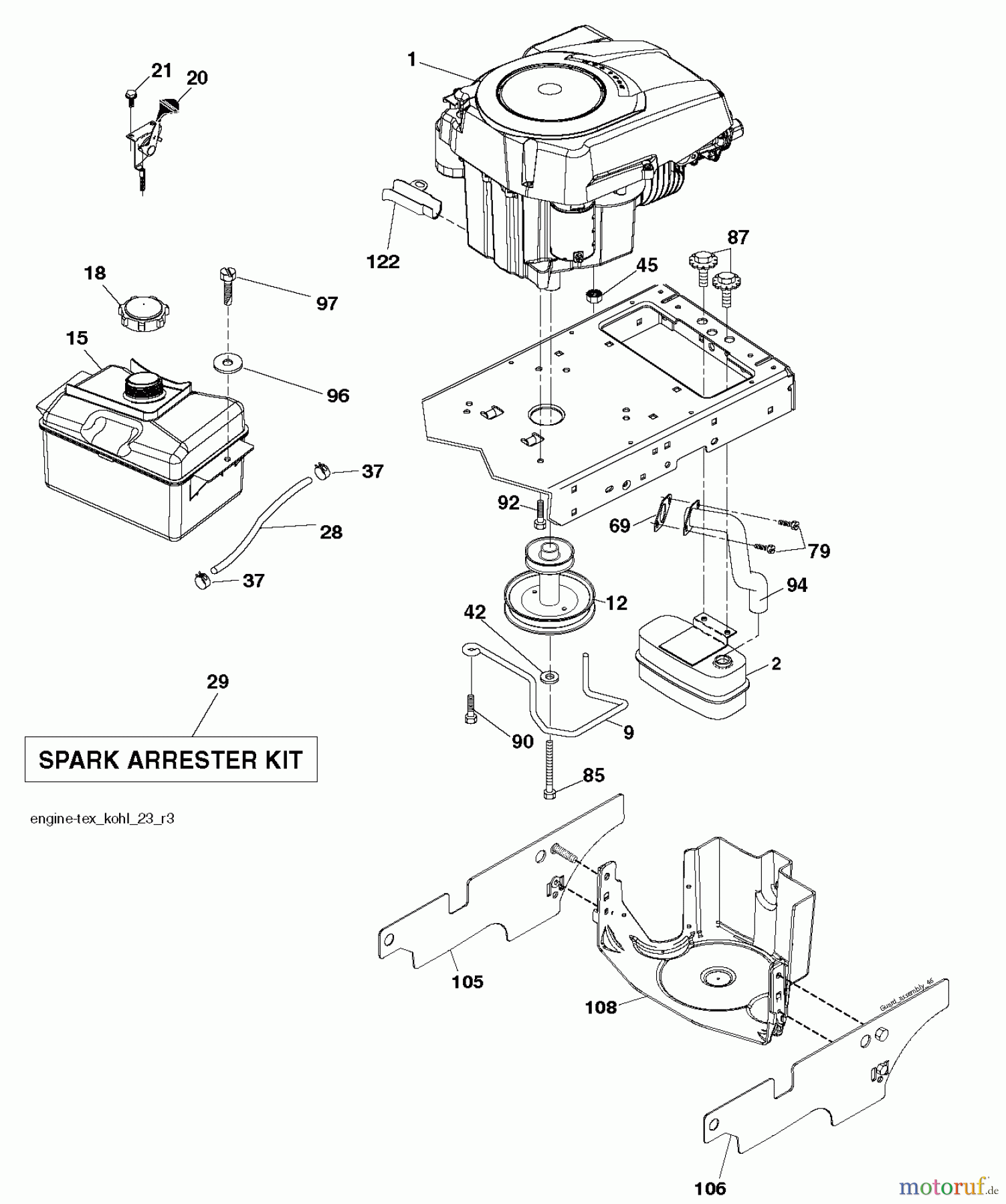
Husqvarna LT 154 (96041024101) - Lawn Tractor (2012-07 & After) ENGINE Ersatzteile
SCHALLDÄMPFER
Artikel Nummer:
532 18 86-55
BildNr:
2
187.20 €
für EU incl. MwSt., zzgl. Versand
Der Artikel wurde in den Einkaufswagen gelegt!
Wird für Sie bestellt: Lieferzeit ca. 5 Werktage.
Hier finden Sie die Ersatzteilzeichnung für Husqvarna Rasen und Garten Traktoren LT 154 (96041024101) - Husqvarna Lawn Tractor (2012-07 & After) ENGINE. Wählen Sie das benötigte Ersatzteil aus der Ersatzteilliste Ihres Husqvarna Gerätes aus und bestellen Sie einfach online. Viele Husqvarna Ersatzteile halten wir ständig in unserem Lager für Sie bereit.







