CRAFTSMAN 5 HP SNOW THROWER 536.884790 Ersatzteile
BOLT-
Artikel Nummer:
704217
BildNr:
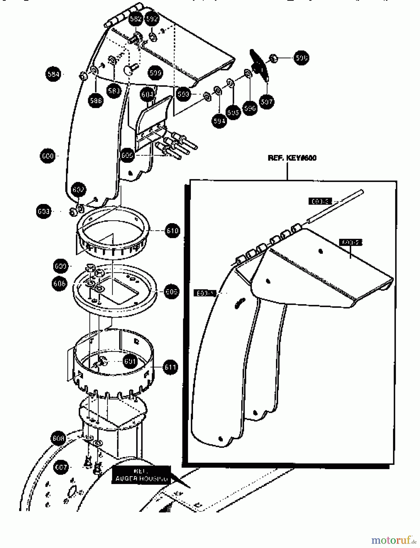
601
14.46 €
für EU incl. MwSt., zzgl. Versand
Der Artikel wurde in den Einkaufswagen gelegt!
Wird für Sie bestellt: Lieferzeit ca. 5 Werktage.
Hier finden Sie die Ersatzteilzeichnung für CRAFTSMAN Divers 5 HP SNOW THROWER 536.884790 Seite 6. Wählen Sie das benötigte Ersatzteil aus der Ersatzteilliste Ihres CRAFTSMAN Gerätes aus und bestellen Sie einfach online. Viele CRAFTSMAN Ersatzteile halten wir ständig in unserem Lager für Sie bereit.
| BildNr | Artikel Nummer | Bezeichnung | |
| 582 | 703225 | BOLZEN | |
| 583 | 12021MA | WASHER PLAST | |
| 584 | 703902 | MUTTER | |
| 594 | 530092322 | UNTERLEGSCHEIBE | |
| 600 | SB-5140214-18 | CHUTE ASSEMB | |
| 601 | 704217 | BOLT- | |
| 604 | 760268MA | FLAP CHUTE I | |
| 605 | 760987MA | RIVET POP AL | |
| 606 | 585214YZMA | COLLAR CHUTE | |
| 607 | SB-STDPART | COMMONLY AVAIL. PART | |
| 608 | 120392MA | FL. SCHEIBE | |
| 609 | 703251 | MUTTER | |
| 610 | 337227MA | RETAINER RIN | |
| 611 | 585193MA | RETAINER RIN | |


Qualitätsmanagement
Informieren Sie uns, wenn Sie einen Fehler gefunden haben.

