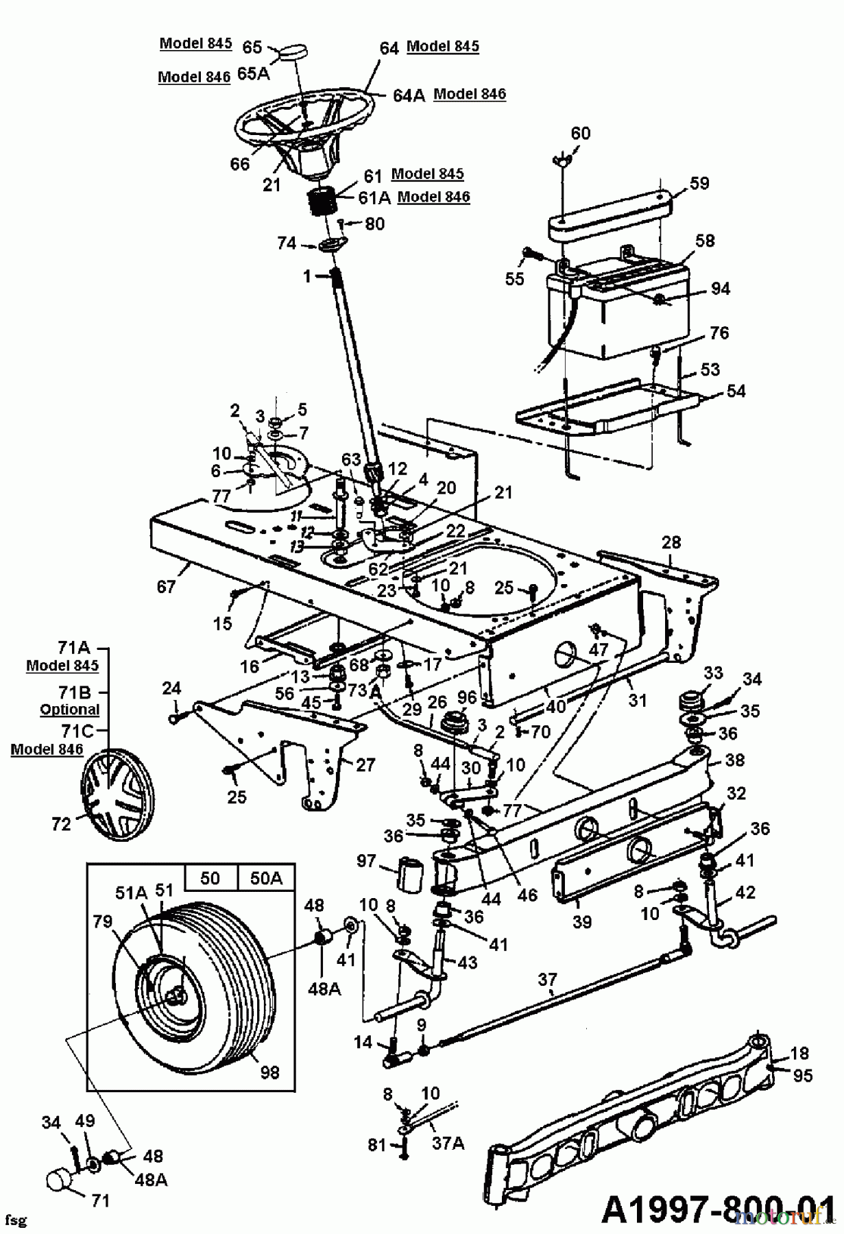
White GT 180 14AU846H679 (1997) Vorderachse Ersatzteile
FLANSCHLAGER
Artikel Nummer:
741-0660
BildNr:
36
DINNORM:
741-0660 / 941-0660
Zusatztext DE:
nur mit Ref. 38
Zusatztext FR:
seulement avec Ref. 38
Zusatztext EN:
with Ref. 38 only
Bemerkung:
.757""ID
Modell BJ:
G 185 / 1998 GT 180 / 1997
6.86 €
für EU incl. MwSt., zzgl. Versand
Der Artikel wurde in den Einkaufswagen gelegt!
sofort Lieferbar
Hier finden Sie die Ersatzteilzeichnung für White Gartentraktoren GT 180 14AU846H679 (1997) Vorderachse. Wählen Sie das benötigte Ersatzteil aus der Ersatzteilliste Ihres White Gerätes aus und bestellen Sie einfach online. Viele White Ersatzteile halten wir ständig in unserem Lager für Sie bereit.


Qualitätsmanagement
Informieren Sie uns, wenn Sie einen Fehler gefunden haben.






































