Golf 245 HLE-ÖVE 02623.09 (1987) Ersatzteile
SCHRAUBE VERZINKT
Artikel Nummer:
079.29.178
BildNr:
55
DINNORM:
KALTFLIESSPRESSTEIL 738-1030
Modell BJ:
245 HLE-ÖVE / 1987
8.53 €
für EU incl. MwSt., zzgl. Versand
Der Artikel wurde in den Einkaufswagen gelegt!
Wird für Sie bestellt: Lieferzeit ca. 5 bis 14 Werktage.
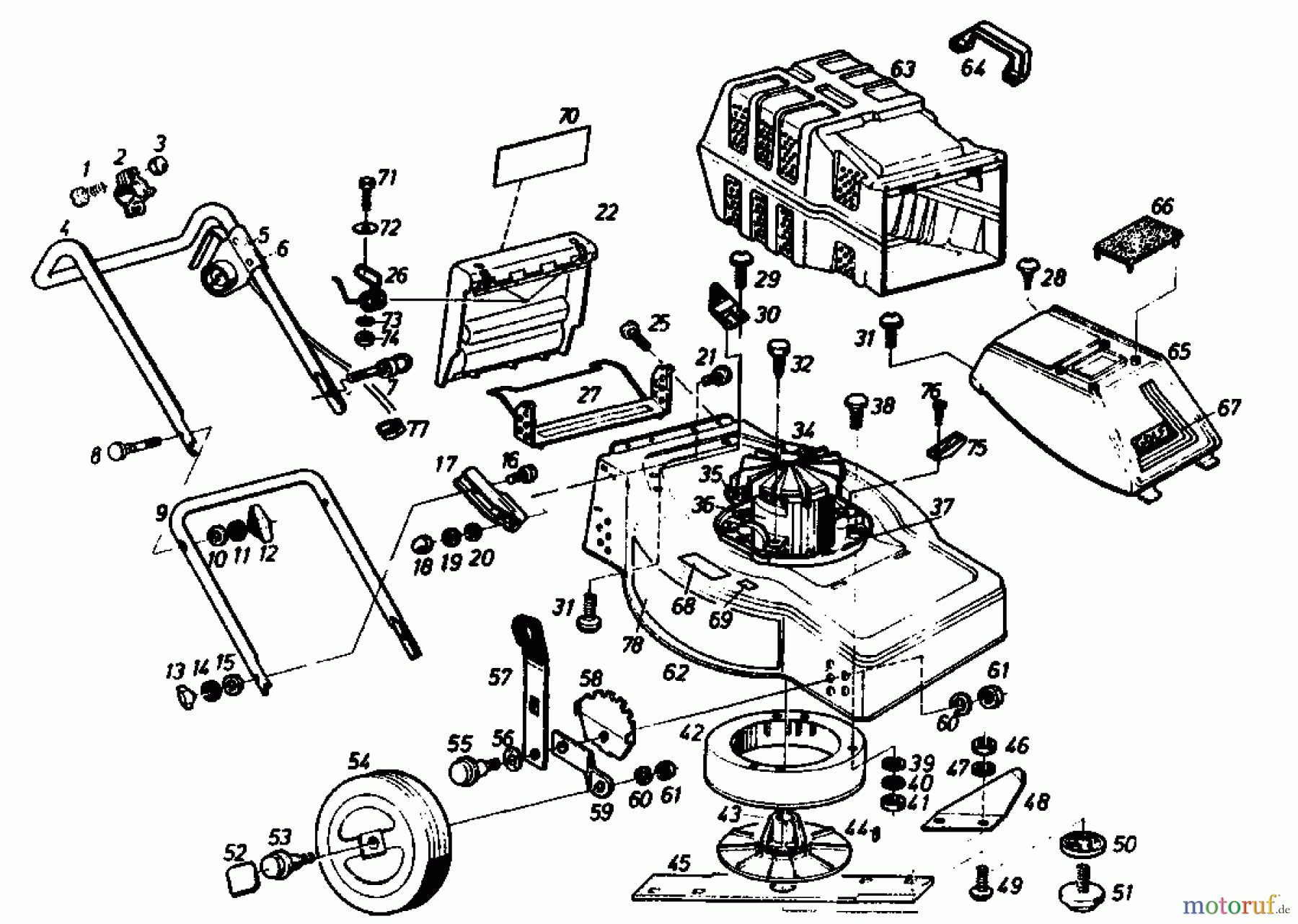
Hier finden Sie die Ersatzteilzeichnung für Golf Elektromäher 245 HLE-ÖVE 02623.09 (1987) Grundgerät. Wählen Sie das benötigte Ersatzteil aus der Ersatzteilliste Ihres Golf Gerätes aus und bestellen Sie einfach online. Viele Golf Ersatzteile halten wir ständig in unserem Lager für Sie bereit.


Qualitätsmanagement
Informieren Sie uns, wenn Sie einen Fehler gefunden haben.


